电脑桌面
添加小米粒文库到电脑桌面
安装后可以在桌面快捷访问

城南安置小区B区 16#楼施工任务书VIP免费

城南安置小区B区 16#楼施工任务书_第1页
1/10
城南安置小区B区 16#楼施工任务书_第2页
2/10
城南安置小区B区 16#楼施工任务书_第3页
3/10
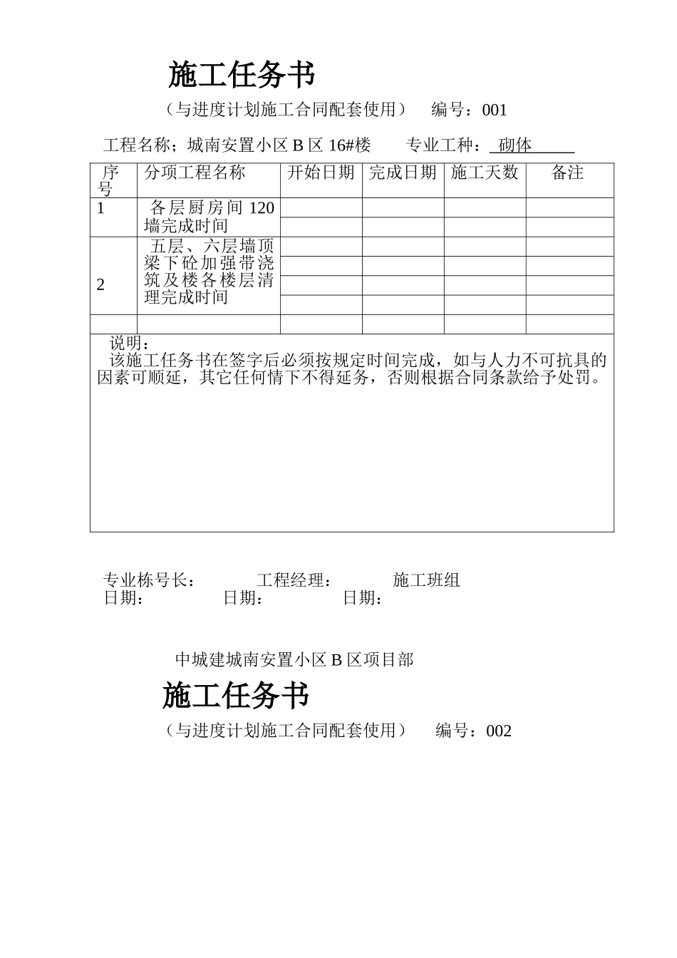
施工任务书(与进度计划施工合同配套使用)编号:001工程名称;城南安置小区B区16#楼专业工种:砌体专业栋号长:工程经理:施工班组日期:日期:日期:中城建城南安置小区B区项目部施工任务书(与进度计划施工合同配套使用)编号:002序号分项工程名称开始日期完成日期施工天数备注1各层厨房间120墙完成时间2五层、六层墙顶梁下砼加强带浇筑及楼各楼层清理完成时间说明:该施工任务书在签字后必须按规定时间完成,如与人力不可抗具的因素可顺延,其它任何情下不得延务,否则根据合同条款给予处罚。工程名称;城南安置小区B区19#楼专业工种:砌体专业栋号长:工程经理:施工班组日期:日期:日期:中城建城南安置小区B区项目部施工任务书(与进度计划施工合同配套使用)编号:003序号分项工程名称开始日期完成日期施工天数备注1各楼层墙体、加强带、及小型构件砼浇筑完成时间2墙体修补、楼清理完成时间。说明:该施工任务书在签字后必须按规定时间完成,如与人力不可抗具的因素可顺延,其它任何情下不得延务,否则根据合同条款给予处罚。工程名称;城南安置小区B区16、17#楼专业工种装修专业栋号长:工程经理:施工班组日期:日期:日期:中城建城南安置小区B区项目部施工任务书(与进度计划施工合同配套使用)编号:004序号分项工程名称开始日期完成日期施工天数备注116、17#楼外贴网具备主体验收完成时。217#楼屋面找平层及16、17#楼屋面檐线完成时间。说明:该施工任务书在签字后必须按规定时间完成,如与人力不可抗具的因素可顺延,其它任何情下不得延务,否则根据合同条款给予处罚。工程名称;城南安置小区B区16、17#楼专业工种装修专业栋号长:工程经理:施工班组日期:日期:日期:中城建城南安置小区B区项目部施工任务书(与进度计划施工合同配套使用)编号:005序号分项工程名称开始日期完成日期施工天数备注12说明:该施工任务书在签字后必须按规定时间完成,如与人力不可抗具的因素可顺延,其它任何情下不得延务,否则根据合同条款给予处罚。工程名称;城南安置小区B区16、17#楼专业工种装修专业栋号长:工程经理:施工班组日期:日期:日期:中城建城南安置小区B区项目部施工任务书(与进度计划施工合同配套使用)编号:006序号分项工程名称开始日期完成日期施工天数备注12说明:该施工任务书在签字后必须按规定时间完成,如与人力不可抗具的因素可顺延,其它任何情下不得延务,否则根据合同条款给予处罚。工程名称;城南安置小区B区16、17#楼专业工种装修专业栋号长:工程经理:施工班组日期:日期:日期:中城建城南安置小区B区项目部施工任务书(与进度计划施工合同配套使用)编号:007序号分项工程名称开始日期完成日期施工天数备注12说明:该施工任务书在签字后必须按规定时间完成,如与人力不可抗具的因素可顺延,其它任何情下不得延务,否则根据合同条款给予处罚。工程名称;城南安置小区B区16、17#楼专业工种装修专业栋号长:工程经理:施工班组日期:日期:日期:中城建城南安置小区B区项目部施工任务书(与进度计划施工合同配套使用)编号:008序号分项工程名称开始日期完成日期施工天数备注12说明:该施工任务书在签字后必须按规定时间完成,如与人力不可抗具的因素可顺延,其它任何情下不得延务,否则根据合同条款给予处罚。工程名称;城南安置小区B区16、17#楼专业工种装修专业栋号长:工程经理:施工班组日期:日期:日期:中城建城南安置小区B区项目部施工任务书(与进度计划施工合同配套使用)编号:009序号分项工程名称开始日期完成日期施工天数备注12说明:该施工任务书在签字后必须按规定时间完成,如与人力不可抗具的因素可顺延,其它任何情下不得延务,否则根据合同条款给予处罚。工程名称;城南安置小区B区16、17#楼专业工种装修专业栋号长:工程经理:施工班组日期:日期:日期:中城建城南安置小区B区项目部施工任务书(与进度计划施工合同配套使用)编号:010序号分项工程名称开始日期完成日期施工天数备注12说明:该施工任务书在签字后必须按规定时间完成,如与人力不可抗具的因素可顺延,其它任何情下不得延务,否则根据合同条款给予处罚。...

1、当您付费下载文档后,您只拥有了使用权限,并不意味着购买了版权,文档只能用于自身使用,不得用于其他商业用途(如 [转卖]进行直接盈利或[编辑后售卖]进行间接盈利)。
2、本站所有内容均由合作方或网友上传,本站不对文档的完整性、权威性及其观点立场正确性做任何保证或承诺!文档内容仅供研究参考,付费前请自行鉴别。
3、如文档内容存在违规,或者侵犯商业秘密、侵犯著作权等,请点击“违规举报”。

碎片内容

城南安置小区B区 16#楼施工任务书

确认删除?
VIP
微信客服
  • 扫码咨询
会员Q群
  • 会员专属群点击这里加入QQ群
客服邮箱
回到顶部