电脑桌面
添加小米粒文库到电脑桌面
安装后可以在桌面快捷访问

工贸企业安全生产二个体系建设资料参考表格VIP免费

工贸企业安全生产二个体系建设资料参考表格_第1页
1/17
工贸企业安全生产二个体系建设资料参考表格_第2页
2/17
工贸企业安全生产二个体系建设资料参考表格_第3页
3/17
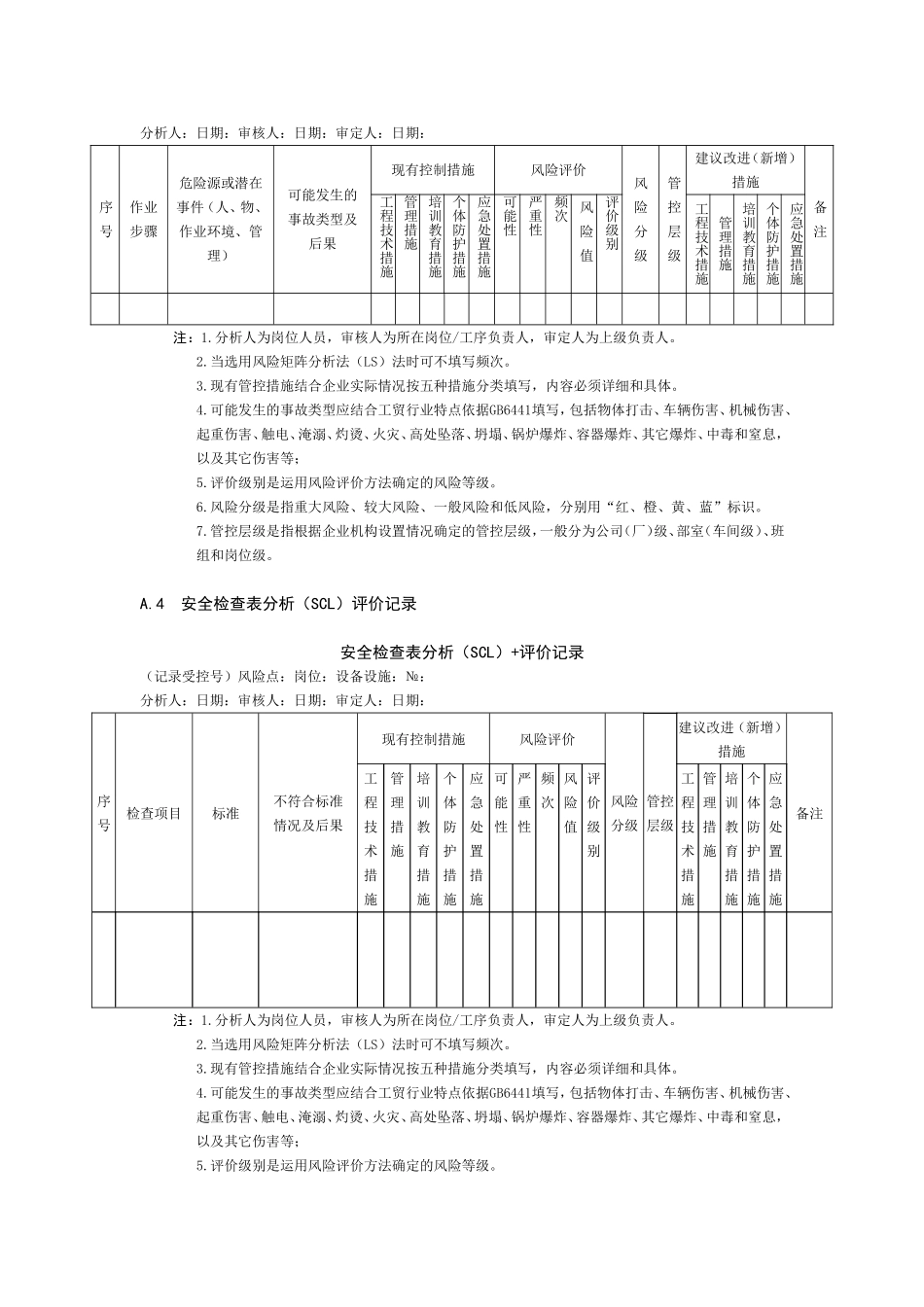
工贸企业安全生产二个体系建设资料参考表格风险分析记录A.1作业活动清单(记录受控号)单位:№:序号作业活动名称作业活动内容岗位/地点活动频率备注填表人:填表日期:年月日审核人:审核日期:年月日注:当选用风险矩阵分析法(LS)时可不填写活动频率A.2设备设施清单(记录受控号)单位:№:序号设备名称类别型号位号/所在部位是否特种设备备注填表人:填表日期:年月日审核人:审核日期:年月日注:1.按照单元或装置进行划分,同一单元或装置内介质、型号相同的设备设施可合并,在备注内写明数量。2.厂房、管廊、手持电动工具、办公楼等可以放在表的最后列出。A.3工作危害分析(JHA)评价记录工作危害分析(JHA)+评价记录(记录受控号)风险点:岗位:作业活动:№:分析人:日期:审核人:日期:审定人:日期:序号作业步骤危险源或潜在事件(人、物、作业环境、管理)可能发生的事故类型及后果现有控制措施风险评价风险分级管控层级建议改进(新增)措施备注工程技术措施管理措施培训教育措施个体防护措施应急处置措施可能性严重性频次风险值评价级别工程技术措施管理措施培训教育措施个体防护措施应急处置措施注:1.分析人为岗位人员,审核人为所在岗位/工序负责人,审定人为上级负责人。2.当选用风险矩阵分析法(LS)法时可不填写频次。3.现有管控措施结合企业实际情况按五种措施分类填写,内容必须详细和具体。4.可能发生的事故类型应结合工贸行业特点依据GB6441填写,包括物体打击、车辆伤害、机械伤害、起重伤害、触电、淹溺、灼烫、火灾、高处坠落、坍塌、锅炉爆炸、容器爆炸、其它爆炸、中毒和窒息,以及其它伤害等;5.评价级别是运用风险评价方法确定的风险等级。6.风险分级是指重大风险、较大风险、一般风险和低风险,分别用“红、橙、黄、蓝”标识。7.管控层级是指根据企业机构设置情况确定的管控层级,一般分为公司(厂)级、部室(车间级)、班组和岗位级。A.4安全检查表分析(SCL)评价记录安全检查表分析(SCL)+评价记录(记录受控号)风险点:岗位:设备设施:№:分析人:日期:审核人:日期:审定人:日期:序号检查项目标准不符合标准情况及后果现有控制措施风险评价风险分级管控层级建议改进(新增)措施备注工程技术措施管理措施培训教育措施个体防护措施应急处置措施可能性严重性频次风险值评价级别工程技术措施管理措施培训教育措施个体防护措施应急处置措施注:1.分析人为岗位人员,审核人为所在岗位/工序负责人,审定人为上级负责人。2.当选用风险矩阵分析法(LS)法时可不填写频次。3.现有管控措施结合企业实际情况按五种措施分类填写,内容必须详细和具体。4.可能发生的事故类型应结合工贸行业特点依据GB6441填写,包括物体打击、车辆伤害、机械伤害、起重伤害、触电、淹溺、灼烫、火灾、高处坠落、坍塌、锅炉爆炸、容器爆炸、其它爆炸、中毒和窒息,以及其它伤害等;5.评价级别是运用风险评价方法确定的风险等级。6.风险分级是指重大风险、较大风险、一般风险和低风险,分别用“红、橙、黄、蓝”标识。7.管控层级是指根据企业机构设置情况确定的管控层级,一般分为公司(厂)级、部室(车间级)、班组和岗位级。AA附录B(资料性附录)风险分级管控清单及风险点、危险源统计表表A.1作业活动风险分级管控清单单位:风险点作业步骤危险源或潜在事件评价级别风险分级可能发生的事故类型及后果管控措施管控层级责任单位责任人备注编号类型名称序号名称工程技术措施管理措施培训教育措施个体防护措施应急处置措施1操作及作业活动12345注:管控措施指按一定程序确定的所有管控措施,包括“现有安全控制措施”和“建议改进(新增)措施”,内容必须详细和具体。表A.2设备设施风险分级管控清单单位:风险点检查项目标准评价级别风险分级不符合标准情况及后果管控措施管控层级责任单位责任人备注编号类型名称序号名称工程技术措施管理措施培训教育措施个体防护措施应急处置措施1设施、部位、场所、区域123456注:管控措施指按一定程序确定的所有管控措施,包括“现有安全控制措施”和“建议改进(新增)措施”,内容必须详细和具体。表A.3风险点统计表序...

1、当您付费下载文档后,您只拥有了使用权限,并不意味着购买了版权,文档只能用于自身使用,不得用于其他商业用途(如 [转卖]进行直接盈利或[编辑后售卖]进行间接盈利)。
2、本站所有内容均由合作方或网友上传,本站不对文档的完整性、权威性及其观点立场正确性做任何保证或承诺!文档内容仅供研究参考,付费前请自行鉴别。
3、如文档内容存在违规,或者侵犯商业秘密、侵犯著作权等,请点击“违规举报”。

碎片内容

工贸企业安全生产二个体系建设资料参考表格

您可能关注的文档

确认删除?
VIP
微信客服
  • 扫码咨询
会员Q群
  • 会员专属群点击这里加入QQ群
客服邮箱
回到顶部