电脑桌面
添加小米粒文库到电脑桌面
安装后可以在桌面快捷访问

项目层现浇混凝土结构实测实量记录VIP免费

项目层现浇混凝土结构实测实量记录_第1页
1/7
项目层现浇混凝土结构实测实量记录_第2页
2/7
项目层现浇混凝土结构实测实量记录_第3页
3/7
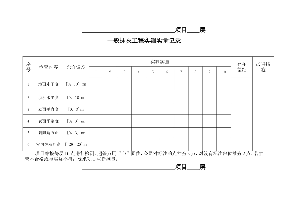
项目层现浇混凝土结构实测实量记录序号检查内容允许偏差实测实量存在差距改进措施123456789101截面尺寸[+8,-5]mm2表面平整度[0,8]mm3垂直度[0,8]mm4顶板水平度[0,15]mm5标高[-10,10]mm6楼板厚度[-5,8]mm项目部按每层10点进行检测,超差点用“○”圈住,公司对标注的点抽查3点,对没有标注部位抽查2点,若抽查不合格或与实际不符,要求项目重新测量。项目层砌筑工程实测实量记录序号检查内容允许偏差实测实量存在差距改进措施123456789101水平灰缝饱满度90%2竖向灰缝饱满度80%3轴线位置偏移≤10mm4垂直度[0,5]mm5水平灰缝厚度[-2,2]mm6竖向灰缝厚度[-2,2]mm7基础顶面和楼面标高[-15,15]mm8表面平整度[0,8]mm9门窗洞口尺寸(高、宽)[-5,5]mm项目部按每层10点进行检测,超差点用“○”圈住,公司对标注的点抽查3点,对没有标注部位抽查2点,若抽查不合格或与实际不符,要求项目重新测量。项目层一般抹灰工程实测实量记录序号检查内容允许偏差实测实量存在差距改进措施123456789101地面水平度[0,10]mm2顶板水平度[0,10]mm3立面垂直度[0,3]mm4表面平整度[0,3]mm5阴阳角方正[0,3]mm6室内抹灰净高[-20,20]mm项目部按每层10点进行检测,超差点用“○”圈住,公司对标注的点抽查3点,对没有标注部位抽查2点,若抽查不合格或与实际不符,要求项目重新测量。项目层饰面砖粘贴(墙面)工程实测实量记录序号检查内容允许偏差实测实量存在差距改进措施123456789101立面垂直度[0,3]mm2表面平整度[0,3]mm3阴阳角方正[0,3]mm4接缝直线度[0,3]mm5接缝高低差[0,0.5]mm6接缝宽度[0,1]mm7裂缝,空鼓项目部按每层10点进行检测,超差点用“○”圈住,公司对标注的点抽查3点,对没有标注部位抽查2点,若抽查不合格或与实际不符,要求项目重新测量。项目层地面砖面层工程实测实量记录序号检查内容允许偏差实测实量存在差距改进措施123456789101表面平整度[0,3]mm2接缝直线度[0,3]mm3接缝高低差[0,0.5]mm4踢脚线上口平直[0,3]mm5接缝宽度[0,1]mm6裂缝,空鼓项目部按每层10点进行检测,超差点用“○”圈住,公司对标注的点抽查3点,对没有标注部位抽查2点,若抽查不合格或与实际不符,要求项目重新测量。项目层电气安装工程实测实量记录序号检查内容允许偏差实测实量存在差距改进措施123456789101同一室内的底盒标高差[0,10]mm2并列插座开关面板高度差[0,0.5]mm3砼墙、地面给水管暗埋处理符合要求(见备注)4砌体墙面给水管暗埋处理符合要求(见备注)5电线管暗埋处理符合要求(见备注)项目部按每层10点进行检测,超差点用“○”圈住,公司对标注的点抽查3点,对没有标注部位抽查2点,若抽查不合格或与实际不符,要求项目重新测量。项目层现浇混凝土结构顶板水平度实测实量记录点位顶板位置实测实量存在差距改进措施123456789101234[0,15]mm5678

1、当您付费下载文档后,您只拥有了使用权限,并不意味着购买了版权,文档只能用于自身使用,不得用于其他商业用途(如 [转卖]进行直接盈利或[编辑后售卖]进行间接盈利)。
2、本站所有内容均由合作方或网友上传,本站不对文档的完整性、权威性及其观点立场正确性做任何保证或承诺!文档内容仅供研究参考,付费前请自行鉴别。
3、如文档内容存在违规,或者侵犯商业秘密、侵犯著作权等,请点击“违规举报”。

碎片内容

项目层现浇混凝土结构实测实量记录

确认删除?
VIP
微信客服
  • 扫码咨询
会员Q群
  • 会员专属群点击这里加入QQ群
客服邮箱
回到顶部