电脑桌面
添加小米粒文库到电脑桌面
安装后可以在桌面快捷访问

道路交通信息发布规范

道路交通信息发布规范_第1页
1/16
道路交通信息发布规范_第2页
2/16
道路交通信息发布规范_第3页
3/16
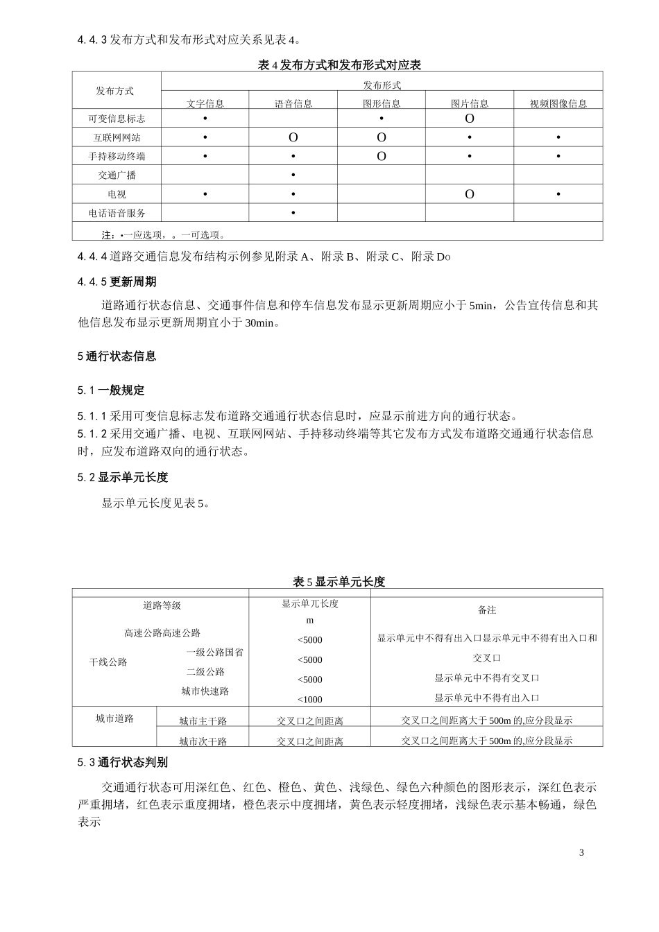
1道路交通信息发布规范1范围本标准规定了道路交通信息内容、发布方式和发布形式的要求。本标准适用于高速公路、国省干线公路和城市道路的交通信息发布。2规范性引用文件下列文件对于本文件的应用是必不可少的。凡是注日期的引用文件,仅注日期的版本适用于本文件凡是不注日期的引用文件,其最新版本(包括所有的修改单)适用于本文件。GB/T8417-2003 灯光信号颜色GB/T15608-2006 中国颜色体系GA/T1302-2016 停车服务与管理信息系统通用技术条件3术语和定义下列术语和定义适用于本文件。3.1通行状态 trafficstate 道路拥堵、缓慢或畅通的状态。3.2显示单元 displayunit 显示通行状态的单位路段。3.3区间速度 point-to-pointspeed 沿一个行驶方向,通过一个区间路段的一组机动车行驶速度的算术平均值。4基本要求4.1 信息内容道路交通信息内容见表 1。表 1 道路交通信息内容表分类发布内容道路通行状态信息实时路况,预报路况等。交通事件信息交通事故,道路施工,交通管制,交通气象等。分类发布内容公告宣传信息交通诱导信息、交通安全预警信息,交通违法警示信息,交通安全宣传信息等。停车信息停车场名称,位置,乘馀车位数、停车导航等。应符合 GA/T1302-2016 中 521.6 的要求。其他信息地理信息,换乘信息等其他信息。4.2 发布方式道路交通信息发布方式可分为:a)可变信息标志发布;b)互联网网站发布;c)手持移动终端发布;d)交通广播发布;e)电视发布;f)电话语音服务。4.3 发布形式道路交通信息发布形式可分为:a)文字信息;b)语音信息;c)图形信息;d)图片信息(发布的图片信息不应涉及敏感区域、敏感事件或隐私)e)视频信息(发布的视频信息不应涉及敏感区域、敏感事件或隐私)4.4 发布要求4.4.1 信息内容和发布方式对应关系见表 2。表 2 信息内容和发布方式对应表4.4.2 信息内容和发布形式对应关系表见表 3。表 3 信息内容与发布形式对应表34.4.3 发布方式和发布形式对应关系见表 4。表 4 发布方式和发布形式对应表发布方式发布形式文字信息语音信息图形信息图片信息视频图像信息可变信息标志••O互联网网站•OO••手持移动终端••O••交通广播•电视••O•电话语音服务•注:•一应选项,。一可选项。4.4.4 道路交通信息发布结构示例参见附录 A、附录 B、附录 C、附录 Do4.4.5 更新周期道路通行状态信息、交通事件信息和停车信息发布显示更新周期应小于 5min,公告宣传信息和其他信息发布显示更...

1、当您付费下载文档后,您只拥有了使用权限,并不意味着购买了版权,文档只能用于自身使用,不得用于其他商业用途(如 [转卖]进行直接盈利或[编辑后售卖]进行间接盈利)。
2、本站所有内容均由合作方或网友上传,本站不对文档的完整性、权威性及其观点立场正确性做任何保证或承诺!文档内容仅供研究参考,付费前请自行鉴别。
3、如文档内容存在违规,或者侵犯商业秘密、侵犯著作权等,请点击“违规举报”。

碎片内容

道路交通信息发布规范

您可能关注的文档

确认删除?
VIP
微信客服
  • 扫码咨询
会员Q群
  • 会员专属群点击这里加入QQ群
客服邮箱
回到顶部