电脑桌面
添加小米粒文库到电脑桌面
安装后可以在桌面快捷访问

建筑给水排水及采暖质量验收记录表

建筑给水排水及采暖质量验收记录表_第1页
1/37
建筑给水排水及采暖质量验收记录表_第2页
2/37
建筑给水排水及采暖质量验收记录表_第3页
3/37
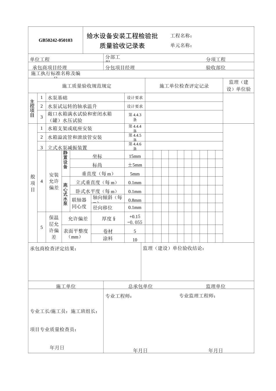
GB50242-050101室内给水管道及配件安装工程检验批质量验收记录表工程名称:单元名称:单位工程分部工程分项工程I承包商项目经理分包项目经理验收部位施工执行标准名称及编号施工质量验收规范规定施工单位检查评定记录监理(建设)单位验收记录主控项目1给水管道水压试验设计要求2给水系统通水试验第 4.2.2 条3生活给水系统管冲洗和消毒第 4.2.3 条4直埋金属给水管道防腐第 4.2.4 条般项目1给排水管铺设的平行、垂直净距第 4.2.5 条2金属给水管道及管件焊接第 4.2.6 条3给水水平管道坡度坡向第 4.2.7 条4管道支、吊架第 4.2.9 条5 水表安装第 4.2.10 条6水平管道纵、横方向弯曲允许偏差钢管每 m1mm全长 25m 以上才25mm塑料管复合管每 m1.5mm全长 25m 以上才25mm铸铁管每 m2mm全长 25m 以上才25mm立管垂直度允许偏差钢管每 m3mm5m 以上才 8mm塑料管复合管每 m2mm5m 以上才 8mm铸铁管每 m3mm5m 以上才10mm成排管段和成排阀门在同一平面上的间距3mm承包商检查评定结果:监理(建设)单位验收结论:施工单位总承氏包单位监理单位专业工长/施工员:专业工程师:专业监理工程师:施工班组长:项目专业质量检查员:年月日年月日年月日建筑给水排水及采暖质量验收记录表GB50242-050103给水设备安装工程检验批质量验收记录表工程名称:单元名称:单位工程分部工程分项工程承包商项目经理分包项目经理验收部位施工执行标准名称及编号施工质量验收规范规定施工单位检查评定记录监理(建设)单位验收记录主控项目1水泵基础设计要求2水泵试运转的轴承温升设计要求3敞口水箱满水试验和密闭水箱(罐)水压试验第 4.4.3条般项目1水箱支架或底座安装第 4.4.4条2水箱溢流管和泄放管安装第 4.4.5条3立式水泵减振装置第 4.4.6条4安装允许偏差静置设备坐标15mm标咼±5mm垂直度(每 m)5mm离心式水泵立式垂直度(每 m)0.1mm卧式水平度(每 m)0.1mm联轴器同心度轴向倾斜(每m)0.8mm径向移位0.1mm5保温层允许偏差允许偏差厚度§+0.15-0.055表面平整度(mm)卷材5涂料10承包商检查评定结果:监理(建设)单位验收结论:施工单位总承包单位监理单位专业工长/施工员:施工班组长:项目专业质量检查员:年月日专业工程师:年月日专业监理工程师:年月日建筑给水排水及采暖质量验收记录表GB50242-050201室内排水管道及配件安装工程检验批质量验收记录表工程名称:单元名称:单位工程分部工程分项工程承包商项目经理分包项目经理验收...

1、当您付费下载文档后,您只拥有了使用权限,并不意味着购买了版权,文档只能用于自身使用,不得用于其他商业用途(如 [转卖]进行直接盈利或[编辑后售卖]进行间接盈利)。
2、本站所有内容均由合作方或网友上传,本站不对文档的完整性、权威性及其观点立场正确性做任何保证或承诺!文档内容仅供研究参考,付费前请自行鉴别。
3、如文档内容存在违规,或者侵犯商业秘密、侵犯著作权等,请点击“违规举报”。

碎片内容

建筑给水排水及采暖质量验收记录表

wxg+ 关注
实名认证
内容提供者

该用户很懒,什么也没介绍

确认删除?
VIP
微信客服
  • 扫码咨询
会员Q群
  • 会员专属群点击这里加入QQ群
客服邮箱
回到顶部