电脑桌面
添加小米粒文库到电脑桌面
安装后可以在桌面快捷访问

安防监控工程竣工验收报告VIP免费

安防监控工程竣工验收报告_第1页
1/4
安防监控工程竣工验收报告_第2页
2/4
安防监控工程竣工验收报告_第3页
3/4
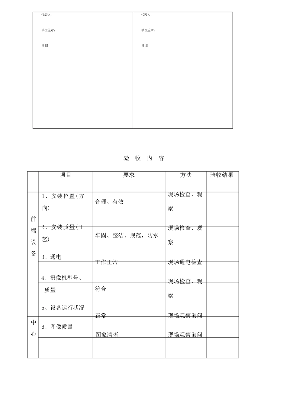
安防监控工程竣工验收报告HUAsystemofficeroom【HUA16H-TTMS2A-HUAS8Q8-HUAH1688】工程项目验收具体条款注:一、详细条款参照施工合同二、此报告书作为竣工验收凭证。三、此报告书一式两份双方各执一份。四、双方代表签字及单位盖章正式生效。五、双方签字盖章则都代表认可此工程的验收,任何一方再不得提出异议。建设单位(甲方)承建单位(乙方)甘肃亚盛实业(集团)股份有限公司临泽分公司视频监控系统工程验收报告建设单位:甘肃亚盛实业(集团)股份有限公司临泽分公司承建单位:甘肃省广播电视网络股份有限公司临泽县分公司验收日期:年月日视频监控工程竣工验收报告书工程项目名称:视频监控系统工程代表人:单位盖章:日期:代表人:单位盖章:日期:验收内容项目要求方法验收结果1、安装位置(方向)2、安装质量(工艺)3、通电4、摄像机型号、质量5、设备运行状况6、图像质量合理、有效牢固、整洁、规范,防水工作正常符合正常图象清晰现场检查、观察现场检查、观察现场通电检查现场检查、观察现场观察询问现场观察询问前端设备中心7、设备操作与控制8、图像回放9、系统主要技术性能10、主要技防产品验收评判结果操作方便、有效工作正常符合招标要求,存储时间30天符合招标要求现场观察体会现场观察现场观察、核对现场核对验收组长签字:验收组意见验收组成员签字:机房终端设备

1、当您付费下载文档后,您只拥有了使用权限,并不意味着购买了版权,文档只能用于自身使用,不得用于其他商业用途(如 [转卖]进行直接盈利或[编辑后售卖]进行间接盈利)。
2、本站所有内容均由合作方或网友上传,本站不对文档的完整性、权威性及其观点立场正确性做任何保证或承诺!文档内容仅供研究参考,付费前请自行鉴别。
3、如文档内容存在违规,或者侵犯商业秘密、侵犯著作权等,请点击“违规举报”。

碎片内容

安防监控工程竣工验收报告

确认删除?
VIP
微信客服
  • 扫码咨询
会员Q群
  • 会员专属群点击这里加入QQ群
客服邮箱
回到顶部