电脑桌面
添加小米粒文库到电脑桌面
安装后可以在桌面快捷访问

超纯水购置技术协议VIP免费

超纯水购置技术协议_第1页
1/5
超纯水购置技术协议_第2页
2/5
超纯水购置技术协议_第3页
3/5
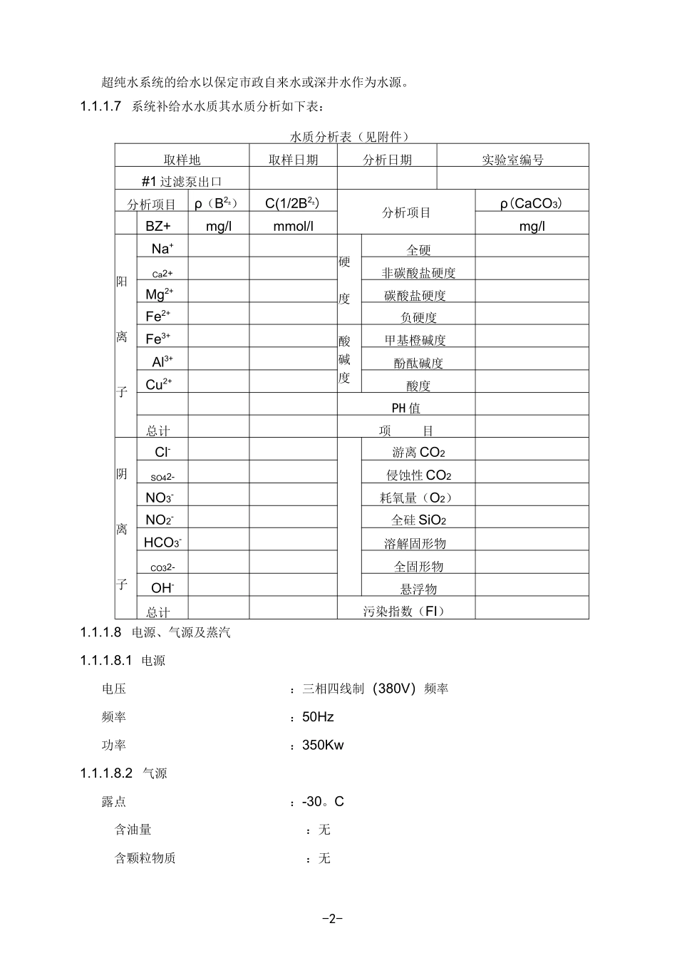
一、概述1.1概述1.1.1工程概况XXXXXXXXXX为满足国内外日益增加的供货需求,决定新增加400Mw多晶硅太阳能电池的硅片、电池和组件的生产能力,为此特提出产能为120m3/h超纯水系统采购要求。XXXXXXXXXX环保科技有限公司长期从事于电力、电子和医药行业的高纯水和超纯水设备的研制和生产,自2000年以来先后为******光电产业基地大规模集成电路工艺研究室、北京邮电大学MOCVD实验室、中科院兰州近代物理所SSC重离子回旋加速器、******集团太阳能电池公司、******有限公司等单位研制和加工了采用EDI和抛光混床产水水质电阻率达到15-18MΩ的高纯水和超纯水设备.为******不锈钢公司、**电厂、******电厂等电力钢铁企业生产了规模为70-223m3/h的超滤设备和110-264m3/h的反渗透设备。因此我们有信心也有能力承接XXXXXXXXXX新增的400Mw多晶硅太阳能电池工程的超纯水系统项目。1.1.1.1厂址由用户另定。1.1.1.2厂区的岩土工程条件不详。1.1.1.3地震烈度不详。1.1.1.4运输本期工程的交通运输以公路为主,铁路运输为辅。厂址公路运输应十分便利,便于货运汽车运输和装卸。1.1.1.5燃料用户自定。1.1.1.6水源-1--2-超纯水系统的给水以保定市政自来水或深井水作为水源。1.1.1.7系统补给水水质其水质分析如下表:水质分析表(见附件)取样地取样日期分析日期实验室编号#1过滤泵出口分析项目ρ(B2±)C(1/2B2±)分析项目ρ(CaCO3)BZ+mg/lmmol/lmg/l阳离子Na+硬度全硬Ca2+非碳酸盐硬度Mg2+碳酸盐硬度Fe2+负硬度Fe3+酸碱度甲基橙碱度Al3+酚酞碱度Cu2+酸度PH值总计项目阴离子Cl-游离CO2SO42-侵蚀性CO2NO3-耗氧量(O2)NO2-全硅SiO2HCO3-溶解固形物CO32-全固形物OH-悬浮物总计污染指数(FI)1.1.1.8电源、气源及蒸汽1.1.1.8.1电源电压:三相四线制(380V)频率频率:50Hz功率:350Kw1.1.1.8.2气源露点:-30。C含油量:无含颗粒物质:无-3-压力(操作/设计):0.5~0.7MPa温度(操作/设计)1.1.1.8.3蒸汽:常温温度:200。C压力1.1.2总则:0.8~1.3MPa1.1.2.1超纯水系统用于去除经过预处理后的清水中悬浮物及溶解固形物。并使产水电阻率达到电子一级水的要求。超纯水设备是否良好运行与提供优良品质的产品水对用户新增400Mw多晶硅太阳能电池的生产能否连续稳定运行是至关重要的。供方将和需方一起充分考虑设计、制造、安装、运输等各过程的影响因素,承诺提供最优良的系统设备。1.1.2.2本技术文件用于“保定天威英利公司新增400Mw多晶硅太阳能电池工程的超纯水系统”,它提出了该系统的功能设计、结构、性能、安装和试验等方面的技术要求。需方提出的技术要求:系统工艺流程:换热+盘式过滤器+超滤+两级反渗透+EDI+抛光混床+紫外杀菌;产能:120m3/h;电阻率≥18MΩ·cm;自动控制系统配置要求:采用PLC控制,如原水流量、RO产水流量、RO浓水流量、终端纯水流量、RO产水电导率、EDI产水电导率、EDI产水电阻率、终端纯水电阻率、原水温度、终端纯水温度等,实现PLC控制系统全程自动运行,自动检测、自动完成冲洗过程;工艺纯水系统控制说明:采用PLC全自动控制,可24小时连续自动运行。各泵和启动阀均设有手动、停止、自动选择开关,可任意选择控制方式。反渗透系统的自动操作功能包括:加药泵、高压泵、冲洗电磁阀的顺序启动和停止;系统启动后,计量加药泵会根据系统的工作与否自动加药,系统停运时反渗透装置自动进行低压冲洗,以防运行中反渗透膜表面产生的污垢在膜表面沉积,系统具有完备的自动/手动控制功能,可保证装置在不同工作环境下运行,其完善的安全保护体系提高了系统的可靠性及使用寿命。其他:当PLC系统万一发生故障时,系统可转换为手动状态,操作人员可通过就地仪表盘操作系统,完成各工艺流程操作。超纯水纯度应符合GB/T11446.1-1997中1级电子级水标准。应标明纯水成本并提供工艺各阶段的产水量和水纯度指标。1.1.2.3根据需方提出的技术要求,供方承诺提供一套满足需方要求和相关标准要求的优质-4-产品及其相应服务,同时满足有关安全、环保等强制性标准。1.1.2.4本技术文件经供需双方确认后作为订货合同的技术附件,与合同正文具有同等效力。1.1.2.5设备采用的专利涉及到的全部费用均已包含...

1、当您付费下载文档后,您只拥有了使用权限,并不意味着购买了版权,文档只能用于自身使用,不得用于其他商业用途(如 [转卖]进行直接盈利或[编辑后售卖]进行间接盈利)。
2、本站所有内容均由合作方或网友上传,本站不对文档的完整性、权威性及其观点立场正确性做任何保证或承诺!文档内容仅供研究参考,付费前请自行鉴别。
3、如文档内容存在违规,或者侵犯商业秘密、侵犯著作权等,请点击“违规举报”。

碎片内容

超纯水购置技术协议

确认删除?
VIP
微信客服
  • 扫码咨询
会员Q群
  • 会员专属群点击这里加入QQ群
客服邮箱
回到顶部