电脑桌面
添加小米粒文库到电脑桌面
安装后可以在桌面快捷访问

冷冻式干燥机的常见故障表现及诊断

冷冻式干燥机的常见故障表现及诊断_第1页
1/31
冷冻式干燥机的常见故障表现及诊断_第2页
2/31
冷冻式干燥机的常见故障表现及诊断_第3页
3/31
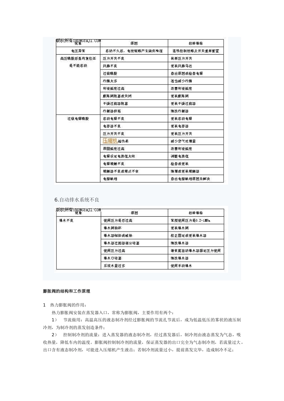
冷冻式干燥机的常见故障表现及诊断(图表说明)冷冻式干燥机是最常见的一种压缩空气干燥设备,是压缩空气气源净化系统中的一个重要环节,她的使用情况也最受大家关注。设备日常维护不当,既浪费大量人力、财力,又不能解决实质问题,本文就冷冻式干燥机常见故障做简单分析,并提供相应的故障排除方法,抛砖引玉,希望对维护方有一定的帮助。1.空气压降太大2.除水情况不良3.全部不运转4.正常运转但效果不佳5.启动后运转不良6.自动排水系统不良膨胀阀的结构和工作原理1 热力膨胀阀的作用: 热力膨胀阀安装在蒸发器入口,常称为膨胀阀,主要作用有两个: 1) 节流做用:高温高压的液态制冷剂经过膨胀阀的节流孔节流后,成为低温低压的雾状的液压制冷剂,为制冷剂的蒸发创造条件; 2) 控制制冷剂的流量:进入蒸发器的液态制冷剂,经过蒸发器后,制冷剂由液态蒸发为气态,吸收热量,降低车内的温度。膨胀阀控制制冷剂的流量,保证蒸发器的出口完全为气态制冷剂,若流量过大,出口含有液态制冷剂,可能进入压缩机产生液击;若制冷剂流量过小,提前蒸发完毕,造成制冷不足;2 热力膨胀阀的种类: 热力膨胀阀按照平衡方式不同,分内平衡式和外平衡式;外平衡式热力膨胀阀分 F 型和 H 型两种结构型式。 1) 内平衡式膨胀阀结构和工作原理: 内平衡式 F 型热力膨胀阀结构图 内平衡式 F 型热力膨胀阀结构图。感温包内充注制冷剂,放置在蒸发器出口管道上,感温包和膜片上部通过毛细管相连,感受蒸发器出口制冷剂温度,膜片下面感受到的是蒸发器入口压力。如果空调负荷增加,液压制冷剂在蒸发器提前蒸发完毕,则蒸发器出口制冷剂温度将升高,膜片上压力增大,推动阀杆使膨胀阀开度增大,进入到蒸发器中的制冷剂流量增加,制冷量增大;如果空调负荷减小,则蒸发器出口制冷剂温度减小,以同样的作用原理使得阀开度减小,从而控制制冷剂的流量。 2) 外平衡式膨胀阀结构和工作原理:膜片下面感受到的是蒸发器出口压力。 外平衡式膨胀阀与平衡式膨胀阀原理基本相同,区别是: 内平衡式膨胀阀膜片下面感受到的是蒸发器入口压力;而外平衡式膨胀阀膜片下面感受到的是蒸发器出口压力。 3) H 型膨胀阀 H 型热力膨胀阀有四个接口与制冷系统连接,其中两个接口与普通热力膨胀阀相同,一个连接储液干燥器,一个连接蒸发器进口;另外两个接口,一个连接蒸发器出口,一个连接压缩机进口。感温包直接处在蒸发器出口的制冷剂气流中。该膨胀阀由...

1、当您付费下载文档后,您只拥有了使用权限,并不意味着购买了版权,文档只能用于自身使用,不得用于其他商业用途(如 [转卖]进行直接盈利或[编辑后售卖]进行间接盈利)。
2、本站所有内容均由合作方或网友上传,本站不对文档的完整性、权威性及其观点立场正确性做任何保证或承诺!文档内容仅供研究参考,付费前请自行鉴别。
3、如文档内容存在违规,或者侵犯商业秘密、侵犯著作权等,请点击“违规举报”。

碎片内容

冷冻式干燥机的常见故障表现及诊断

您可能关注的文档

确认删除?
VIP
微信客服
  • 扫码咨询
会员Q群
  • 会员专属群点击这里加入QQ群
客服邮箱
回到顶部