电脑桌面
添加小米粒文库到电脑桌面
安装后可以在桌面快捷访问

光伏电站项目投标文件投标书(技术标)VIP免费

光伏电站项目投标文件投标书(技术标)_第1页
1/54
光伏电站项目投标文件投标书(技术标)_第2页
2/54
光伏电站项目投标文件投标书(技术标)_第3页
3/54
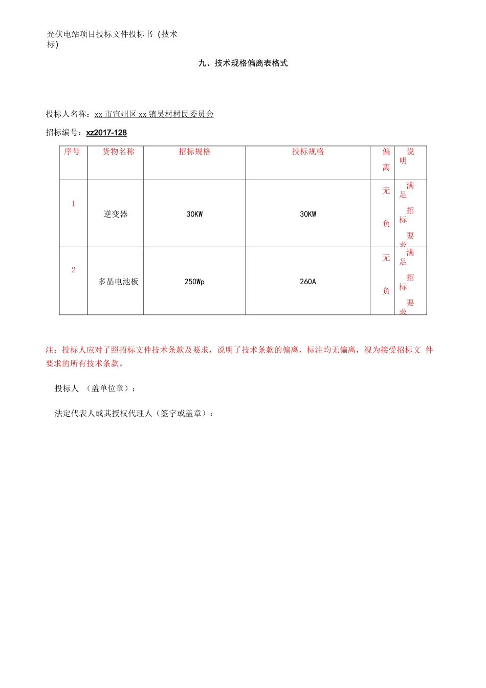
光伏电站项目投标文件投标书(技术标)技术标封面格式xx市xx镇吴村60KW村级集体经济组织光伏电站项目招标编号:xz2017-128投标文件技术标投标人:(盖单位章)法定代表人或其委托代理人:(签字)2017年5月27日光伏电站项目投标文件投标书(技术标)九、技术规格偏离表格式投标人名称:xx市宣州区xx镇吴村村民委员会招标编号:xz2017-128序号货物名称招标规格投标规格偏离说明1逆变器30KW30KW无负满足招标要求2多晶电池板250Wp260A无负偏满足招标要求注:投标人应对了照招标文件技术条款及要求,说明了技术条款的偏离,标注均无偏离,视为接受招标文件要求的所有技术条款。投标人(盖单位章):法定代表人或其授权代理人(签字或盖章):光伏电站项目投标文件投标书(技术标)十、深化设计方案系统组成本工程低压入网且容量较小,主要系统组成为:光伏组件,支架及基础,集成光伏并网逆变器,交流配电柜,防雷接地装置,系统连接电缆及防护材料。光伏组串设计1、组件串联太阳电池组件串联的数量由逆变器的最高输入电压和最低工作电压、以及太阳电池组件允许的最大系统电压所确定。太阳电池组串的并联数量由逆变器的额定容量确定。电池组件串联数量计算如公式3-1所示,对应参数详见本工程拟选用选250Wp组件和30KW逆变器规格参数表。计算公式如下:INT(Vdcmin/Vmp)≤N≤INT(Vdcmax/Voc)…………………(3-1)式中:Vdcmax——逆变器输入直流侧最大电压;Vdcmin——逆变器输入直流侧最小电压;Voc——电池组件开路电压;Vmp——电池组件最佳工作电压;N——电池组件串联数。经计算得:串联光伏电池数量N为:9.9≤N≤26.4,根据现场气候环境结合电池组件连接方便以及逆变器最佳输入电压等,取串联数为20块。温度校核计算如下:+70℃:30.2×20×(1-45×0.0031)=519V>480V,通过-15℃:30.2×20×(1+40×0.0031)=679V<800V,通过-15℃:37.8×20×(1+40×0.0031)=850V<950V,通过2、组串并联组串功率250W×20=5KW,总组串数60÷5=12,30KW逆变器可接入组串数30÷5=6。综上,拟选用的两台30kW满足要求。设计方案一设计依据本方案依据和主要引用标准、规范如下:(1)《光伏发电站接入电力系统技术规定》GB/Z19964-2005;(2)《电力变压器选用导则》GB/T17468-2008;(3)《交流电气装置的过电压保护和绝缘配合》DL/T620-1997;光伏电站项目投标文件投标书(技术标)(4)《交流电气装置的接地》DL/T621-1997;(5)《变电所总布置设计技术规程》DL/T5056-2007;(6)《高压配电装置设计技术规程》DL/T5352-2006;(7)《导体和电器选择设计技术规定》DL/T5222-2005;(8)《国家电网公司光伏电站接入电网技术规定(试行)》国家电网发展(2009)747号;(9)《国家电网公司十八项电网重大反事故措施(试行)》国家电网生技(2005)400号;(10)其它相关的国家、行业标准规范,设计手册等。二组件安装组件支撑系统的安装由于本项目位于教学楼屋面,支架基础采用固定铆件,与原屋面结合时须考虑防水等要求。施工过程中不得破坏原屋面结构。支架图参考如下:电池组件安装光伏组件与光伏方阵:单块光伏组件串联成组串,光伏电池方阵则是由组串并联而成,光伏组串内部接线见图4-2。光电板MC电缆敷设跟随光电板安装同时进行,即边安装光电板边敷设MC电缆边接线。光伏电站项目投标文件投标书(技术标)太阳能光伏方阵内的电缆敷设:通过太阳能电池组件自带的引出线连接。在此电气连接中,必须对方阵的引出电缆线进行正负极标识。电池组件连接敷设走线可为:接线方式为:MC插头、插座连接,P(+)/N(-)线连接,MC电缆接线方式见图。理酬F⅛≡ttK≡¾寓电蹴(PLET-SOL41}SK)长度劳干图4-3光伏组件之间MC电缆接线方式示意图电缆敷设1电缆敷设要求1)线管应敷设在干燥和不易机械损伤的场所。2)线管接口应平直、严密。3)线管敷设应平直整齐;水平或垂直允许偏差为其长度的2%,且全长允许偏差20MM。4)同一回路的所有相线、零线应放在同一线管内,不同回路的电线的无防干扰要求时可放在同一线管。5)当设计无要求时,包括绝缘层在内导线总截面积不应大于线管面积的60%。2电缆敷设步骤1)检查管口是否平整...

1、当您付费下载文档后,您只拥有了使用权限,并不意味着购买了版权,文档只能用于自身使用,不得用于其他商业用途(如 [转卖]进行直接盈利或[编辑后售卖]进行间接盈利)。
2、本站所有内容均由合作方或网友上传,本站不对文档的完整性、权威性及其观点立场正确性做任何保证或承诺!文档内容仅供研究参考,付费前请自行鉴别。
3、如文档内容存在违规,或者侵犯商业秘密、侵犯著作权等,请点击“违规举报”。

碎片内容

光伏电站项目投标文件投标书(技术标)

您可能关注的文档

确认删除?
VIP
微信客服
  • 扫码咨询
会员Q群
  • 会员专属群点击这里加入QQ群
客服邮箱
回到顶部