电脑桌面
添加小米粒文库到电脑桌面
安装后可以在桌面快捷访问

华为月度品质报告VIP免费

华为月度品质报告_第1页
1/6
华为月度品质报告_第2页
2/6
华为月度品质报告_第3页
3/6
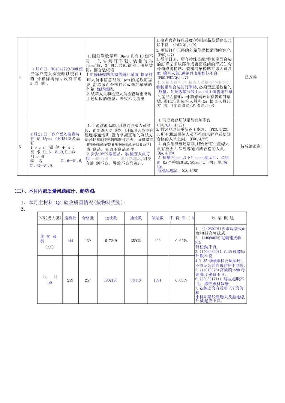
重点摘要:1.本月度客户端有5單投訴.分别馬錯位不良,INT開路不良,端子變形及標識不良問题,責任部門已回復改善對策,有效性待QA進一步跟進確認2.本月度制程中发现物料问题较多,主要是華新的線材(25050171)芯線上套有透明PCV套管和來料彩帶絞距過大及無地線,外被起股不良;連展的:連接器(14060291)要求焊接式而實物料需刺破式;盛凌的電纜連接器(14060032)PIN針松動不良;正聯的V.35(14060320)母螺絲外觀不良及母螺絲和公螺絲尺寸不符,公頭與母頭扭不到位;華達的SMB母頭彈片殘缺不良等,需VQE后续跟进,要求供应商改善(一)、本月重大质量问题汇总华为产品品质问题汇总:序号问题描述原因分析改善对策改善效果14月1日,客户受入檢查時發現我司3月30日出貨的6pcs04044426有1pcsX3.a8與X1.67時断時通(INT)地線套套管壓接時,套管壓接在端子扣位里能承受的拉力比同軸芯線白色絕緣壓接在端子扣位里所承受的拉力小,作業指導書中規定二者的長度相同,故受外力影響時,地線從端子的第一個刀口中脱出2.測試人員搖測時角度不夠,未發現INT不良,導致不良品流出.1.重新規定所有同軸線産品搖測時必須以30度的角度進行搖測.2.清理倉存類似産品,接第點要求重新測試.(PMC/QA,4/6)3.更改作業指導書,注明壓接時地線保留的長度必须芯線稍長,使地線有較大的緩冲不受到外力影響.并更改其他類似産品的作業指導書.(IE,4/8)4.制作類似不良様品挂于生産線.(PRO/QA,4/9)5.培訓生産線作業員/QA檢查員第3項和第4項.(制造/QA課長,4/9)已改善24月6日,客户受入檢查時發現4月5日出貨的6pcs04044426X3端子的C1、C3、C7位彈片變形1pc.1.4月5日從客户處收回6pcs因X3.a8與X1.67INT不良的04044426退品,生産線返工時將不良端子從連接器槽位中退出再装進好的端子,操作過程中作業人員將端子插變形.2.由于變形的端子用我司的導通頭可以插拔,外觀檢查人員疏忽導致不良品流出.3.導通頭pin針歪斜,造成端子變形,外觀檢查人員疏忽導致不良品流出.1.重新檢查倉存類似産品有無不良.(PMC/QA,4/8)2.所有不良品必須重新砍頭加工,特殊情形需經PE工程師確認,并且不良返工品需經IPQC確認.(PRO組長/IPQC/PE,4/7)3.生産線測試人員和IPQC在測試時必須確認導通頭PIN針有無歪斜不良.(PRO組長/IPQC,4/7)4.申請與4*8連接器相配的導通頭.(QA/PUR,待跟進)已改善34月5日,04044534産品在客戶使用過程中,被發現線序錯位不良,已發現的不良數3pcs.1.該産品生産初期(2004年6月),Housing端導通頭無法及時購回,生産時没有按正常流程使用導通頭測試Housing端的接線對位關系,而針對對位關系只是通過目視检查.由于目視的人焉疏忽,導致線序錯位的品流出.2.從2004年7月開始,已開始使用正規導通頭测試産品的線序對位關系,已不存在上述不良.1.按客戶要求,對客户已装機的産品進行修理(QA,4月6日)2.清理倉存品、生産線半成品、成品有無類似問题(PMC/QA,4月6日).3.對客户已隔離的産品,將使用導通頭重新測試(跟進中).4.已于2004年7月在TWI.QA.34<導通頭和導通様板管理規程>内説明,訂單生産時必須使用導通頭進行測試,不得僅依據目視檢查識别産品的線序對位關系.2004年7月開始的産品,已不存在此類不良.5.所有生産組長/IPQC/FQC入職時,培訓TWI.QA.34,確保産品生産時必須使用導通頭對産品進行檢查(實施中).已改善1………………………………………………………………44月6日,W04042729/30M産品客戶受入檢查時以現有1箱外箱條碼標貼没有售銷訂單號.1.因訂單數量馬10pcs且有10個不同的售銷訂單號,装箱時馬3pcs/箱,3個合装紙箱和1個尾数箱,因合装紙箱上的條碼標貼無需售銷訂單號,標貼打印人員未留意只装1pcs的尾數箱需要訂單號而全部打印成無訂單號的外箱條碼標貼.2.装箱人員和檢查人員檢查時也出現上述原因的疏忽,導致不良流出.1.檢查倉存特殊長度/特制産品是否存在此類不良.(PMC/QA,4/9)2.重新打印正確的外箱條碼標貼補給客户.(PMC,4/7)3.從即日起,所有特殊長度/特制産品合装的訂單必须以郵件或書面反饋的形式知會外箱條碼標贴,装箱清單標貼打印人員及QC檢查人員,避免再出現類似不良.(PRO/PMC/QA,4/7)4.装箱人員和QA檢查人員檢查特殊長度/特制...

1、当您付费下载文档后,您只拥有了使用权限,并不意味着购买了版权,文档只能用于自身使用,不得用于其他商业用途(如 [转卖]进行直接盈利或[编辑后售卖]进行间接盈利)。
2、本站所有内容均由合作方或网友上传,本站不对文档的完整性、权威性及其观点立场正确性做任何保证或承诺!文档内容仅供研究参考,付费前请自行鉴别。
3、如文档内容存在违规,或者侵犯商业秘密、侵犯著作权等,请点击“违规举报”。

碎片内容

华为月度品质报告

您可能关注的文档

确认删除?
VIP
微信客服
  • 扫码咨询
会员Q群
  • 会员专属群点击这里加入QQ群
客服邮箱
回到顶部