电脑桌面
添加小米粒文库到电脑桌面
安装后可以在桌面快捷访问

机动车安全技术检验机构联网申请书(模版指导)VIP免费

机动车安全技术检验机构联网申请书(模版指导)_第1页
1/19
机动车安全技术检验机构联网申请书(模版指导)_第2页
2/19
机动车安全技术检验机构联网申请书(模版指导)_第3页
3/19
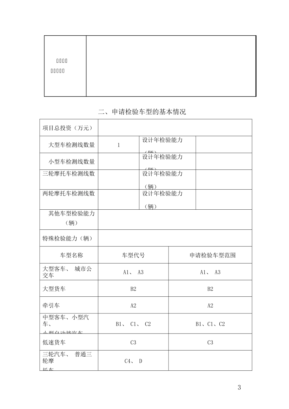
1机动车安全技术检验机构联网验收申请书机构名称:SPJA机动车检测有限责任公司联系电话:联系人:申请类别:新入网计量认证证号:安检资质证号:申请日期:四川省公安厅交通管理局编制2一、申请机构基本情况检验机构名称检验机构住所检测场所地址计量认证有效起止日期安检资质证有效起止日期邮政编码电话传真电子邮箱企(事业)代机构代码经济类型有限责任公司法定代表人张三联系人李四固定资产(万元)999注册或开办资金(万元)333技术负责人王二质量负责人刘五检验技术人员总数33从业人员总数35成立日期2016.3.23经营期限(如有)3二、申请检验车型的基本情况项目总投资(万元)大型车检测线数量1设计年检验能力(辆)小型车检测线数量设计年检验能力(辆)三轮摩托车检测线数设计年检验能力(辆)两轮摩托车检测线数设计年检验能力(辆)其他车型检验能力(辆)特殊检验能力(辆)车型名称车型代号申请检验车型范围大型客车、城市公交车A1、A3A1、A3大型货车B2B2牵引车A2A2中型客车、小型汽车、小型自动挡汽车B1、C1、C2B1、C1、C2低速货车C3C3三轮汽车、普通三轮摩托车C4、D4摩托车E、F轮式自行机械车M5三、机构主要负责人和检验人员情况序号姓名性别身份证号码职务职称学历所学专业从事机动车检验年限工作岗位1经理2副经理3技术负责人4综合办公室主任5综合办公室副主任6质量负责人7授权签字人8授权签字人9设备管理员10检验员11检验员12检验员6四、检测线备案表检测线名称SPJA机动车检测有限责任公司检测线类别大型车控制方式全自动全线检测时间8小时制动检测设备信息设备名称汽车制动试验台设备型号ACZD-10生产厂家深圳市安车检测股份有限公司检测最少时间2min检测方式平板制式单平板长度平板间距滚筒制式反力式滚筒停机方式单独停机启用日期2016年3月检定有效期止设备状态完好灯光检测设备信息设备名称机动车前照灯检测仪设备型号MQD-6A生产厂家浙大鸣泉最少时间1min检测方式台试偏移修正光强不大于±10%偏移值不大于±35㎜/dam启用日期2016年3月检定有效期止2017年7月15日设备状态完好7尾气检测设备信息设备名称机动车尾气分析仪(带转速和油温传感器)设备型号MQW-50A生产厂家浙大鸣泉检测最少时间2min检测方式双怠速测量范围CO:±0.06×10-2HC:±12×10-启用日期2016年3月检定有效期止设备状态完好尾气检测设备信息设备名称不透光烟度计(带转速和油温传感器)设备型号MQY-200生产厂家浙大鸣泉检测最少时间1.5min检测方式自由加速测量范围不大于0.01m-1启用日期2016年3月检定有效期止设备状态完好速度检测设备信息设备名称底盘测功机(代替速度台)设备型号ACCG-10生产厂家检测最少时间1min启用日期2016年3月检定有效期止设备状态完好8侧滑检测设备信息设备名称汽车侧滑检验台设备型号ACCH-10生产厂家检测最少时间3S启用日期2016年3月检定有效期止设备状态完好称重检测设备信息设备名称轴(轮)重试验台设备型号ACZZ-10生产厂家检测最少时间2s称重级别10000Kg检定有效期止启用日期2016年3月设备状态完好全线工位信息工位1外检工位2废气、速度表误差、测功工位3底盘、前照灯、侧滑工位4轴重、制动备注9五、SPJA机动车检测有限责任公司检验工位和仪器、设备布置图10SPJA机动车检测有限责任公司地理位置及场面布置图11门卫12六、受理、审查、批准意见受理意见经手人(签字)年月日(盖章)审核结论审核人员签字年月日审核人员签字年月日审批意见年月日(盖章)13七、提交的文件资料目录序号文件资料名称页数1申请人法定代表人证明复印件2计量认证证书复印件3机动车安全技术检验资质证书复印件4安检机构人员考核合格证明复印件5计量器具检定证书复印件6检测场所地理位置、场地平面图,检测厂房、土地所有权或合法使用权证明复印件7其他要求提供的有关证明材料附件:14机动车安全技术检验机构联网验收申请书填写说明1适用范围《机动车安全技术检验机构联网验收申请书》(以下简称《申请书》)适用于机动车安全技术检验机构(以下简称“机构”)新入网、迁址、增线等的联网验收申请。增项包括增加检验车型、增加检测线等。2封面2.1机构名称:填写机构营业执照上的注册名称,...

1、当您付费下载文档后,您只拥有了使用权限,并不意味着购买了版权,文档只能用于自身使用,不得用于其他商业用途(如 [转卖]进行直接盈利或[编辑后售卖]进行间接盈利)。
2、本站所有内容均由合作方或网友上传,本站不对文档的完整性、权威性及其观点立场正确性做任何保证或承诺!文档内容仅供研究参考,付费前请自行鉴别。
3、如文档内容存在违规,或者侵犯商业秘密、侵犯著作权等,请点击“违规举报”。

碎片内容

机动车安全技术检验机构联网申请书(模版指导)

确认删除?
VIP
微信客服
  • 扫码咨询
会员Q群
  • 会员专属群点击这里加入QQ群
客服邮箱
回到顶部