电脑桌面
添加小米粒文库到电脑桌面
安装后可以在桌面快捷访问

首件上市大桥4#墩右幅4#桩桩基钢筋施工方案

首件上市大桥4#墩右幅4#桩桩基钢筋施工方案_第1页
1/20
首件上市大桥4#墩右幅4#桩桩基钢筋施工方案_第2页
2/20
首件上市大桥4#墩右幅4#桩桩基钢筋施工方案_第3页
3/20
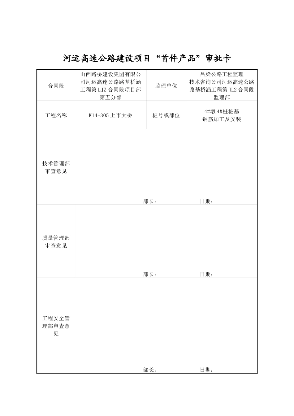
河运高速公路建设项目“首件产品”审批卡合同段山西路桥建设集团有限公司河运高速公路路基桥涵工程第 LJZ 合同段项目部第五分部监理单位吕梁公路工程监理技术咨询公司河运高速公路路基桥涵工程第 JL2 合同段监理部工程名称K14+305 上市大桥桩号或部位4#墩 4#桩桩基钢筋加工及安装技术管理部审查意见部长: 日期:质量管理部审查意见部长: 日期:工程安全管理部审查意见部长: 日期:“首件工程”K14+305 上市大桥 4#墩4#桩基钢筋加工及安装施工方案山西路桥建设集团有限公司河运高速公路路基桥涵工程第 LJZ 合同段项目部第五分部二 0 一 0 年十月K14+305 上市大桥 4#墩右幅 4#桩桩基钢筋加工及安装施工方案一、工程简介上市大桥位于河津市上市村西侧,桥梁中心桩号 K14+305,桥梁交角 90 度。桥位区地貌为黄土源、冲沟,桥位呈北南向,跨越一“U”形沟谷,其北侧及南侧为黄土台地。我们特选定本桥 4#墩右幅4#桩桩基作为首件工程,通过施工该首件工程,确定合理的施工工艺,推进和保障后续工程的质量,以指导后续工程批量生产,从而达到以工序保分项工程、以分项工程保分部工程、以分部工程保单位工程、以单位工程保证河运公路项目质量的目标。二、施工准备及主要工程数量K14+305 上市大桥 4#墩右幅 4#桩桩基施工放样准备就绪,主要人员、机械已全部到位;地上、地下的电缆、管线、旧建筑物、设备基础等障碍物均已排除处理完毕,各项临时设施,如照明、动力、通风、安全设施准备就绪,对施工人员也进行了全面得安全技术交底,现已具备开工条件。其主要工程数量为桩基直径 1.8 米,长 56米,钢筋 97765.2T,砼 142.5m3 施工内容包括钻孔、钢筋制作安装、灌注砼。三、组织机构、人员四、机具配备五、施工方案桩基钢筋加工及安装1、施工准备1)清理、硬化施工场地,化分作业区。2)搭设原材料及机具堆放棚,防止雨水浸湿。3)钢筋调直场地应设置防护设置,作业时非作业人员不得进入现场。 2、钢筋加工与连接的施工技术要点及注意事项1)钢筋加工及连接① 钢筋必须要有质量证明书及出厂合格证,运到工地后应做抽样自检,其技术要求应符合设计及施工规范的要求。② 钢筋焊接前,必须根据施工条件进行试焊,经检验合格后方可正式焊接。焊工必须持证上岗。焊条、焊剂应有合格证。③ 钢筋接头搭接或帮条电弧焊时采用双面焊缝,双面焊缝困难时,可采用单面焊缝,焊条为 502。④ 钢筋接头应设置在钢筋承受应力较小处并应...

1、当您付费下载文档后,您只拥有了使用权限,并不意味着购买了版权,文档只能用于自身使用,不得用于其他商业用途(如 [转卖]进行直接盈利或[编辑后售卖]进行间接盈利)。
2、本站所有内容均由合作方或网友上传,本站不对文档的完整性、权威性及其观点立场正确性做任何保证或承诺!文档内容仅供研究参考,付费前请自行鉴别。
3、如文档内容存在违规,或者侵犯商业秘密、侵犯著作权等,请点击“违规举报”。

碎片内容

首件上市大桥4#墩右幅4#桩桩基钢筋施工方案

您可能关注的文档

确认删除?
VIP
微信客服
  • 扫码咨询
会员Q群
  • 会员专属群点击这里加入QQ群
客服邮箱
回到顶部