电脑桌面
添加小米粒文库到电脑桌面
安装后可以在桌面快捷访问

塑料收纳箱标准VIP免费

塑料收纳箱标准_第1页
1/7
塑料收纳箱标准_第2页
2/7
塑料收纳箱标准_第3页
3/7
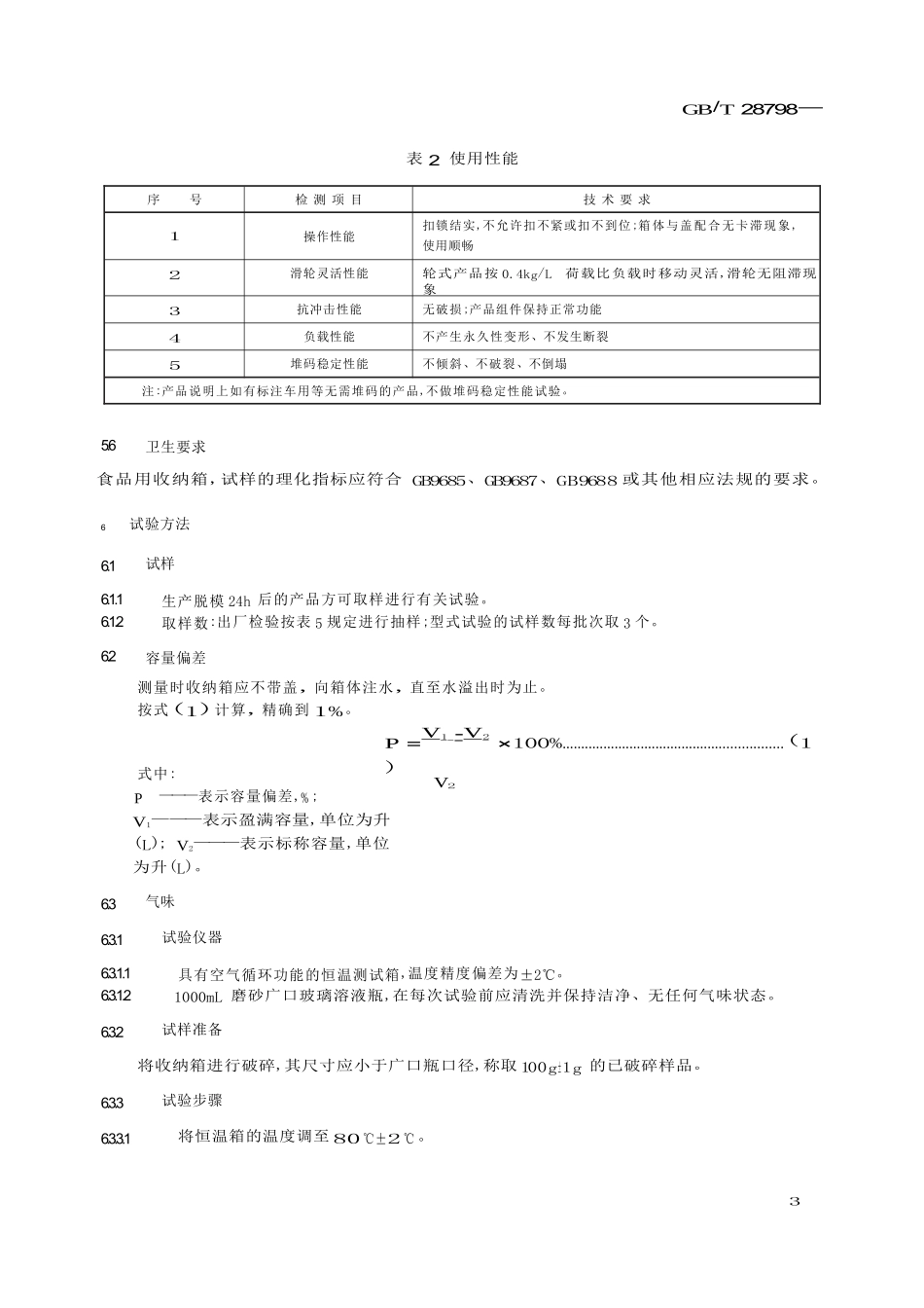
GB/T28798—20121塑料收纳箱1范围本标准规定了塑料收纳箱的术语和定义、分类、要求、试验方法、检验规则、标志、包装、运输与贮存。本标准适用于以聚丙烯(PP)、聚乙烯(PE)、丙烯腈-丁二烯-苯乙烯共聚物(ABS)等为主要原料注射成型的,可辅以五金或木质等部件的作为日常储物用途、容量大于10L的塑料收纳箱(以下简称收纳箱)。2规范性引用文件下列文件对于本文件的应用是必不可少的。凡是注日期的引用文件,仅注日期的版本适用于本文件。凡是不注日期的引用文件,其最新版本(包括所有的修改单)适用于本文件。GB/T2828.1—2003计数抽样检验程序第1部分:按接收质量限(AQL)检索的逐批检验抽样计划GB/T5009.60食品包装用聚乙烯、聚苯乙烯、聚丙烯成型品卫生标准的分析方法GB9685食品容器、包装材料用添加剂使用卫生标准GB9687食品包装用聚乙烯成型品卫生标准GB9688食品包装用聚丙烯成型品卫生标准3术语和定义下列术语和定义适用于本文件。3.1塑料收纳箱plasticstoragebox产品全部或主体以PP、PE、ABS等为主要原料注射成型的,通常作为日常储物用途的规格较大的硬质塑料容器1)。3.2标称容量labeledcapacity设计的可使用容量。3.3盈满容量maximumcapacity收纳箱不带盖平置时装水的最大容量。3.4荷载比loadratio对收纳箱进行测试时,收纳箱标称容量加载负荷的质量,单位为kg/L。4分类产品按以下规定分类:1)也称为塑料整理箱或塑料储物箱,容量通常大于10L。GB/T28798—20122———按收纳箱是否带轮分为轮式和非轮式。———按收纳箱卫生指标不同分为通用和食品用。5要求5.1容量偏差盈满容量与标称容量的偏差应控制在0~5%。5.2气味通用收纳箱的气味应优于4级。食品用收纳箱的气味应优于3级。5.3外观外观质量要求应符合表1规定。表1外观要求项目要求V≤30LV>30L气泡除底部与口部之外,其余部位不允许有。规格内气泡两个之间的最小间距应≥50mm泡径/mm≤2≤3个数35黑点、杂质不允许有穿透状杂质。规格内的要求分散分布,不影响使用个数l≤0.5不计;46不允许有0.5

1、当您付费下载文档后,您只拥有了使用权限,并不意味着购买了版权,文档只能用于自身使用,不得用于其他商业用途(如 [转卖]进行直接盈利或[编辑后售卖]进行间接盈利)。
2、本站所有内容均由合作方或网友上传,本站不对文档的完整性、权威性及其观点立场正确性做任何保证或承诺!文档内容仅供研究参考,付费前请自行鉴别。
3、如文档内容存在违规,或者侵犯商业秘密、侵犯著作权等,请点击“违规举报”。

碎片内容

塑料收纳箱标准

您可能关注的文档

确认删除?
微信客服
  • 扫码咨询
会员Q群
  • 会员专属群点击这里加入QQ群