电脑桌面
添加小米粒文库到电脑桌面
安装后可以在桌面快捷访问

特种行业管理档案物流寄递业)VIP免费

特种行业管理档案物流寄递业)_第1页
1/10
特种行业管理档案物流寄递业)_第2页
2/10
特种行业管理档案物流寄递业)_第3页
3/10
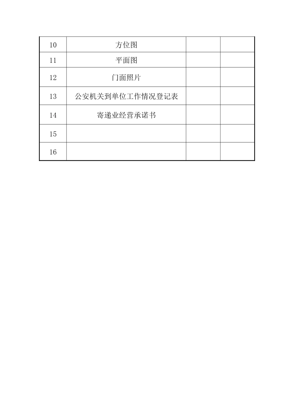
编号:物流寄递业治安管理档案行业名称:建档单位:建档人:建档时间:档案目录序号内容页码备注1物流寄递业备案登记表2法人或负责人身份证复印件3治安保卫责任书4经营许可证复印件(交通、邮政部门核发的许可证照,分支机构除许可证外需提供授权材料)5营业执照复印件6单位保卫负责人登记表7技防设施登记表8寄递业从业人员登记表9从业车辆情况10方位图11平面图12门面照片13公安机关到单位工作情况登记表14寄递业经营承诺书1516物流、寄递业备案登记表物流、寄递企业治安保卫责任书行业名称。法人或负责人一寸彩照详细地址经济性质□物流□寄递业务范围主营:兼营:重点部位法人代表姓名性别身分证号联系方式(手机)(办)住址从业人数合计管理人员其他人员治保组织负责人姓名性别身份证号联系方式(手机)(办)派出所备案意见年月日治安大队备案意见年月日为进一步加强全市物流、寄递渠道治安管理,维护物流、寄递渠道生产治安秩序,维护国家安全、公共安全和社会稳定,根据《治安管理处罚法》、《企业事业单位内部治安保卫条例》和危险化学物品、管制器具管理规定,签订本责任书。一、根据“单位负责,政府监管”的原则,物流、寄递企业的法定代表人或主要负责人为本单位的治安保卫工作第一责任人。物流寄递企业作为治安保卫重点单位应设置治安保卫机构,配备专职治安保卫人员,落实人防、物防、技防措施。将治安保卫机构的设置和人员的配备情况报辖区派出所备案,履行治安保卫重点单位职责,逐级落实治安保卫工作责任。二、应当主动将本单位及所属机构基本情况(证照、法定代表人或主要负责人及员工的基本信息、车辆登记信息等)及相关变动情况及时报辖区派出所备案,并按要求向公安机关主管部门上报相关情况信息。三、应依法建立并严格执行货物、邮件、快件收寄验视制度,落实落地检查和实名制。在用户在场情况下,当面验视交寄物品,检查是否属于国家禁止流通、寄递的物品,发现用户寄递禁寄物品的,要拒绝收寄;所有所有托运的包裹、货物,收寄的邮件、快件,用户一律实名制填写寄递详情单。企业主要负责人要定期不定期的组织开展自查自纠,落实收寄验视和工作台账、实名制登记本,深入排查安全隐患并及时予以整改纠正,确保各项安全措施落实到位。特殊物品的运输、储存,应按照国家相关法律法规的规定执行。四、物流、寄递企业工作人员要精读熟记《危险化学物品名录》、《禁寄物品指导目录及处理办法(试行)》、《仿真枪认定标准》、《管制刀具认定标准》等规章、标准,掌握禁寄物品的形状、性能及辨识要领。加强对从业人员的管理教育,强化监督制约,严防从业人员利用工作之便实施“调包”、加塞禁寄物品等违法犯罪。五、在已收寄邮件、快件中发现禁寄物品的要立即停止转发和投寄;对发现企图邮寄枪支弹药、爆炸物品、危险化学品、管制刀具、毒品等禁寄物品的,要立即报告辖区派出所。六、物流企业在货物储存的库区、仓库、露天货场等重点部位,按照有关标准设置技术防范设施和物理防范设施,应在货物接收、装卸车等环节安装监控设备,确保监控设备全天24小时运转,监控资料保存时间应不少于30天,严防货物被“调包”或加塞禁限物品。寄递企业要按照《邮政行业安全监督管理办法》的规定,加大资金投入,进一步加强企业安全管理和治安防范设施建设。要在邮件、快件收寄、分拣、运输、投递等环节安装监控设备,确保监控设备全天24小时运转,监控资料保存时间应不少于30天,严防邮件、快件被“调包”或加塞禁寄物品。对发生的治安案件、涉嫌刑事犯罪的案件,要及时报告公安机关,积极协助公安机关依法查处。七、要配备符合国家标准的安全检查设备,安排具备专门技术和技能的人员对邮件、快件进行安全检查,及时发现、主动堵截禁寄物品。八、在货物接收(卸车)和配送装卸环节,要有专人负责并严格履行手续。应详细记录托运人身份证号码及手机等相关信息。九、在收寄、运输、投递过程中应使用带锁封闭式车辆或与车辆形成一体的封闭式货箱并印有公司标识,严防被“调包”,夹塞禁寄物品或物品丢失。十、辖区派出所要依法加强对物流、寄递企业进行监管。物流、寄递企业违反《...

1、当您付费下载文档后,您只拥有了使用权限,并不意味着购买了版权,文档只能用于自身使用,不得用于其他商业用途(如 [转卖]进行直接盈利或[编辑后售卖]进行间接盈利)。
2、本站所有内容均由合作方或网友上传,本站不对文档的完整性、权威性及其观点立场正确性做任何保证或承诺!文档内容仅供研究参考,付费前请自行鉴别。
3、如文档内容存在违规,或者侵犯商业秘密、侵犯著作权等,请点击“违规举报”。

碎片内容

特种行业管理档案物流寄递业)

您可能关注的文档

确认删除?
VIP
微信客服
  • 扫码咨询
会员Q群
  • 会员专属群点击这里加入QQ群
客服邮箱
回到顶部