电脑桌面
添加小米粒文库到电脑桌面
安装后可以在桌面快捷访问

PET工程分项工程检验批划分方案最终版

PET工程分项工程检验批划分方案最终版_第1页
1/37
PET工程分项工程检验批划分方案最终版_第2页
2/37
PET工程分项工程检验批划分方案最终版_第3页
3/37
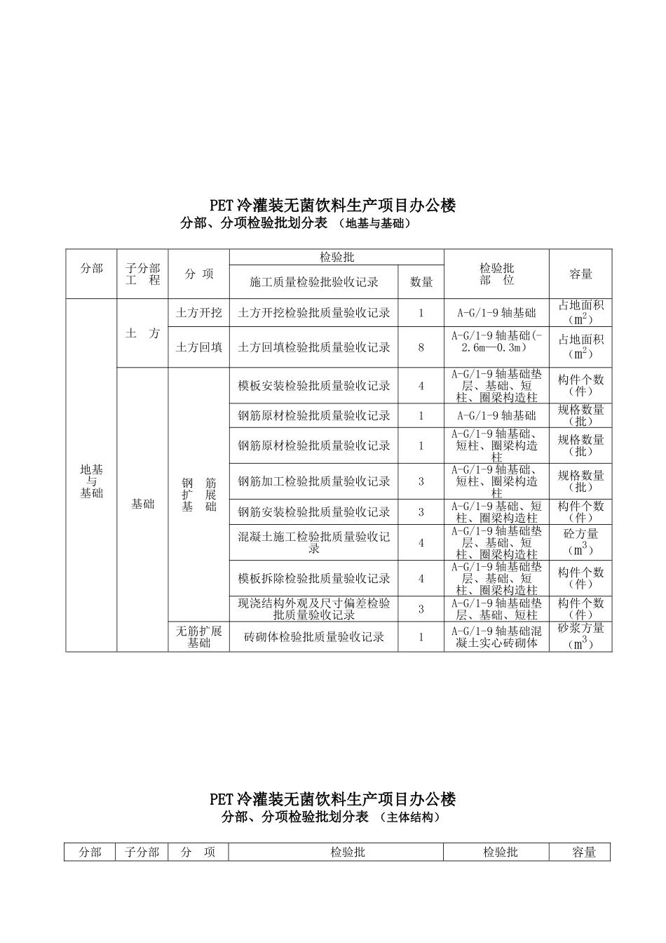
分部(子分部)分项检验批划分计划一、概况1、项目名称:PET 冷灌装无菌饮料生产项目办公楼、饮料车间一、注塑车间一、宿舍楼一、工务车间、污水处理站、司机休息室、自行车棚、门卫一、门卫二2、地点:宁夏回族自治区银川市经济技术开发区宝湖西路3、质量要求:要求达到合格,建设单位 、施工单位、监理单位、设计单位共同组织自评验收(参照原国家标准)达到合格标准4、工期要求:根据合同指定的工期节点完成交付。5、责任主体建设单位:宁夏统一企业有限公司设计单位:信息产业电子第十一设计讨论院科技股份有限公司勘察单位:银川重宇勘察有限公司监理单位:银川方圆监理咨询有限公司施工单位:江苏南通六建建设集团有限公司6、施工范围:合同范围内的土建、钢结构、水、电、消防、暖通二、检验批划分计划基础、主体结构分部检验批按楼层施工缝、后浇带进行划分,(垫层、砌体按楼层进行划分,即每层划分一个检验批)。建筑装饰装修分部:建筑地面子分部的基层(各构造层)和面层一层划分一个检验批;抹灰子分部相同材料、工艺和施工条件室外抹灰按 500~1000m2划分一个检验批,相同材料、工艺和施工条件的室内抹灰每 50 个自然间(大面积房间和走廊按抹灰面积 30m2为一间)应划分为一个检验批,不足 50 间也划分为一个检验批;门窗子分部每同一品种、类型和规格的金属门窗每 100 樘应划分为一个检验批,不足 100 樘也划分为一个检验批(特种门窗 50 樘);同一品种的吊顶按每 50 间(大面积房间和走廊按抹灰面积 30m2为一间)应划分为一个检验批,不足 50 间也应划分为一个检验批;饰面板(砖)子分部相同材料、工艺和施工条件室外 500~1000m2划分一个检验批,室内每个单元(楼梯)划分一个检验批;涂饰子分部同类涂料涂饰的墙面室外按 500~1000m2划分一个检验批,室内同类涂料涂饰的墙面每 50 间(大面积房间和走廊按抹灰面积 30m2为一间)应划分一个检验批,不足 50 间也划分为一个检验批;细部子分部同类制品每 50 间(处)划分一个检验批,不足 50 间(处)也划分为一个检验批。建筑屋面分部按面积每 500m2-1000m2划分一个检验批,不足500m2也划分为一个检验批。 PET 冷灌装无菌饮料生产项目办公楼 分部、分项检验批划分表 (地基与基础)PET 冷灌装无菌饮料生产项目办公楼分部、分项检验批划分表 (主体结构)分部子分部 分 项检验批检验批容量分部子分部工 程分 项检验批检验批部 位容量施工...

1、当您付费下载文档后,您只拥有了使用权限,并不意味着购买了版权,文档只能用于自身使用,不得用于其他商业用途(如 [转卖]进行直接盈利或[编辑后售卖]进行间接盈利)。
2、本站所有内容均由合作方或网友上传,本站不对文档的完整性、权威性及其观点立场正确性做任何保证或承诺!文档内容仅供研究参考,付费前请自行鉴别。
3、如文档内容存在违规,或者侵犯商业秘密、侵犯著作权等,请点击“违规举报”。

碎片内容

PET工程分项工程检验批划分方案最终版

确认删除?
VIP
微信客服
  • 扫码咨询
会员Q群
  • 会员专属群点击这里加入QQ群
客服邮箱
回到顶部