电脑桌面
添加小米粒文库到电脑桌面
安装后可以在桌面快捷访问

刷(喷)浆工程安全技术交底VIP专享

刷(喷)浆工程安全技术交底_第1页
1/2
刷(喷)浆工程安全技术交底_第2页
2/2
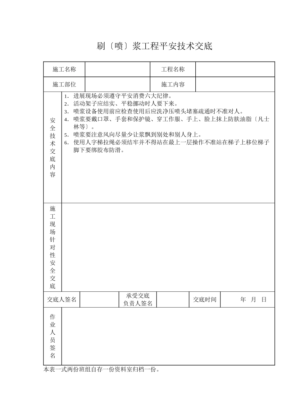
刷〔喷〕浆工程平安技术交底施工名称工程名称施工部位施工内容安全技术交底内容1.进展现场必须遵守平安消费六大纪律。2.活动架子应结实、平稳挪动时人要下来。3.喷浆设备使用前应检查使用后应洗净压喷头堵塞疏通时不准对人。4.喷浆要戴口罩、手套和保护镜、穿工作服、手上、脸上抹上防肤油脂〔凡士林等〕。5.喷浆要注意风向尽量少让浆飘到别处和别人身上。6.使用人字梯拉绳必须结牢并不得站在最上一层操作不准站在梯子上移位梯子脚下要绑胶布防滑。施工现场针对性安全交底交底人签名承受交底负责人签名交底时间 年 月 日作业人员签名本表一式两份班组自存一份资料室归档一份。内容总结(1)刷〔喷〕浆工程平安技术交底本表一式两份班组自存一份资料室归档一份

1、当您付费下载文档后,您只拥有了使用权限,并不意味着购买了版权,文档只能用于自身使用,不得用于其他商业用途(如 [转卖]进行直接盈利或[编辑后售卖]进行间接盈利)。
2、本站所有内容均由合作方或网友上传,本站不对文档的完整性、权威性及其观点立场正确性做任何保证或承诺!文档内容仅供研究参考,付费前请自行鉴别。
3、如文档内容存在违规,或者侵犯商业秘密、侵犯著作权等,请点击“违规举报”。

碎片内容

刷(喷)浆工程安全技术交底

确认删除?
VIP
微信客服
  • 扫码咨询
会员Q群
  • 会员专属群点击这里加入QQ群
客服邮箱
回到顶部