电脑桌面
添加小米粒文库到电脑桌面
安装后可以在桌面快捷访问

市政工程安全监理细则

市政工程安全监理细则_第1页
1/9
市政工程安全监理细则_第2页
2/9
市政工程安全监理细则_第3页
3/9
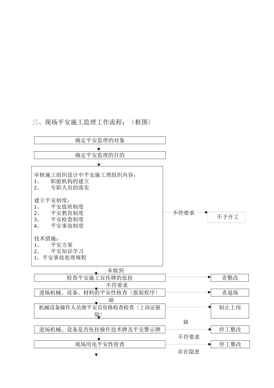
—文献东路〔延寿路荔园路〕政工程安全监理细那么编制人: 审核人: 福州成建工程监理二 00 九年元月现场平安文明施工监理施行细那么一、工程概况:工程名称:—文献东路〔延寿路荔园路〕政工程工程地点:荔城区镇海街道办事处建立:莆田城建立设计:合肥政设计监理:福州成建工程监理施工:福建巨龙建立工程、莆田东风建筑工程工程规模:西起 2+926.556 与延寿路穿插东至 3+632.727 与荔园路穿插全长706.171 米工程价:I 标段中标合同价为 502.5 万元人民币 II 标段中标合同价为 480 万元人民币7、质量要求:合格二、平安监理细那么编制根据:1、?建筑法?、?建筑工程平安消费理条理?及其他相关平安法律法规。2、?建筑施工平安检查?JGJ59—99 及其他相关平安。3、监理委托合同、施工合同以及工程有关的建立合同。4、?公路工程施工平安技术规程?JTJ-076-95。三、现场平安施工监理工作流程:〔框图〕确定平安监理的对象确定平安监理的目的不符要求 未做到检查平安施工宣传牌的张挂责整改 不符要求进场机械、设备、材料的平安性核查〔报验程序〕责退场 缺机械设备操作人员继平安员资格检查检查〔上岗证报验〕制止上岗缺进场机械、设备是否张挂操作技术牌及平安警示牌停工整改不符要求现场用电平安性检查停工整改存在隐患不予开工审核施工组织设计中平安施工理组织内容:1、职能机构的建立2、专职人员的落实建立平安制度:1、平安值班制度2、平安教育制度3、平安检查制度4、平安事故制度技术措施:1、平安方案2、平安知识学习3、平安事故处理规程现场场地平安隐患检查停工整改不符要求施工工序平安性检查停工整改不符要求现场施工平安设施是否同步落实停工整改检查监视施工过程中的承包方平安教育和培训工作的落实现场巡查平安工作的落实情况发现平安隐患及时解决四、现场平安文明施工监理控制重点:监理平安控制工作主要是控制施工人员的不平安行为控制物的不平安状态督促施工做好作业环境的防护工作其详细工作有:1“、贯彻执行 平安第一预防为主〞的方针现行的平安消费的法律、法规建立行政主部门的平安消费的规章和。2、督促施工落实平安消费的组织保证体系建立健全平安消费责任制检查责任制的建立健全和考核、经济承包合同或协议中平安消费指标、各工程平安技术操作规程、专〔兼〕职平安员设置。3、督促施工对工人进展平安消费教育及分局部项工程的平安技术交底。4、审查施工方案或施工组织设计中有否保证工程质量和平安的详细...

1、当您付费下载文档后,您只拥有了使用权限,并不意味着购买了版权,文档只能用于自身使用,不得用于其他商业用途(如 [转卖]进行直接盈利或[编辑后售卖]进行间接盈利)。
2、本站所有内容均由合作方或网友上传,本站不对文档的完整性、权威性及其观点立场正确性做任何保证或承诺!文档内容仅供研究参考,付费前请自行鉴别。
3、如文档内容存在违规,或者侵犯商业秘密、侵犯著作权等,请点击“违规举报”。

碎片内容

市政工程安全监理细则

您可能关注的文档

确认删除?
VIP
微信客服
  • 扫码咨询
会员Q群
  • 会员专属群点击这里加入QQ群
客服邮箱
回到顶部