电脑桌面
添加小米粒文库到电脑桌面
安装后可以在桌面快捷访问

某产业园中心工程监理实施细则

某产业园中心工程监理实施细则_第1页
1/29
某产业园中心工程监理实施细则_第2页
2/29
某产业园中心工程监理实施细则_第3页
3/29
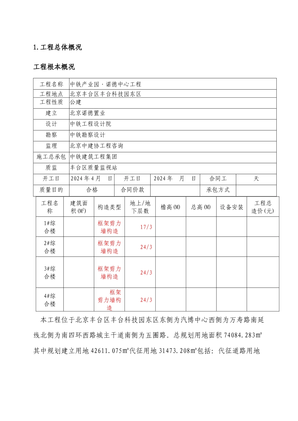
中铁产业园·诺德中心工程监理施行细那么编制人:审核人: 编制:北京中建协工程咨询2011 年 5 月 6 日一、工程概况1.工程总体概况工程根本概况工程名称中铁产业园·诺德中心工程工程地点北京丰台区丰台科技园东区工程性质公建建立北京诺德置业设计中铁工程设计院勘察中铁勘察设计监理北京中建协工程咨询施工总承包 中铁建筑工程集团质监丰台区质量监视站开工日2024 年 4 月 日开工日2024 年 月 日合同工天质量目的合格合同价款承包方式工程名称建筑面积(M2)构造类型地上/地下层数檐高(M)总高(M)设备安装工程总造价(元)1#综合楼框架剪力墙构造17/32#综合楼框架剪力墙构造24/33#综合楼框架剪力墙构造24/34#综合楼框架剪力墙构造24/3本工程位于北京丰台区丰台科技园东区东侧为汽博中心西侧为万寿路南延线北侧为南四环西路城主干道南侧为五圈路。总规划用地面积 74084.283㎡其中规划建立用地 42611.075㎡代征用地 31473.208㎡包括:代征道路用地17447.951㎡代征绿化用地 6567.383㎡其他用地 7457.874㎡。拟建立综合楼、商业效劳总建筑面积 237620m2。本工程由四栋高层办公楼组成地下三层四栋建筑物在地下室连为一个整体地下室顶部以上各自其中 1 综合楼地上建筑面积 57500㎡其中主楼 11 层高度50 米建筑面积为 33000㎡;配楼 9 层建筑面积为 18000㎡;会议室 2 层建筑面积为 6500㎡。一综合楼地下室 3 层建筑面积为 39000㎡。 二、 监理施行细那么编制根据〔一〕本工程监理规划〔二〕建立工程的相关法律、法规及工程审批1、有关的法律、法规及规定〔1〕?建筑法?〔2〕?建立工程质量理?〔3〕?建立工程平安消费理?〔4〕?建立工程监理?2、北京地方有关法规及规定〔1〕?建筑工程资料理规程?〔DBJ01-51-2024〕〔2〕?建筑工程监理规程?〔DBJ01-41-2024〕〔3〕工程规划答应证及施工答应证。3、及北京有关工程建立的其它法律、法规的规定。〔三〕与建立工程工程有关的、设计、技术资料1、设计图纸及设计设计变更及工程洽商。2、有关施工质量验收、规程、施工技术。〔1〕?工程建立强迫性条文?〔2〕?建筑施工质量验收统一?〔GB50300-2001〕〔3〕?建筑地基根底工程施工质量验收?〔GB50202-2024〕〔4〕?混凝土构造工程施工质量验收?〔GB50204-2024〕〔5〕?屋面工程质量验收?〔GB50207-2024〕〔6〕?地下防水工程质量验收?〔GB50208-2024〕〔7〕?建筑地面工程施工质量验收?〔GB50209-2024〕〔8〕?建筑装饰装修工程施工质量验收...

1、当您付费下载文档后,您只拥有了使用权限,并不意味着购买了版权,文档只能用于自身使用,不得用于其他商业用途(如 [转卖]进行直接盈利或[编辑后售卖]进行间接盈利)。
2、本站所有内容均由合作方或网友上传,本站不对文档的完整性、权威性及其观点立场正确性做任何保证或承诺!文档内容仅供研究参考,付费前请自行鉴别。
3、如文档内容存在违规,或者侵犯商业秘密、侵犯著作权等,请点击“违规举报”。

碎片内容

某产业园中心工程监理实施细则

确认删除?
VIP
微信客服
  • 扫码咨询
会员Q群
  • 会员专属群点击这里加入QQ群
客服邮箱
回到顶部