电脑桌面
添加小米粒文库到电脑桌面
安装后可以在桌面快捷访问

某地块住宅项目一期工程监理月报

某地块住宅项目一期工程监理月报_第1页
1/15
某地块住宅项目一期工程监理月报_第2页
2/15
某地块住宅项目一期工程监理月报_第3页
3/15
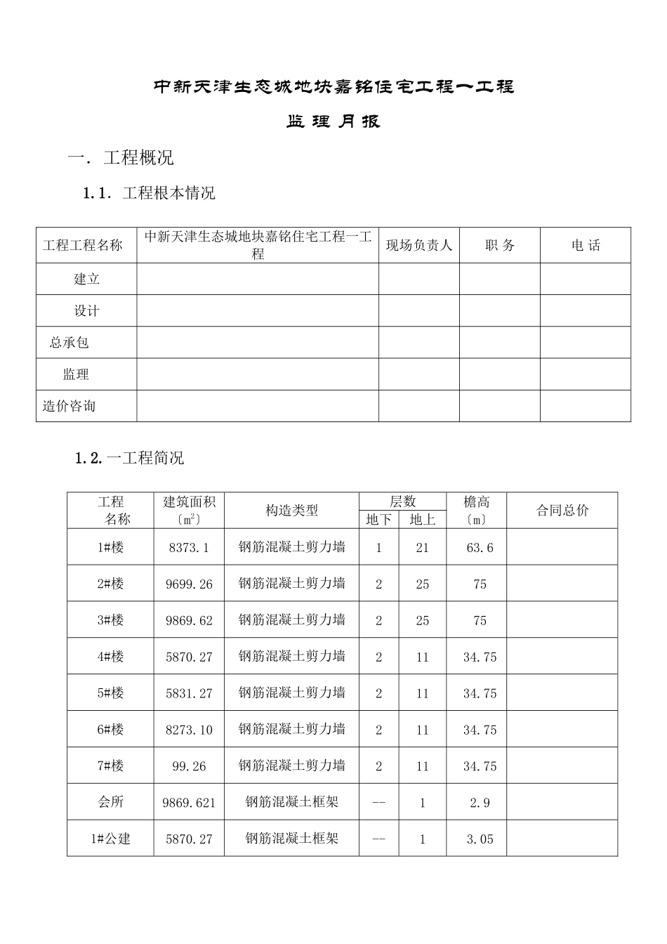
中新天津生态城地块嘉铭住宅工程一工程监 理 月 报一.工程概况1.1 .工程根本情况工程工程名称中新天津生态城地块嘉铭住宅工程一工程现场负责人 职 务 电 话建立设计 总承包 监理造价咨询1.2.一工程简况工程名称建筑面积〔m2〕构造类型层数檐高〔m〕合同总价地下地上1#楼8373.1钢筋混凝土剪力墙12163.62#楼9699.26钢筋混凝土剪力墙225753#楼9869.62钢筋混凝土剪力墙225754#楼5870.27钢筋混凝土剪力墙21134.755#楼5831.27钢筋混凝土剪力墙21134.756#楼8273.10钢筋混凝土剪力墙21134.757#楼99.26钢筋混凝土剪力墙21134.75会所9869.621钢筋混凝土框架--12.91#公建5870.27钢筋混凝土框架--13.05工程总监理工程师基础工程装饰工程屋面工程主体工程给排水工程暖通工程强弱电工程土建工程设备安装消防工程电梯工程材料设备进度控制合同理质量控制资料 / 信息理造价控制平安控制总监理工程师代表C1#车库7500.00钢筋混凝土框架框架11.05总建筑面积:60962.06㎡一地下建筑面积 10978㎡地上建筑面积 49714.06㎡。1.3.监理工程机构图、员构成1.3.1 监理工程机构图:1.3.2 监理机构组织形式和人员构成 姓 名 姓 名性性别别年龄年龄专业专业监理岗位监理岗位注册执业注册执业资格资格备注备注 1.4.承包工程组织系统总承包组织框图及主要负责人 二.工程工程进度控制工作 2.1 本月施工进度统计月形象进度情况如下:栋名称形象进度及部位备 注1#楼方案进度3 层〔5.78~8.78m〕墙柱钢筋绑扎附着式脚手架搭设实际进度2 层顶板 5.78m 混凝土浇筑2#楼方案进度设备夹层顶板〔-0.12m〕楼板混凝土浇筑地下室外侧未回填实际进度设备夹层顶板〔-0.12m〕楼板混凝土浇筑3#楼方案进度地下 1 层〔-2.20m〕顶板钢筋绑扎地下室外侧未回填实际进度地下 1 层〔-2.20m〕顶板支模4#楼方案进度2 层(2.78~5.78m)墙柱混凝土浇筑实际进度2 层(2.78~5.78m)墙柱混凝土浇筑5#楼方案进度1 层顶板(2.78m)顶板混凝土浇筑实际进度1 层顶板(2.78m)钢筋绑扎6#楼方案进度设备夹层顶板(-0.12m)混凝土浇筑实际进度设备夹层顶板(-0.12m)混凝土浇筑7#楼方案进度设备夹层〔-0.12m〕楼板混凝土浇筑工程经理: 执行经理:技术负责人:技术部:工程部〔钢筋〕:工程部〔土建〕: 机电部:资料员::测放部:质检部:材料组:栋名称形象进度及部位备 注实际进度设备夹层〔-2.2~-0.12m〕墙柱钢筋绑扎1#公建方案进度地下室顶板(-1.70m)支模实际进度地下室墙柱混凝土浇...

1、当您付费下载文档后,您只拥有了使用权限,并不意味着购买了版权,文档只能用于自身使用,不得用于其他商业用途(如 [转卖]进行直接盈利或[编辑后售卖]进行间接盈利)。
2、本站所有内容均由合作方或网友上传,本站不对文档的完整性、权威性及其观点立场正确性做任何保证或承诺!文档内容仅供研究参考,付费前请自行鉴别。
3、如文档内容存在违规,或者侵犯商业秘密、侵犯著作权等,请点击“违规举报”。

碎片内容

某地块住宅项目一期工程监理月报

确认删除?
VIP
微信客服
  • 扫码咨询
会员Q群
  • 会员专属群点击这里加入QQ群
客服邮箱
回到顶部