电脑桌面
添加小米粒文库到电脑桌面
安装后可以在桌面快捷访问

深基坑施工专项监理实施细则

深基坑施工专项监理实施细则_第1页
1/12
深基坑施工专项监理实施细则_第2页
2/12
深基坑施工专项监理实施细则_第3页
3/12
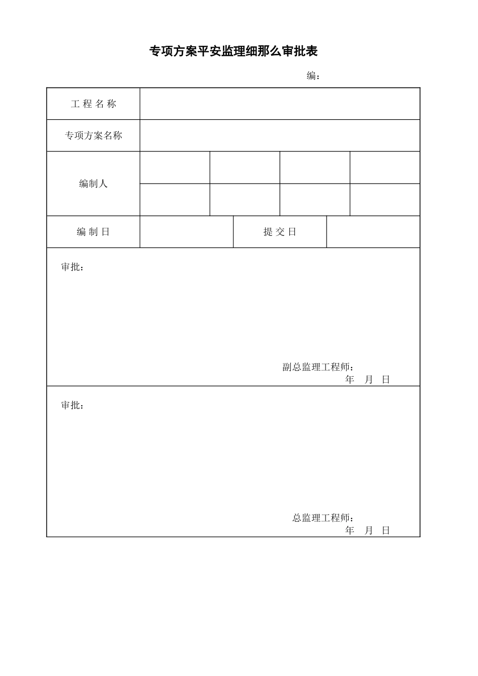
专项方案平安监理细那么审批表编:工 程 名 称专项方案名称编制人编 制 日 提 交 日 审批:副总监理工程师:年 月 日审批:总监理工程师:年 月 日备 注:目 录 一. 工程概况-----------------------------------------------------1 1. 工程概况-----------------------------------------------------1 2. 工程及深基坑情况简述-----------------------------------------1 3. 深基坑工程监理工作内容---------------------------------------24. 深基坑专项方案监理目的---------------------------------------2 5. 编制根据-----------------------------------------------------2二. 专项工程理网络及流程---------------------------------------3 1. 专项工程监理指导小组网络-------------------------------------3 2. 专项方案报审、施工流程网络-----------------------------------4三. 深基坑危险源控制---------------------------------------------5 1. 深基坑危险源分析---------------------------------------------5 2. 危险源监控措施-----------------------------------------------5四. 平安监理检查频率及内容---------------------------------------7 1. 监理对危险源控制的检查频率-----------------------------------7 2. 监理对危险源控制的检查内容-----------------------------------8五. 专项监理方案的旁站-------------------------------------------8 1. 旁站监理的工程工程-------------------------------------------8 2. 旁站监理的工作内容-------------------------------------------8 3. 旁站监理的工作程序-------------------------------------------9 六. 相关平安监理资料及表式---------------------------------------9深基坑施工专项监理施行细那么 一.工程概况 1.工程概况 1) 工程名称:2) 工程:3) 建筑面积:4) 构造类型:( 地下层、地上层)5) 建立:6) 设计:7) 监理:8) 勘探:9) 施工: 土方分包: 2.工程及深基坑情况简述 (根据设计图纸、施工方案或施工组织设计编写 300~400 字 1.应包含基坑的深度、围护的形式、支撑的形式和层数;2.同时应说明地质地貌情况、周边线、道路和构(建)筑物状况;3.挖、运土的方式。) 3.深基坑工程监理工作内容 基坑工程监理工作内容包括:支护构造(含边坡)、基底加固、围...

1、当您付费下载文档后,您只拥有了使用权限,并不意味着购买了版权,文档只能用于自身使用,不得用于其他商业用途(如 [转卖]进行直接盈利或[编辑后售卖]进行间接盈利)。
2、本站所有内容均由合作方或网友上传,本站不对文档的完整性、权威性及其观点立场正确性做任何保证或承诺!文档内容仅供研究参考,付费前请自行鉴别。
3、如文档内容存在违规,或者侵犯商业秘密、侵犯著作权等,请点击“违规举报”。

碎片内容

深基坑施工专项监理实施细则

不二商店+ 关注
实名认证
内容提供者

我是你的不二选择

相关文档

确认删除?
VIP
微信客服
  • 扫码咨询
会员Q群
  • 会员专属群点击这里加入QQ群
客服邮箱
回到顶部