电脑桌面
添加小米粒文库到电脑桌面
安装后可以在桌面快捷访问

施工机械设备配备材料投入计划及来源

施工机械设备配备材料投入计划及来源_第1页
1/5
施工机械设备配备材料投入计划及来源_第2页
2/5
施工机械设备配备材料投入计划及来源_第3页
3/5
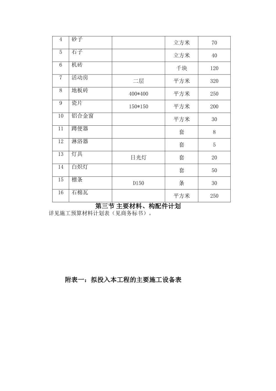
施工机械设备配备、材料投入计划及来源施工机械设备配套能力强是我单位的一大优势,且大多数设备为近年新购进装备,机况良好,一经中标可立即进场投入使用。为了确保本工程机械设备及设施料的保障,除严格依据本企业质量、环境、职业健康安全兼容管理体系中程序文件、作业指导书做好物资机械的质量保障外,拟实行以下措施:⑴ 建立精干有力的机构,项目部设立机械物资部,该部设机械保障员一名,责成本单位机械经租公司,精选机况良好的机械设备上场,把该工程机械保障作为重中之重,优先予以保障。⑵ 结合 GB/T19001-2000 质量体系标准宣贯执行,严格根据本单位施工设备控制程序、检验、测量和试验设备的控制程序展开机械设备的质量保证工作,确保各类机械进得来、用得好。⑶ 注重施工设备的使用与维护:施工设备的操作必须定人、定机、定责、定管理,大型及特别施工设备必须由持证人员操作,设备使用、维护人员均由专业技术人员负责,依程序文件按时填写设备运转报告单、工程项目设备运转报表,以便机械物资部及上级租公司随时掌握设备状态。第一节主要机具设备的配备一、主要机械、设备选配1.1 机械设备的选择机械设备的选择和供应是确保该工程施工进度和施工质量的重要环节,根据工程的特点、施工部署及进度计划,对本工程主要施工机械作如下选择:1 土方机械室内外土方回填,配置装载机 7 台,蛙式或立式夯实机 24 台;土方运输配置自卸汽车 20 辆。⑵ 垂直运输机械塔式起重机:本工程安装 6 台塔式起重机,位置见平面图所示,塔式起重机臂幅为 45m(QTZ63F)。施工电梯:6 台。快速提升机:4 台。⑶ 砼机械砂浆搅拌机械:采纳 6 台 JD305 搅拌机,6 台自动配料机。砼运输机械:现场设砼输送泵 8 台(1 台备用),砼布料机 7 台。⑷ 钢筋机械本工程钢筋量较大,钢筋机械宜按两套配置。钢筋连接机械:2 台闪光对焊机,2 套直螺纹钢筋连接机械。钢筋加工常规的机械:钢筋切断机、弯曲机各 3 台,调直机 2 台。⑸ 其余各机械设备的选择已在本文《施工方案》中已给予叙述,在机械设备配备时请查阅该章节有关内容,此处不再赘述。其它机械详见主要机械需用量计划。二、机械设备供应计划:详见下表《机械设备供应计划表》⑴ 主要机械设备供应计划表详见后附表格,所有机械均为公司自有机械。第二节 主要临时设施材料计划序号名 称规 格单 位数 量1水泥32.5吨82水泥粉刷用吨263白灰球墨灰吨164砂子立方...

1、当您付费下载文档后,您只拥有了使用权限,并不意味着购买了版权,文档只能用于自身使用,不得用于其他商业用途(如 [转卖]进行直接盈利或[编辑后售卖]进行间接盈利)。
2、本站所有内容均由合作方或网友上传,本站不对文档的完整性、权威性及其观点立场正确性做任何保证或承诺!文档内容仅供研究参考,付费前请自行鉴别。
3、如文档内容存在违规,或者侵犯商业秘密、侵犯著作权等,请点击“违规举报”。

碎片内容

施工机械设备配备材料投入计划及来源

您可能关注的文档

确认删除?
VIP
微信客服
  • 扫码咨询
会员Q群
  • 会员专属群点击这里加入QQ群
客服邮箱
回到顶部