电脑桌面
添加小米粒文库到电脑桌面
安装后可以在桌面快捷访问

楼聚苯颗粒外墙内保温施工方案

楼聚苯颗粒外墙内保温施工方案_第1页
1/6
楼聚苯颗粒外墙内保温施工方案_第2页
2/6
楼聚苯颗粒外墙内保温施工方案_第3页
3/6
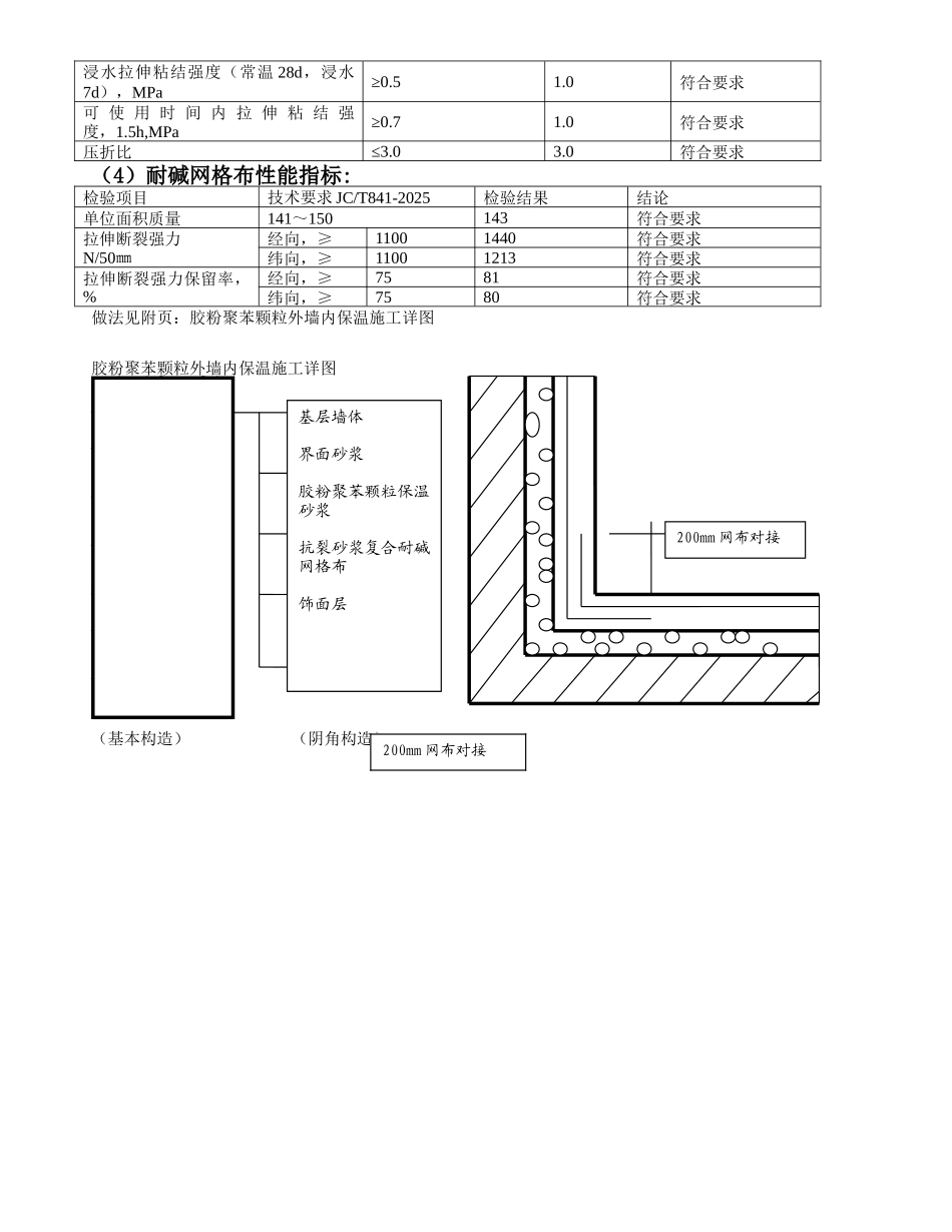
目 录1、编制依据 ……………………………………………………………12、工程主要采纳的技术标准法律规范 ……………………………………13、工程概况 ………………………………………………………………24、施工准备 ………………………………………………………………25、相关技术参数 …………………………………………………………26、现场施工 ………………………………………………………………67、质量保障体系 ………………………………………………………88、成品保护 ……………………………………………………………99、安全保障措施 ………………………………………………………10一、编制依据(一)中海曲江花园 B 地块二期二区工程设计图纸(二)国家、行业、省市有关安全生产,文明施工标准的管理有关规定。二、工程主要采纳的技术标准法律规范:(一)《建筑工程施工验收统一标准》 GB50300-2001(二)《外墙内保温建筑构造图集》 03J122(三)中华人民共和国行业标准,外墙外保温工程技术规程 JGJ144-2025(四)建筑装饰装修工程施工及验收法律规范 GB50210-2001(五)建筑施工安全检查标准 JGJ59-99(六)公共建筑节能设计标准 GB50189-2025(七)胶粉聚苯外墙外保温系统 JG158-2025(八)建筑节能工程施工质量验收法律规范 GB50411-2025三、工程概况:中海曲江花园 B 地块二期二区工程是由中海鼎业(西安)房地产有限公司投资兴建,本工程建于西安市南部曲江新区,基地西临芙蓉东路,南临曲江池北路,东侧为黑河管道绿化带,西北角与唐城墙遗址公园相接,.该工程由 7#、8#楼,剪力墙结构,地下两层,地上 34 层,总建筑面积 68898.68 平方米,建筑总高度 98.60m。施工图中国中元国际工程公司设计。本工程采暖与非采暖房间图纸设计保温为胶粉聚苯颗粒,故本工程采暖与非采暖房间外墙的内侧采纳 20 厚胶粉聚苯颗粒保温体系。四、施工准备(一)开工前,从项目经理、技术人员至施工班组须仔细熟悉图纸,记录图中的难点、疑点。(二)组织施工材料和人员进场就位。材料进场后应堆放于阴凉,干燥的仓库,以保材料质量不发生改变。组织监理及相关人员做好见证取样及验收工作。五、相关技术参数 (1)界面砂浆界面砂浆是由高分子聚合物与助剂配制成的界面剂与水泥和中砂按一定比例拌合均匀制成的砂浆。施工在墙体上加强墙体和保温层之间的粘结力,可代替墙体表面的凿毛工序,提高工程质量。界面砂浆性能指标:检...

1、当您付费下载文档后,您只拥有了使用权限,并不意味着购买了版权,文档只能用于自身使用,不得用于其他商业用途(如 [转卖]进行直接盈利或[编辑后售卖]进行间接盈利)。
2、本站所有内容均由合作方或网友上传,本站不对文档的完整性、权威性及其观点立场正确性做任何保证或承诺!文档内容仅供研究参考,付费前请自行鉴别。
3、如文档内容存在违规,或者侵犯商业秘密、侵犯著作权等,请点击“违规举报”。

碎片内容

楼聚苯颗粒外墙内保温施工方案

您可能关注的文档

确认删除?
VIP
微信客服
  • 扫码咨询
会员Q群
  • 会员专属群点击这里加入QQ群
客服邮箱
回到顶部