电脑桌面
添加小米粒文库到电脑桌面
安装后可以在桌面快捷访问

河北省工程造价咨询服务收费标准VIP专享

河北省工程造价咨询服务收费标准_第1页
1/4
河北省工程造价咨询服务收费标准_第2页
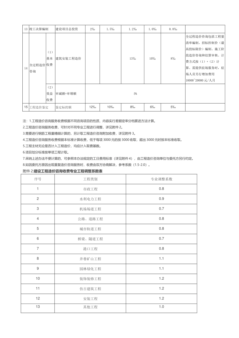
2/4
河北省工程造价咨询服务收费标准_第3页
3/4
《河北省工程造价咨询服务收费管理暂行办法》1第一条 为法律规范工程造价咨询服务收费行为,维护当事人的合法权益,促进工程造价咨询行业的健康进展,根据《中华人民共和国价格法》(主席令第 92 号)、《工程造价咨询企业管理办法》(建设部令第 149 号)、《河北省建筑工程造价管理办法》(省政府令[2025]8 号)及《中价协关于法律规范工程造价咨询服务收费的通知》(中价协[2025]35号)及有关法律、法规、规章,结合我省实际,制定本办法。2第二条依法设立具有工商行政管理部门核发的《企业法人营业执照》,并取得建设行政主管部门《工程造价咨询企业资质证书》的企业,应根据《建设工程造价咨询合同(示范文本)》与委托方签订咨询合同,并在承接工程造价咨询业务时向委托方收取工程造价咨询服务费。3第三条工程造价咨询服务收费是指工程造价咨询企业接受社会委托,从事投资估算、经济评价、概算编制与审核、预算编制与审核、工程量清单编制与审核、招标控制价(最高投标限价)编制与审核、施工阶段造价咨询、结算编制与审核、全过程造价咨询服务、工程造价鉴定等与工程造价业务有关的咨询服务,并出具工程造价咨询成果文件等业务活动所收取的费用。4第四条工程造价咨询服务应当遵循公平公正、诚实守信、自愿有偿、委托方付费的原则(法律、法规另有规定的除外)。5第五条工程造价咨询企业应遵守国家法律、法规和有关标准,并应严格根据行业的执业准则、管理法律规范、操作规程、造价咨询成果文件质量标准等提供质量合格的服务。6第六条工程造价咨询企业因提交的工程造价咨询成果文件达不到合同规定的要求或质量标准,应负责修改完善,委托方不应另行支付咨询服务费。7第七条工程造价咨询合同履行过程中,由于委托方或工程造价咨询企业失误造成对方损失或达不到合同约定要求的,应按双方合同约定的相应条款予以赔偿。8第八条 《河北省建设工程造价咨询服务项目收费标准》为基准价格,上下浮动幅度为20%,具体收费金额由工程造价咨询企业与委托方根据咨询项目的难易程度等具体情况,在规定的基准价格和浮动幅度内协商确定。9第九条 河北省建筑市场进展讨论会应引导工程造价咨询企业诚信经营,指导会员单位加强自律,对恶意降低服务费,降低服务质量,扰乱正常市场秩序的工程造价咨询企业实行以下措施:(一)约谈;(二)警告;(三)记入信用档案,通过河北省建筑市场进展讨论会网站、内刊、简报等形式通报;(四)取消评选或推举先进...

1、当您付费下载文档后,您只拥有了使用权限,并不意味着购买了版权,文档只能用于自身使用,不得用于其他商业用途(如 [转卖]进行直接盈利或[编辑后售卖]进行间接盈利)。
2、本站所有内容均由合作方或网友上传,本站不对文档的完整性、权威性及其观点立场正确性做任何保证或承诺!文档内容仅供研究参考,付费前请自行鉴别。
3、如文档内容存在违规,或者侵犯商业秘密、侵犯著作权等,请点击“违规举报”。

碎片内容

河北省工程造价咨询服务收费标准

雏圣文化+ 关注
实名认证
内容提供者

欢迎光临,大量办公文档供您挑选。

确认删除?
VIP
微信客服
  • 扫码咨询
会员Q群
  • 会员专属群点击这里加入QQ群
客服邮箱
回到顶部