电脑桌面
添加小米粒文库到电脑桌面
安装后可以在桌面快捷访问

物料提升机安装施工方案

物料提升机安装施工方案_第1页
1/10
物料提升机安装施工方案_第2页
2/10
物料提升机安装施工方案_第3页
3/10
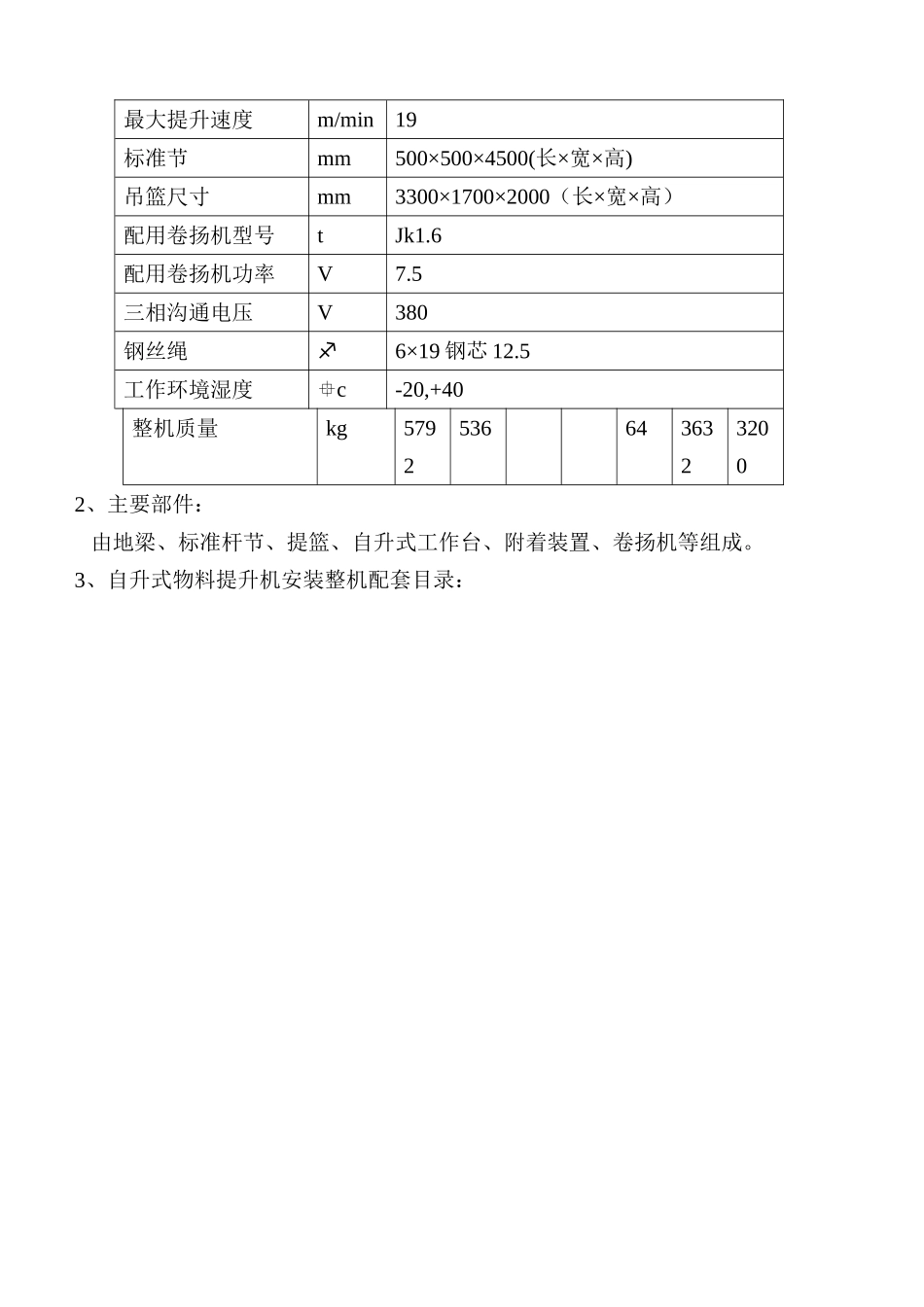
物料提升机安装施工方案一、 编制依据: 1. 国家的法律、法规、标准、条例及省市的各项管理规定。 2.《建筑卷扬机安全规程》 GB13329-91 3.《龙门架及井字架物料提升机安全技术法律规范》 JGJ88-92 4. 施工组织设计及施工图纸二、 工程概况:本工程为保定市英华肠衣有限公司综合楼,工程位于保定市英华肠衣有限公司厂区内,建筑面积 6180.4㎡,本工程地上六层,一层层高为 3.9M,2—4 层层高均为3.7M,五层层高 3.9M,六层至钢结构顶面高 4M。楼长 61M ,楼宽 15.5M,檐高22.9M。室内外高差为 0.6M。基础为砼独立基础,结构类型为框架结构。三、施工部署:(一)、安装位置:本综合楼采纳自升式物料提升机一台,详见下图,其位于综合楼南侧接近中部位置,物料提升机用主体及装饰工程运输物料,安装高度 24 m。 (二)、 人员组成及职责:作业人员组成:作业人员为专业施工人员。(三)、 提升机的主要技术参数、部件及安装整机配套目录:1、提升机主要技术参数:最大安装高度m42393633302724最大提升高度m39363330272421额定起重量Kg12001500最大提升速度m/min19标准节mm500×500×4500(长×宽×高)吊篮尺寸mm3300×1700×2000(长×宽×高)配用卷扬机型号t Jk1.6配用卷扬机功率V7.5三相沟通电压V 380钢丝绳6×19 钢芯 12.5工作环境湿度c -20,+40整机质量kg579253664363232002、主要部件: 由地梁、标准杆节、提篮、自升式工作台、附着装置、卷扬机等组成。3、自升式物料提升机安装整机配套目录:(四)、荷载统计:1. 吊盘和吊物重力 G =Q+q(包括索具等),Q:起吊物体重量:1000kg,q:吊盘自重:q=600kg,G=1000kg+600kg=1600kg=15680N2. 提吊重物的滑轮组引起的钢丝绳拉力 S:S=f0[K(Q+q)]f0:滑轮组引出拉力计算系数查《施工计算手册》取 1.54k:动力系数起吊 5T 以下的卷扬机取 1,S=1.54[1×15680]=24147.2N3. 龙门架自重 G=0.6KN/m4. 风荷载:W=k1k2WW0/βAF,k1——风荷载体型系数 K1=Kp(1+η)其中:KP=KΦ,K:动力系数取 1.2,Φ:挡风系数 Φ=∑Ac/AF, Ac:提升架投影面积:序号部件名称数量单位名称数量明细单1载荷物料提篮1件2升降工作台1件3工作台起吊盘2件m20×458 套螺 栓 、 螺母 、 平 垫 、弹簧垫4工作台手摇卷扬机9.3mm钢丝绳20m条10#U 型钢卡4 套钢 丝 绳 两 端锁紧5工作台安全护栏4组6升降标准节提吊杆1件m20×4564 套螺 栓 、 螺母 、 平 垫 ...

1、当您付费下载文档后,您只拥有了使用权限,并不意味着购买了版权,文档只能用于自身使用,不得用于其他商业用途(如 [转卖]进行直接盈利或[编辑后售卖]进行间接盈利)。
2、本站所有内容均由合作方或网友上传,本站不对文档的完整性、权威性及其观点立场正确性做任何保证或承诺!文档内容仅供研究参考,付费前请自行鉴别。
3、如文档内容存在违规,或者侵犯商业秘密、侵犯著作权等,请点击“违规举报”。

碎片内容

物料提升机安装施工方案

确认删除?
VIP
微信客服
  • 扫码咨询
会员Q群
  • 会员专属群点击这里加入QQ群
客服邮箱
回到顶部