电脑桌面
添加小米粒文库到电脑桌面
安装后可以在桌面快捷访问

空调冷热源方案价值分析

空调冷热源方案价值分析_第1页
1/6
空调冷热源方案价值分析_第2页
2/6
空调冷热源方案价值分析_第3页
3/6
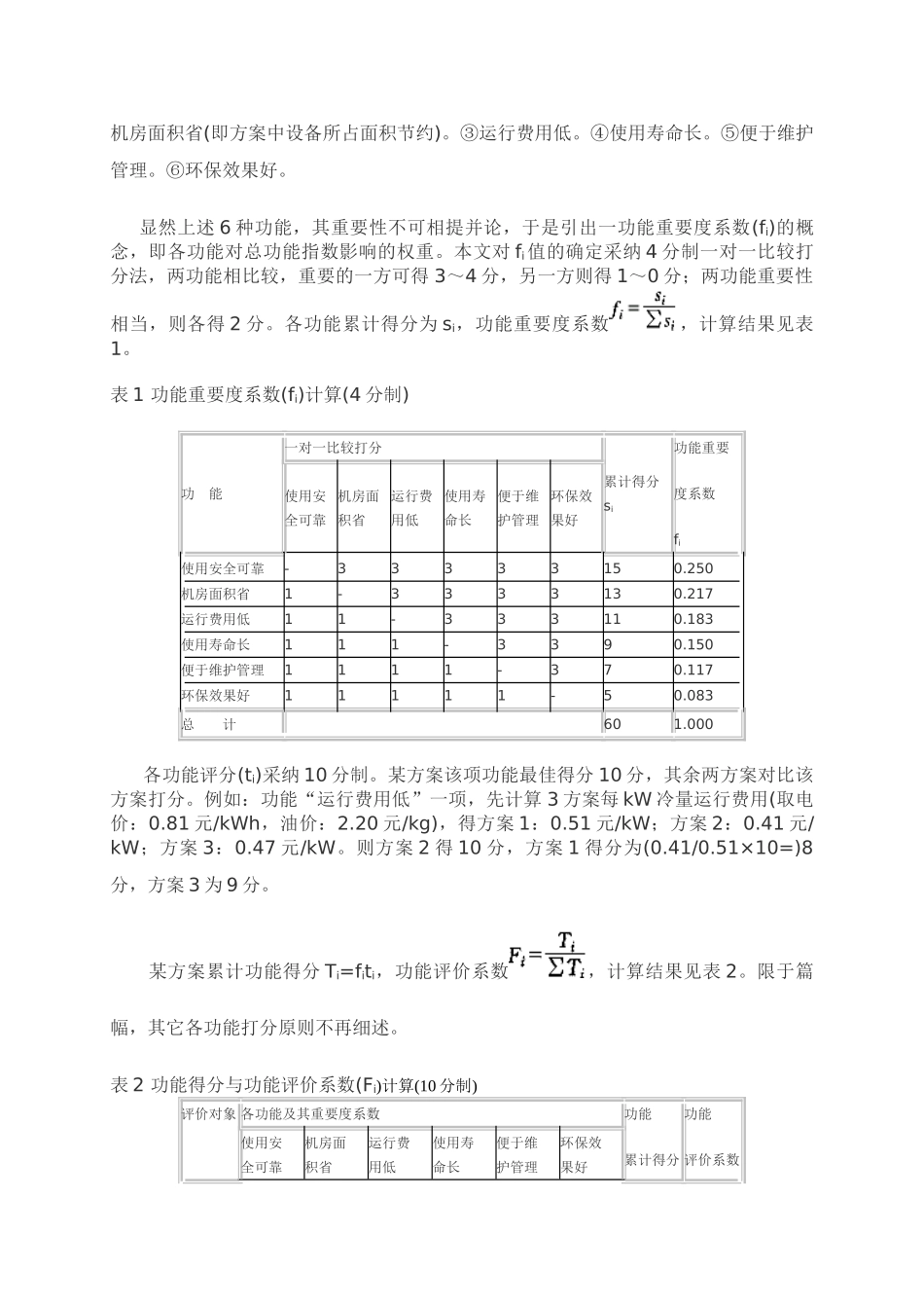
1 问题的提出 随着我国改革开放的迅速进展,空调技术日新月异,尤其是市场经济促使空调设备得到了空前的进展,各种新技术、新设备层出不穷。具体到空调冷热源系统,各种型式的电制冷机组、溴化锂吸收式机组、热泵机组、蓄冷设备等,品种繁多,各有特色。设计人员在决定制冷站冷热源方案时,有了更多选择余地。但雾里看花,何种方案技术经济性最优,让人日感困惑。各设备厂家力争市场,在推销自己的产品的同时,也提供一些产品技术经济比较资料,但往往是各持一端,仅可参考,不足为据。采纳价值分析的方法,客观、全面、直观地综合评价各种方案的技术经济性,以辅助设计人员及用户决策,显然是很有益处的。2 价值工程原理 价值工程,是运用集体智慧和有组织的活动,着重对产品进行功能分析,使之以最低的成本,可靠地实现产品必要的功能,从而提高产品价值的一套科学的技术经济分析方案。这里的价值(V)是功能(F)和实现这一功能所耗费的成本(C)的比值,即V=F/C。 设计方案及依据这一方案建成的工程可以看成一种产品,它有自己的功能和成本。可以对其进行功能分析和成本分析,不同的方案达到的功能和造价各不相同,何种方案价值最高,即具有最佳的功(功能)价(造价)比,可以利用价值工程进行推断。 对空调制冷站冷热源方案进行功能分析、成本分析,计算不同方案的价值指数(Vi),取其最大值为最佳方案,正是本文用以优化及抉择冷热源方案的方法。以下以一具体工程实例来论述这一方法。 该实例为长沙某工程制冷站,要求供冷量 2 326 kW,供热量 1 395 kW。现对如下 3 种方案进行价值分析,以确定最佳方案: 方案 1:采纳风冷热泵机组。 方案 2:采纳水冷离心式冷水机组供冷,燃油热水机组供热。 方案 3:采纳溴化锂直燃机。3 功能分析及功能指数的计算 功能是对象能够满足某种要求的一种属性。就冷热源方案进行功能分析,其功能可大致归纳为:①使用安全、可靠(即安全、可靠地提供满足工程要求的冷量、热量)。②机房面积省(即方案中设备所占面积节约)。③运行费用低。④使用寿命长。⑤便于维护管理。⑥环保效果好。 显然上述 6 种功能,其重要性不可相提并论,于是引出一功能重要度系数(fi)的概念,即各功能对总功能指数影响的权重。本文对 fi值的确定采纳 4 分制一对一比较打分法,两功能相比较,重要的一方可得 3~4 分,另一方则得 1~0 分;两功能重要性相当,则各得 2 分。各功能累计得分为 si,功能重要度系...

1、当您付费下载文档后,您只拥有了使用权限,并不意味着购买了版权,文档只能用于自身使用,不得用于其他商业用途(如 [转卖]进行直接盈利或[编辑后售卖]进行间接盈利)。
2、本站所有内容均由合作方或网友上传,本站不对文档的完整性、权威性及其观点立场正确性做任何保证或承诺!文档内容仅供研究参考,付费前请自行鉴别。
3、如文档内容存在违规,或者侵犯商业秘密、侵犯著作权等,请点击“违规举报”。

碎片内容

空调冷热源方案价值分析

确认删除?
VIP
微信客服
  • 扫码咨询
会员Q群
  • 会员专属群点击这里加入QQ群
客服邮箱
回到顶部