电脑桌面
添加小米粒文库到电脑桌面
安装后可以在桌面快捷访问

房屋建筑单元工程质量检查评定表剖析

房屋建筑单元工程质量检查评定表剖析_第1页
1/7
房屋建筑单元工程质量检查评定表剖析_第2页
2/7
房屋建筑单元工程质量检查评定表剖析_第3页
3/7
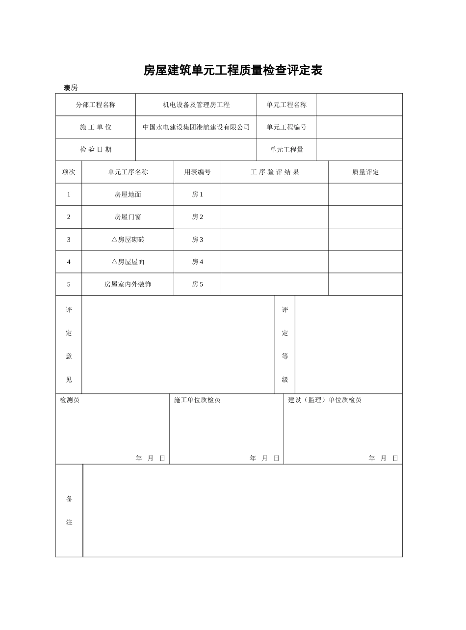
房屋建筑单元工程质量检查评定表表房分部工程名称机电设备及管理房工程单元工程名称施 工 单 位中国水电建设集团港航建设有限公司单元工程编号检 验 日 期单元工程量项次单元工序名称用表编号工 序 验 评 结 果质量评定1房屋地面房 12房屋门窗房 23△房屋砌砖房 34△房屋屋面房 45房屋室内外装饰房 5评定意见评定等级检测员年 月 日施工单位质检员年 月 日建设(监理)单位质检员年 月 日备注房屋地面单元工程质量评定表房—1单位工程名称输水管道工程(XZ0+000~18+864.779)单元工程名称、部位检验日期年 月 日分部工程名称机电设备及管理房工程单元工程量核定日期 年 月 日项次检 查 项 目质 量 标 准检 验 记 录评定1地面类型符合设计,所用材料符合国家标准2水泥或细石面层密实、平整、光洁,无裂纹、脱皮、起砂3水磨石面层石粒密实,显露均匀,表面光滑,分格清楚,无裂纹4面层与基层结合无空鼓现象项次检测项目允 许 偏 差 (mm)实 测 值总测点数合格数(点)合格率(%)水泥砂浆水磨石细石砼预制板123456789101表面平整度42522缝格平直3223踢脚线上口平直43434接缝高差///1共检测 点,其中合格 点,合格率 %施工单位自评意见自评质量等级项目法人(监理单位)复核意见核定质量等级施工单位名称项目法人(监理单位)名 称测 量 员初检负责人终检负责人核 定 人注:1、检测日期为终检日期,由施工单位负责填写; 2、核定日期由项目法人(监理单位)负责填写。房屋门窗单元工程质量评定表房—2单位工程名称输水管道工程(XZ0+000~18+864.779)单元工程名称、部位检验日期年 月 日分部工程名称机电设备及管理房工程单元工程量核定日期年 月 日项次检 查 项 目质 量 标 准检 验 记 录评定1门窗品种、规格符合设计要求,制作质量符合国家标准 2门窗安装牢固,框与墙体间缝隙嵌填密实,无变形,开关灵活,无回弹,无卡阻3玻璃安装安装牢固,压条平直,油灰饱满、光滑,宽度一致,无裂纹,无钉子、卡子外露项次检 测 项 目设计值允许偏差(mm)实 测 值总测点数合格数(点)合格率(%)123456789101框垂直度32框对角线长度差3共检测 点,其中合格 点,合格率 %施工单位自评意见自评质量等级项目法人(监理单位)复核意见核定质量等级施工单位名称项目法人(监理单位)名 称测 量 员初检负责人终检负责人核 定 人注:1、检测日期为终检日期,由施工单位负责填写; 2、核定...

1、当您付费下载文档后,您只拥有了使用权限,并不意味着购买了版权,文档只能用于自身使用,不得用于其他商业用途(如 [转卖]进行直接盈利或[编辑后售卖]进行间接盈利)。
2、本站所有内容均由合作方或网友上传,本站不对文档的完整性、权威性及其观点立场正确性做任何保证或承诺!文档内容仅供研究参考,付费前请自行鉴别。
3、如文档内容存在违规,或者侵犯商业秘密、侵犯著作权等,请点击“违规举报”。

碎片内容

房屋建筑单元工程质量检查评定表剖析

一二三四传媒+ 关注
实名认证
内容提供者

大量资料供您选择,没有合适的可以联系小二。

相关文档

确认删除?
VIP
微信客服
  • 扫码咨询
会员Q群
  • 会员专属群点击这里加入QQ群
客服邮箱
回到顶部