电脑桌面
添加小米粒文库到电脑桌面
安装后可以在桌面快捷访问

25米梁场建设方案

25米梁场建设方案_第1页
1/7
25米梁场建设方案_第2页
2/7
25米梁场建设方案_第3页
3/7
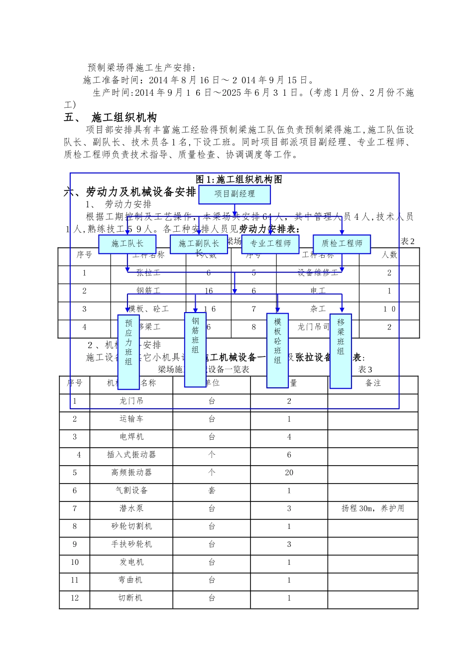
济南至徐州公路济宁至鱼台(鲁苏界)段J XLQ-5 标段25m 预制箱梁梁场建设方案一、工程概况济南至徐州公路济宁至鱼台(鲁苏界)段 JX L Q-5 标段全长 19、758 公里,起讫里程 K91+40 0~K111+15 8、1 54,全线位于济宁市鱼台县境内。本标段共有桥梁上部结构采纳 25、30、3 5m预制箱梁,共有 25 米预制箱梁 32 0片,30 米预制箱梁 16 0 片、3 5 m 预制箱梁 160 片。二、工程数量预制箱梁工程数量统计见表 1:表 1 预制箱梁工程数量统计序号中心桩号桥名斜交角(度)类型备注25 米ﻫ(片)3 0 米(片)35 米(片)1K9 3+667、0鱼清河大桥90 1 76242K 98+0 1 0、5白马河大桥90 1443K100+940、0惠河大桥90 12 04K 1 05+181、5分离立交70 245K 1 0 5+6 38、0幸福河大桥100 4 06K1 08+825、0东鱼河大桥9 0 11 27合计32 0 16 0 160 三、梁场规划根据本标段预制箱梁跨径及分布情况,结合沿线实地考察及实际情况,为满足工期要求,将预制箱梁安排两个梁场负责全线得预制板梁施工任务,考虑到预制梁得架设运输情况,1#箱梁预制场负责 25m 箱梁施工任务,2#箱梁预制场负责 3 0、3 5m箱梁得施工任务。本方案为 1#箱梁预制场得建设方案。1#梁场场址设置在主线 K95+9 50-K 9 6+42 0段路基上,其中在K 96+2 6 9 处有一个 10 米得预制空心板通道,计划先做好桥台后做便桥,为箱梁得运输做好通道。1#箱梁预制场规划长度 470 m(有效长度4 50 米,去掉通道区域内 20 米)、宽34m,占地面积 159 80平米,分预制区、存梁区,钢筋加工区、生活区部分;梁场内共设置预制梁台座 15 个,存量区 5 排台座,按双层存梁,可存梁 5*2*5=5 0片。场地规划布置详见附图1:1#预制场位平面布置图。四、 施工计划安排 本梁场共设置制梁台座 15 个,单个台座长以 25m 梁控制,以台座中心线为基准控制起吊位置及台座反拱线,配置标准模板4套,非正交得以横隔板为中心,制作非标准节与标准模板配套使用,减少模板投入,具体模板配置在《预制梁施工方案》中详细说明。单个台座根据 1 0天1个循环,本1#梁场每月按完成 4 5片,计划 9 个月完成生产任务(其中 2 个月不考虑冬季施工)。 预制梁场得施工生产安排: 施工准备时间:2014 年 8 月 16 日~2 014 年 9 月 15 日。 生产时间:2014 年 9 月16日~2025 年 6 月3 1 日。(考...

1、当您付费下载文档后,您只拥有了使用权限,并不意味着购买了版权,文档只能用于自身使用,不得用于其他商业用途(如 [转卖]进行直接盈利或[编辑后售卖]进行间接盈利)。
2、本站所有内容均由合作方或网友上传,本站不对文档的完整性、权威性及其观点立场正确性做任何保证或承诺!文档内容仅供研究参考,付费前请自行鉴别。
3、如文档内容存在违规,或者侵犯商业秘密、侵犯著作权等,请点击“违规举报”。

碎片内容

25米梁场建设方案

您可能关注的文档

确认删除?
VIP
微信客服
  • 扫码咨询
会员Q群
  • 会员专属群点击这里加入QQ群
客服邮箱
回到顶部