电脑桌面
添加小米粒文库到电脑桌面
安装后可以在桌面快捷访问

6层电梯程序设计

6层电梯程序设计_第1页
1/26
6层电梯程序设计_第2页
2/26
6层电梯程序设计_第3页
3/26
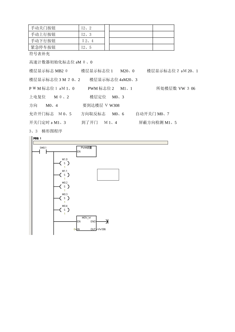
(课程设计说明书(2 0 1 4/2 0 1 5 学年第 二 学期)课程名称 : 可编程控制器课程设计 题 目 :6层电梯控制系统程序设计 2 专业班级 : 电气工程及其自动 化 班 学生姓名 : 学 号: 指导老师 : 刘增环、岑毅南、李兵等 设计周数 : 两周 设计成绩 : 2025 年 6 月 2 6 日一、设计目得1、对 PLC 与变频器等硬件部分进行比较简单选型设计;2、编写 I/O 地址分配表;3、编写P LC 得程序,并利用实验室设备进行系统得模拟实验;4、对课程设计进行总结,撰写课程设计说明书。二、设计内容1、技术要求(1)设计应符合国家相应标准;(2)设计控制系统应符合故障安全原则;(3)电梯具有维修控制功能;(4)应有楼层与方向数码显示;(5)电梯得运行应符合方向优先等原则;(6)应具有自动调整功能; 2、电梯程序设计2、1、控制要求⑴ 开始时,电梯处于任意一层。(六层电梯为-1~5层)⑵ 当有外呼梯信号到来时,轿厢响应该呼梯信号,到达该楼层时,轿厢停止运行,轿厢门打开,无人操作时,延时一定时间后自动关门。⑶ 当有内呼梯信号到来时,轿厢响应该呼梯信号,到达该层时,轿厢停止运行,轿厢门打开,无人操作时,延时一定时间后自动关门.⑷ 在电梯轿厢运行过程中,轿厢上升(或下降)途中,任何反方向下降(或上升)得外呼信号均不响应,但假如反向外呼梯信号前方无其她内、外呼梯信号时,则电梯响应该呼梯信号。例如:电梯轿厢在一楼,将要运行到五楼,在此过程中可以响应二层、三层、四层得向上呼梯信号,但不响应二层、三层、四层得向下呼梯信号。同时,假如电梯到达五层,假如六层没有任何呼梯信号,则电梯可以响应五层向下得信号。否则,电梯轿厢将继续运行至六楼,然后向下运行响应五层得向下呼梯信号.⑸ 电梯应具有最远反向外呼梯响应功能。例如,电梯轿厢在一楼,而同时有二层向下外呼梯,三层向下外呼梯,四层向下外呼梯,五层向下外呼梯,六层向下外呼梯,则轿厢先去六楼响应六层向下外呼梯信号⑹ 电梯未平层即运行时,开门按钮与关门按钮均不起作用。平层且电梯轿厢响应停止后,按开门按钮轿厢门打开,按关门按钮轿厢门关闭。2、2 PL C输入输出 I/O 口分布TVT-2 0 0 0 E 电梯模型S 7-200 主机得 I/O表PLC输入PLC输出高速计数器输入AI0、6底层内呼指示灯Q3、0高速计数器输入BI0、7一层内呼指示Q3、1底层内呼按钮I3、0二层内呼指示Q3、2一层内呼按钮I3、1三层内呼指示Q3、3二层...

1、当您付费下载文档后,您只拥有了使用权限,并不意味着购买了版权,文档只能用于自身使用,不得用于其他商业用途(如 [转卖]进行直接盈利或[编辑后售卖]进行间接盈利)。
2、本站所有内容均由合作方或网友上传,本站不对文档的完整性、权威性及其观点立场正确性做任何保证或承诺!文档内容仅供研究参考,付费前请自行鉴别。
3、如文档内容存在违规,或者侵犯商业秘密、侵犯著作权等,请点击“违规举报”。

碎片内容

6层电梯程序设计

您可能关注的文档

确认删除?
VIP
微信客服
  • 扫码咨询
会员Q群
  • 会员专属群点击这里加入QQ群
客服邮箱
回到顶部