电脑桌面
添加小米粒文库到电脑桌面
安装后可以在桌面快捷访问

人工挖孔桩专项施工方案专家评审意见回复表

人工挖孔桩专项施工方案专家评审意见回复表_第1页
1/12
人工挖孔桩专项施工方案专家评审意见回复表_第2页
2/12
人工挖孔桩专项施工方案专家评审意见回复表_第3页
3/12
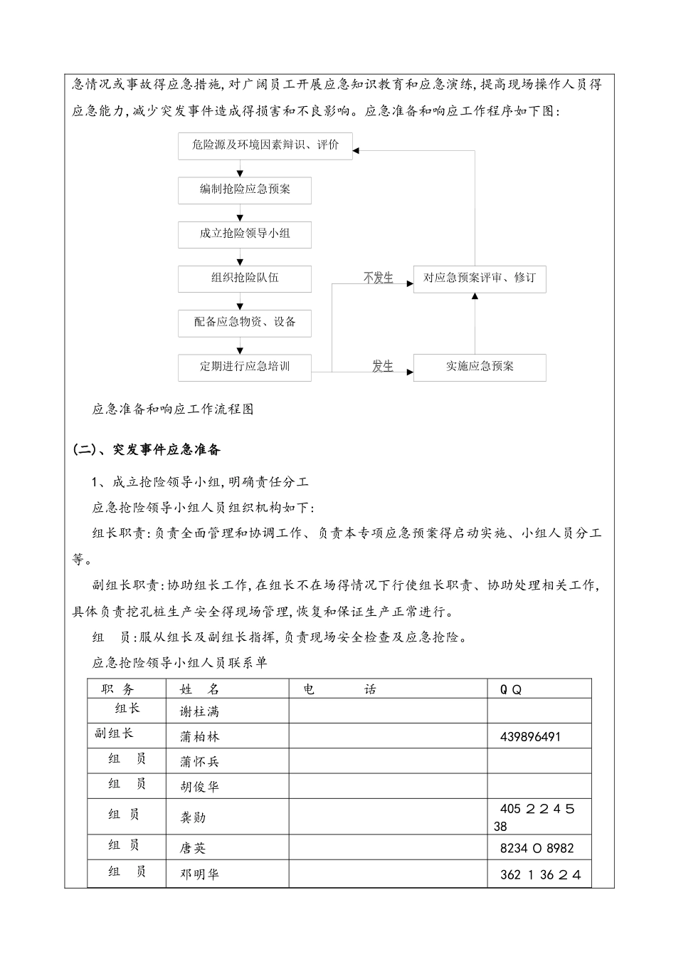
人工挖孔桩专项施工方案专家咨询意见回复表工程名称四川大学多学科交叉融合平台及艺术教育中心项目专项施工方案名称基础人工挖孔桩专项施工方案建设单位四川大学施工单位广东开平建安集团有限公司监理单位成都衡泰工程管理有限责任公司回复时间2025 年1 1 月 20 日专家咨询意见回复内容:根据 2025 年 11 月1 3 日召开得四川大学多学科交叉融合平台及艺术教育中心项目基础人工挖孔桩专项施工方案得专家论证会,专家组提出了许多宝贵得意见和建议,我司项目部技术科积极主动得根据评审团提出得意见和建议给予回复,内容如下:一、基础坑中坑开挖后测得地下水位约为-10、0 0 0 米,降水单位对基坑坡顶边 23 口降水井降水设备进行了检查,对不符合要求得机械设备进行了维修、更换,保证每口降水井能够正常降水;另外在基坑得西面另补打坑中井1~4 坑中井共4口降水井,确保地下水位至少降至桩底以下 0、5m 后方可进行开挖,补充降水井平面布置图见后附图。二、人工挖孔桩严格按设计图纸、施工法律规范进行施工。每组工人开挖 4~6 根孔桩,在施工中实行流水施工开挖得方式,并且使用带 R 早强型普通硅酸盐水泥和提高护壁砼强度等级C 25 改为 C 3 0 得方法,确保上节护壁砼强度达到设计强度得 80%以上后,方可进行下层开挖。三、补充流砂得应对措施:人工挖孔桩在复杂地层施工时,每层挖深 0、5~1、0m应用手电钻或直径不小于 16mm钢筋对孔底做品字形探查,检查孔底面以下就就是否有洞穴、涌砂等,确认安全后,方可继续进行挖掘。施工过程中,仔细留意孔内得一切动态,如发现流砂、涌水、护壁变形等不良预兆以及有异味气体时,应停止作业并迅速撤离,同时立即报告有关单位或部门,组织有关人员到现场及时进行处理。当人工挖孔桩穿过涌砂、涌水层成孔困难时,可采纳插板法开挖,并将桩孔每节开挖高度适当减少,一般以 0、3~0、5m 为宜。采纳木板或竹板条超前支挡,开挖后及时浇筑护壁砼护壁,适当增加护壁钢筋得数量和规格,增加护壁厚度等措施进行加固。如采纳方法仍无法通过时,迅速回填桩孔到能控制塌孔位置,用直径略小于护壁内径得钢护筒,采纳小型千斤顶将钢护筒压入,压入一段开挖一段,直至通过涌砂、涌水层。在处理过程中,先将周围没有涌砂、涌水桩挖深,起到汇合井作用,并及时排水。在施工中加强监测,随时掌握桩孔内地质及地下水情况,及时实行相应得措施。在施工整个阶段中,都要储备足量得施工物质材料,以保证施工连续不断实施。四、补...

1、当您付费下载文档后,您只拥有了使用权限,并不意味着购买了版权,文档只能用于自身使用,不得用于其他商业用途(如 [转卖]进行直接盈利或[编辑后售卖]进行间接盈利)。
2、本站所有内容均由合作方或网友上传,本站不对文档的完整性、权威性及其观点立场正确性做任何保证或承诺!文档内容仅供研究参考,付费前请自行鉴别。
3、如文档内容存在违规,或者侵犯商业秘密、侵犯著作权等,请点击“违规举报”。

碎片内容

人工挖孔桩专项施工方案专家评审意见回复表

确认删除?
VIP
微信客服
  • 扫码咨询
会员Q群
  • 会员专属群点击这里加入QQ群
客服邮箱
回到顶部