电脑桌面
添加小米粒文库到电脑桌面
安装后可以在桌面快捷访问

六种基本DCDC变换器拓扑结构总结

六种基本DCDC变换器拓扑结构总结_第1页
1/9
六种基本DCDC变换器拓扑结构总结_第2页
2/9
六种基本DCDC变换器拓扑结构总结_第3页
3/9
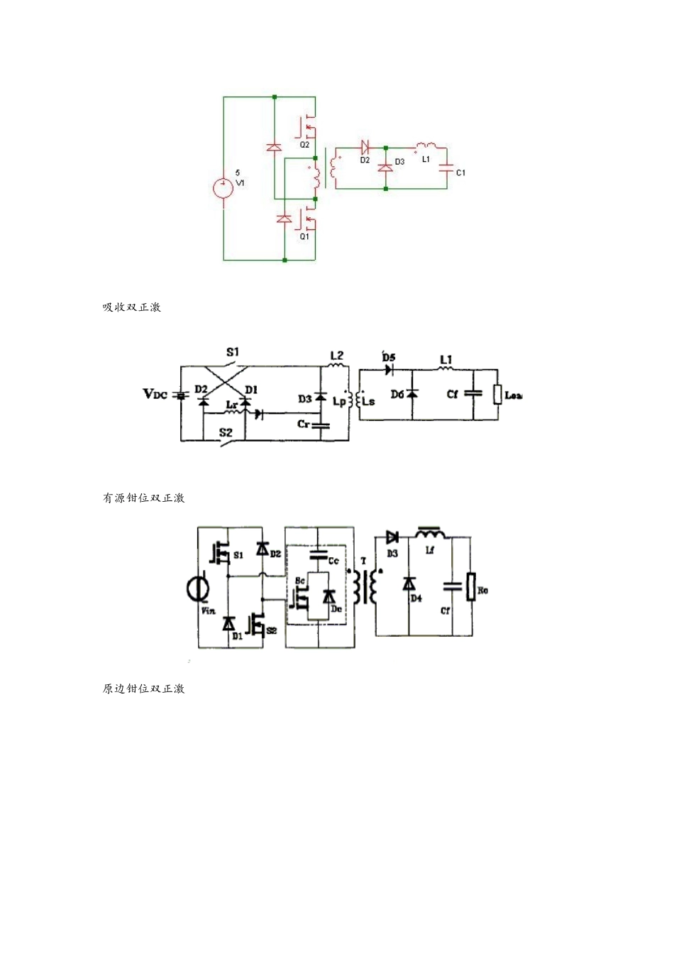
六种基本 DC/DC 变换器拓扑,依次为 buck,boost,buck-boost,cuk,zeta,sepic 变换器半桥变换器也就是双端变换器,以上就是两种拓扑。半桥开关管电压应力为输入电压、而且由于另外一个桥臂上得电容,具有抗偏磁能力,但就是对于上面一种拓扑,通常还会加隔直电容来提高抗偏磁能力、但就是假如采纳峰值电流控制,要注意一个问题,就就是有可能会导致电容安秒不平衡得问题、要需要其她方法来解决。半桥变换器可以通过不对称控制来实现 ZVS,也就就是两个管子交替导通,一个占空比为 D,另外一个就为 1-D、就就是所谓得不对称半桥,通常采纳下面一种拓扑、对于不对称半桥可以采纳峰值电流控制。J5OFFb3。iYej5U7。正激变换器绕组复位正激变换器LCD 复位正激变换器RCD 复位正激变换器有源钳位正激变换器双管正激吸收双正激有源钳位双正激原边钳位双正激软开关双正激推挽变换器无损吸收推挽变换器推挽变换器:推挽变换器就是双端变换器、其实就是两个正激变换器通过变压器耦合而来,基本推挽变换器好处就是驱动不需隔离,变压器双端磁化,只要两个开关管、但就是,变压器绕组利用率低,开关管电压应力为输入两倍,所以一般只适合低压输入得场合、而且有个问题就就是会出现偏磁,所以要采纳电流型控制等方法来避开、iQvytDg。3oDwehW。假如将两个双管正激同样耦合,可以构成四开关管得推挽变换器,也就就是所谓得双双管正激、其管子电压应力下降为输入电压、其她等同、 QrHmtyt。YqG2AJQ。推挽正激就是最近出现得一种新拓扑,通过一个电容来解决变换器漏感尖峰,偏磁等问题、在 VRM 中有应用、半桥变换器也就是双端变换器,以上就是两种拓扑、半桥开关管电压应力为输入电压、而且由于另外一个桥臂上得电容,具有抗偏磁能力,但就是对于上面一种拓扑,通常还会加隔直电容来提高抗偏磁能力、但就是假如采纳峰值电流控制,要注意一个问题,就就是有可能会导致电容安秒不平衡得问题、要需要其她方法来解决、uLJLCeS。bY2u5Ty。半桥变换器可以通过不对称控制来实现 ZVS,也就就是两个管子交替导通,一个占空比为 D,另外一个就为 1-D、就就是所谓得不对称半桥,通常采纳下面一种拓扑、对于不对称半桥可以采纳峰值电流控制、iLzyB4l。pgZQPII。全桥变换器全桥变换器在大功率场合就是最常用了,特别就是移项 ZVS 与 ZVZCS 接下去,会收集一些三电平变换器贴出来,在以后就给出 boost 族得 隔离变换器、、、、反激变换器、、、、、正反激变换器、、、、、、APFC、、、、、PPFC、...

1、当您付费下载文档后,您只拥有了使用权限,并不意味着购买了版权,文档只能用于自身使用,不得用于其他商业用途(如 [转卖]进行直接盈利或[编辑后售卖]进行间接盈利)。
2、本站所有内容均由合作方或网友上传,本站不对文档的完整性、权威性及其观点立场正确性做任何保证或承诺!文档内容仅供研究参考,付费前请自行鉴别。
3、如文档内容存在违规,或者侵犯商业秘密、侵犯著作权等,请点击“违规举报”。

碎片内容

六种基本DCDC变换器拓扑结构总结

领读文化+ 关注
实名认证
内容提供者

传播文化,铸就未来

确认删除?
VIP
微信客服
  • 扫码咨询
会员Q群
  • 会员专属群点击这里加入QQ群
客服邮箱
回到顶部