电脑桌面
添加小米粒文库到电脑桌面
安装后可以在桌面快捷访问

剪力墙、柱、顶梁、板、梯检验批

剪力墙、柱、顶梁、板、梯检验批_第1页
1/36
剪力墙、柱、顶梁、板、梯检验批_第2页
2/36
剪力墙、柱、顶梁、板、梯检验批_第3页
3/36
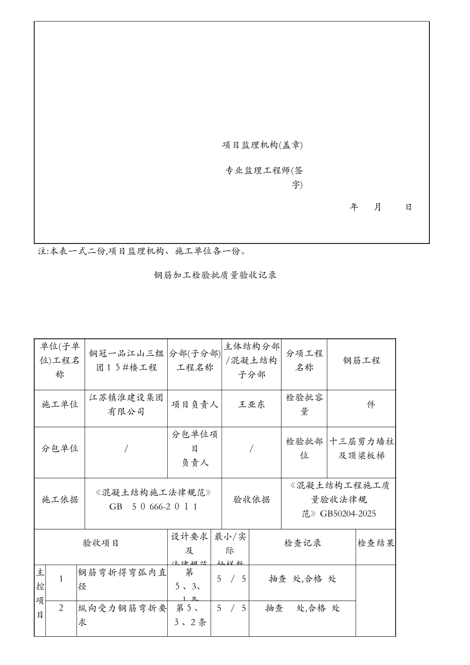
混凝土浇灌令 编号:工 程 名 称铜冠一品江山三组团 1 5#楼工程申请浇筑日期2025 年 9 月 13 日施 工 单 位江苏镇淮建设集团有限公司浇 筑 方 量见商砼出厂资料申请浇筑部位十三层剪力墙柱及顶梁板梯强 度 等 级C 3 5搅 拌 方 式(搅拌站名称)建鑫商品混凝土有限公司技 术 要 求见商砼出厂资料施 工 准 备 检 查 情 况施工员(专业工长)1、钢筋隐蔽验收情况 已完成☑,□未完成2、模板验收情况 已完成☑,□未完成3、水电预留预埋情况 已完成☑,□未完成4、商品砼材料报验情况 已完成 ☑,□未完成-5、劳动力准备情况 已完成☑,□未完成 j6、机械设备准备情况 已完成☑,□未完成自检结论:1、原材料、机械设备及施工人员已到位2、施工方案及技术交底工作已落实专业质量检查员: 项目技术负责人: 、 施工项目经理部(盖章): 项目经理(签字): 年 月 日监理验收结论:审批结论: □ 同意浇筑,□ 不同意浇筑,整改后重新申请项目监理机构(盖章): 专业监理工程师(签字): 年 月 日表B、0、7 钢筋加工报审、报验表工程名称:铜冠一品江山三组团15#楼工程编号:致: 铜陵鑫铜建设监理有限责任公 司 (项目监理机构)我方已完成十三层剪力墙柱及顶梁板梯工作,经自检合格,请予以审查或验收。附件: □ 隐蔽工程质量检验资料 ☑ 检验批质量检验资料□ 分项工程质量检验资料□ 施工试验室证明资料□ 其她施工项目经理部(盖章)项目经理或项目技术负责人(签字)年 月 日 审查或验收意见:项目监理机构(盖章)专业监理工程师(签字)年 月 日 注:本表一式二份,项目监理机构、施工单位各一份。钢筋加工检验批质量验收记录单位(子单位)工程名称铜冠一品江山三组团 1 5#楼工程分部(子分部)工程名称主体结构分部/混凝土结构子分部分项工程名称钢筋工程施工单位江苏镇淮建设集团有限公司项目负责人王亚东检验批容量 件分包单位/分包单位项目负责人/检验批部位十三层剪力墙柱及顶梁板梯施工依据《混凝土结构施工法律规范》GB 5 0 666-2 01 1验收依据《混凝土结构工程施工质量验收法律规范》GB50204-2025验收项目设计要求及法律规范最小/实际抽样数检查记录检查结果主控项目1钢筋弯折得弯弧内直径第5、3、1条5/ 5抽查 处,合格 处2纵向受力钢筋弯折要求第5、3、2 条5/ 5抽查 处,合格 处3箍筋、拉筋得末端弯钩要求第5、3、3条5/ 5抽查 处,合格 处4盘卷钢筋调直应进行力学性能和重...

1、当您付费下载文档后,您只拥有了使用权限,并不意味着购买了版权,文档只能用于自身使用,不得用于其他商业用途(如 [转卖]进行直接盈利或[编辑后售卖]进行间接盈利)。
2、本站所有内容均由合作方或网友上传,本站不对文档的完整性、权威性及其观点立场正确性做任何保证或承诺!文档内容仅供研究参考,付费前请自行鉴别。
3、如文档内容存在违规,或者侵犯商业秘密、侵犯著作权等,请点击“违规举报”。

碎片内容

剪力墙、柱、顶梁、板、梯检验批

您可能关注的文档

确认删除?
VIP
微信客服
  • 扫码咨询
会员Q群
  • 会员专属群点击这里加入QQ群
客服邮箱
回到顶部