电脑桌面
添加小米粒文库到电脑桌面
安装后可以在桌面快捷访问

安全文明施工阶段性评价表

安全文明施工阶段性评价表_第1页
1/3
安全文明施工阶段性评价表_第2页
2/3
安全文明施工阶段性评价表_第3页
3/3
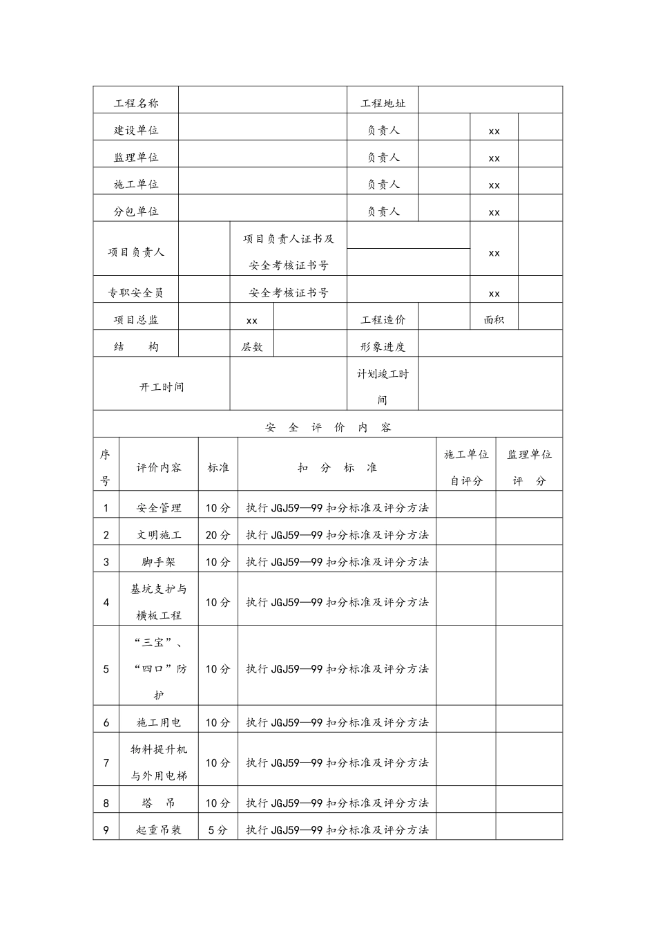
贵州省建设工程项目安全文明施工阶段评价表( 施工阶段)项目编号:黔( )建安[ ]第 号工程名称: 监理单位: 贵州省建设厅监制填表说明1、在建设工程施工时,由施工单位对施工现场安全生产情况进行自评填写后,报监理、建设单位复查评价,并将评价情况报建设工程安全监督管理机构核查评价备案。kJcp8。2、各分项检查评价表均采纳 JGJ59-99 标准,并作为附件备查。检查评分遇有缺项时,汇总表总得分按 JGJ59-99 评分方法进行换算;多人对同一项目检查评分时,应按加权评分方法确定分值;p3kVw。3、综合评定分:70 分(含 70 分)以上为合格,80 分(含 80分)以上为优良。4、监理单位在做出评价结论时,除评分等级外,还应对本阶段工程项目安全生产状况进行概况性评述,指出主要问题,提出改进意见。Y3zRo。5、如有建筑安全中介服务机构,可在建设单位栏中填写有关内容。6、此表一式四份,施工单位、监理单位、建设单位、建筑工程安全监督机构各一份。工程名称工程地址建设单位负责人xx监理单位负责人xx施工单位负责人xx分包单位负责人xx项目负责人项目负责人证书及安全考核证书号xx专职安全员安全考核证书号xx项目总监xx工程造价面积结 构层数形象进度开工时间计划竣工时间安 全 评 价 内 容序号评价内容标准扣 分 标 准施工单位自评分监理单位评 分1安全管理10 分执行 JGJ59—99 扣分标准及评分方法2文明施工20 分执行 JGJ59—99 扣分标准及评分方法3脚手架10 分执行 JGJ59—99 扣分标准及评分方法4基坑支护与横板工程10 分执行 JGJ59—99 扣分标准及评分方法5“三宝”、“四口”防护10 分执行 JGJ59—99 扣分标准及评分方法6施工用电10 分执行 JGJ59—99 扣分标准及评分方法7物料提升机与外用电梯10 分执行 JGJ59—99 扣分标准及评分方法8塔 吊10 分执行 JGJ59—99 扣分标准及评分方法9起重吊装5 分执行 JGJ59—99 扣分标准及评分方法10施工机具5 分执行 JGJ59—99 扣分标准及评分方法合 计100分执行 JGJ59—99 扣分标准及评分方法施工单位自我评价意 见专职安全员(签 字):项目负责人(签 字):施工单位安全部门负责人(签 字): 施工单位(盖章)年 月 日监理单位评价意见安全监理工程师(签 字): 监理单位(盖章)项目监理负责人(签 字): 年 月 日建设单位评价意见项目负责人(签 字) 建设单位(盖章)年 月 日安全监督机构评定分数安全监督机构核查备案意见监督人员(签 字):科(组)负责人(签 字): (盖 章)年 月 日

1、当您付费下载文档后,您只拥有了使用权限,并不意味着购买了版权,文档只能用于自身使用,不得用于其他商业用途(如 [转卖]进行直接盈利或[编辑后售卖]进行间接盈利)。
2、本站所有内容均由合作方或网友上传,本站不对文档的完整性、权威性及其观点立场正确性做任何保证或承诺!文档内容仅供研究参考,付费前请自行鉴别。
3、如文档内容存在违规,或者侵犯商业秘密、侵犯著作权等,请点击“违规举报”。

碎片内容

安全文明施工阶段性评价表

确认删除?
VIP
微信客服
  • 扫码咨询
会员Q群
  • 会员专属群点击这里加入QQ群
客服邮箱
回到顶部