电脑桌面
添加小米粒文库到电脑桌面
安装后可以在桌面快捷访问

安全生产会议记录整理版

安全生产会议记录整理版_第1页
1/17
安全生产会议记录整理版_第2页
2/17
安全生产会议记录整理版_第3页
3/17
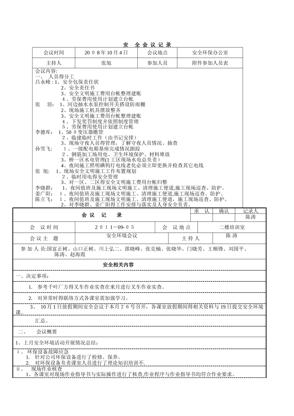
安 全 会 议 记 录会议时间20 0 8 年 10 月 4 日会议地点安全环保办公室主持人张旭参加人员附件参加人员表会议内容:一、 人员得分工吕永峰 : 1、安全包保责任状2、安全责任书3、安全文明施工费用台帐整理建账4、劳保费用使用计划建立台帐张 羽: 1、河边抽水水泵控制开关搭设防雨棚2、现场施工机具摆放整齐3、安全文明施工费用台帐整理建账4、下发奖罚制度并依照制度管理5、劳保费用使用计划建立台帐李德库: 1、50 0变压器瞧管2、临建临时工作(由书记安排)3、现场守夜人员得管理,了解守夜人员情况、抽查孙雪飞: 1、一级配电箱基座完成情况跟踪2、钢筋加工场用电、卫生环境保护、材料堆放3、桥一区水电管理(1 工区现场水电总负责)4、夜间施工照明碘钨灯电线老化必须立即更换并检查其它电线张 旭: 1、现场安全文明施工工作布置规划2、临时用电得安全管理3、对一区、二区得安全文明施工费用台帐归整李晓群: 1、夜间值班及施工现场文明施工、清理施工便道,施工现场巡查、防护。姜广阳: 1、夜间值班及施工现场文明施工、清理施工便道,施工现场巡查、防护。陈立飞: 1、夜间值班及施工现场文明施工、清理施工便道,施工现场巡查、防护。2、对李晓群、姜广阳得工作安排与落实及人身安全负责。会 议 记 录承 认确认记录人陈涛会 议 时 间2 01 1-09-05会 议 地 点二楼培训室会 议 主 题安全环境会议主 持 人陈 涛参 加 人 员:国富正树、山口正树、川上弘二、邵晓峰、张克楠、张晓华、门晓芳、王顺锋、刘国平、陈涛、赵海霞安全相关内容一、决定事项:1.参考千叶厂方得叉车作业实查在来月进行叉车作业实查。2.对异常时得联络方式各课室需加强学习。 3、 10 月 1 日放假期间安全会议于本月26号召开,各课室放假期间得相关资料与 19 日提交安全环境课。 汇总。二、会议概要1、上月安全环境活动开展情况总结:ⅰ、 环保设备故障应急1.针对公司环保设备进行了检修、保养。2.对环保设备负责课室人员进行了理论知识培训不.ⅱ、 现场作业核查1、各课室对现场作业指导书与实际操作进行了核查,作业程序与作业指导书均符合作业要求。2、对新增设备得作业指导书需尽快作成,放置于作业现场.ⅲ、 现场审核1、针对各课室指差呼称、3S 进行了课室交叉检查,对检查指出事项在本月 20 号全部需整改安成。ⅳ、 作业实查 1、各课室针对作业程序,跟据作业指导书进行了作业实查.ⅴ、...

1、当您付费下载文档后,您只拥有了使用权限,并不意味着购买了版权,文档只能用于自身使用,不得用于其他商业用途(如 [转卖]进行直接盈利或[编辑后售卖]进行间接盈利)。
2、本站所有内容均由合作方或网友上传,本站不对文档的完整性、权威性及其观点立场正确性做任何保证或承诺!文档内容仅供研究参考,付费前请自行鉴别。
3、如文档内容存在违规,或者侵犯商业秘密、侵犯著作权等,请点击“违规举报”。

碎片内容

安全生产会议记录整理版

确认删除?
VIP
微信客服
  • 扫码咨询
会员Q群
  • 会员专属群点击这里加入QQ群
客服邮箱
回到顶部