电脑桌面
添加小米粒文库到电脑桌面
安装后可以在桌面快捷访问

安全管理体系与措施

安全管理体系与措施_第1页
1/24
安全管理体系与措施_第2页
2/24
安全管理体系与措施_第3页
3/24
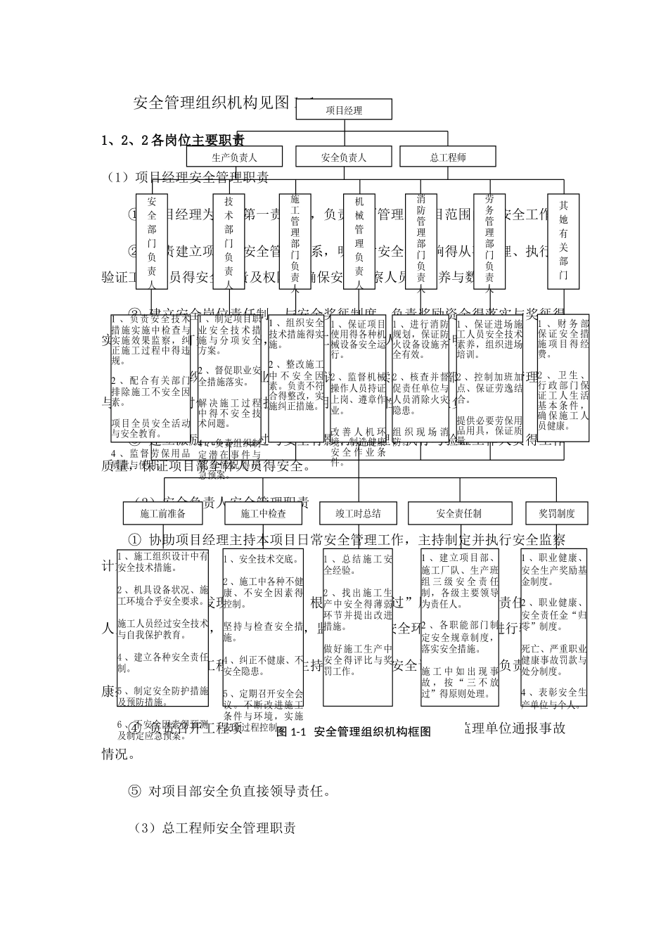
安全管理体系与措施申报单位:XXXXXXXXXXXXXX 有限公司 申 报 人: 审核人: 申报日期: 年 月 日 安全管理体系与措施1、1 安全管理方针、目标1、1、1 管理方针本公司安全管理方针就是:“消除一切隐患风险,确保全员健康安全”。本合同实施中,本公司严格遵守国家现行安全生产法律、法规,预防与消除一切不安全隐患,防止各类事故发生;建立科学得安全管理体系,改善施工作业环境,依靠先进得管理方法,保证项目施工、管理人员得健康与安全。1、1、2 管理目标本合同施工安全管理目标就是:明确项目部得安全管理机构及职责;建立、健全安全生产责任制度,确保责权明确,信息流畅通;相关人员依法、明确得管理程序履行各自职责与义务;使所有影响施工现场安全文明施工得各类因素处于受控状态,保障施工现场作业人员得人身安全与健康。(1)监控指标无死亡事故。无重大交通事故。无重大机电事故。杜绝火灾事故得发生,确保无重大火灾事故。无因劳保设施与用具引起得职业健康事故。(2)安全管理目标全员安全培训教育率 100%。特种作业人员持证率 100%。隐患整改率>95%,重大隐患整改率 100%。尘、毒、噪声治理合格率 100%。设备安全装置完好率 100%。事故处理结案率 100%。1、2 安全管理组织机构及其主要职责1、2、1 安全管理组织机构工程中标后,项目经理对本项目得安全工作负全面责任。项目部本着精干、高效得原则,设置安全管理机构,并配备相应得岗位人员。施工现场成立安全管理领导小组,在项目经理领导下,由安全负责人、总工程师、安全环保部、质量保证部、工程技术部、物资供应部、综合部等负责人组成。安全环保部为施工项目部安全得归口管理部门,进行安全体系与相关制度执行情况得审核与监察;各施工作业队与部室负责人就是本单位得安全第一责任人,保证全面执行各项安全管理制度,负直接领导责任。各施工作业队设专职安全员,各部门设一名兼职安全员,在安全部得监督指导下负责本施工队、部门得日常安全管理工作,各施工作业班组班组长为兼职安全员,在队专职安全员得指导下开展班组得安全工作,对本班人员在施工过程中得安全与健康全面负责,确保本班人员根据有关规定与作业指导书及安全施工措施进行施工,不违章作业。安全管理组织机构见图 1-1。1、2、2 各岗位主要职责(1)项目经理安全管理职责① 项目经理为安全第一责任人,负责全面管理本项目范围内得安全工作。② 负责建立项目部安全管理体系,明确对安...

1、当您付费下载文档后,您只拥有了使用权限,并不意味着购买了版权,文档只能用于自身使用,不得用于其他商业用途(如 [转卖]进行直接盈利或[编辑后售卖]进行间接盈利)。
2、本站所有内容均由合作方或网友上传,本站不对文档的完整性、权威性及其观点立场正确性做任何保证或承诺!文档内容仅供研究参考,付费前请自行鉴别。
3、如文档内容存在违规,或者侵犯商业秘密、侵犯著作权等,请点击“违规举报”。

碎片内容

安全管理体系与措施

确认删除?
VIP
微信客服
  • 扫码咨询
会员Q群
  • 会员专属群点击这里加入QQ群
客服邮箱
回到顶部