电脑桌面
添加小米粒文库到电脑桌面
安装后可以在桌面快捷访问

岩棉板外墙保温专项施工方案

岩棉板外墙保温专项施工方案_第1页
1/25
岩棉板外墙保温专项施工方案_第2页
2/25
岩棉板外墙保温专项施工方案_第3页
3/25
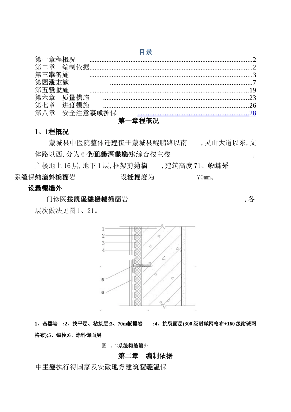
蒙城县中医院门诊医技病房综合楼安徽威耐得新型建材有限公司2025 年 11 月岩棉板外墙外保温专项施工方案目录第一章 工程概况...............................................................................................2第二章 编制依据...............................................................................................2第三章 施工准备...............................................................................................3第四章 施工工艺及方法...................................................................................7第五章 施工验收.............................................................................................19第六章 质量保证措施.....................................................................................23第七章 进度保证措施.....................................................................................26第八章 安全注意事项及成品保护 ................................................................. 28 第一章 工程概况1、1 工程概况 蒙城县中医院整体迁建工程位于蒙城县鲲鹏路以南,灵山大道以东,文体路以西,分为 6 个子项。本次外墙保温施工为门诊医技病房综合楼主楼,主楼地上 16 层,地下 1 层,框架剪力墙结构,建筑高度 71、0m。外墙设计采纳涂料饰面岩棉板外墙外保温系统,岩棉板设计厚度为70mm。1、2 外墙保温设计概况门诊医技病房综合楼外墙保温采纳涂料饰面岩棉板外墙外保温系统,各层次做法见图 1、21。1、基层墙体;2、找平层、粘接层;3、70mm 厚岩棉板;4、抗裂面层(300 级耐碱网格布+160 级耐碱网格布);5、锚栓;6、涂料饰面层图 1、21 涂料饰面外墙外保温系统构造第二章 编制依据 施工中主要执行得国家及安徽地方现行建筑安装工程、保温工程施工质量验收法律规范及验收统一标准如下: 施工图纸、设计变更及合同要求 国家有关建筑工程得法律、法规与地方有关规定 《外墙外保温工程技术规程》JGJ 1442025 《外墙外保温建筑构造图集》10J121 《建筑外墙外保温用岩棉制品》GB/T 25975—2025 《建设节能工程施工质量验收法律规范》GB 50411—2025 《建筑工程施工质量验收统一标准》GB 50300—2025 《建筑装饰装修工程质量验收法律规范》GB 50210—2001 《岩棉板薄抹灰...

1、当您付费下载文档后,您只拥有了使用权限,并不意味着购买了版权,文档只能用于自身使用,不得用于其他商业用途(如 [转卖]进行直接盈利或[编辑后售卖]进行间接盈利)。
2、本站所有内容均由合作方或网友上传,本站不对文档的完整性、权威性及其观点立场正确性做任何保证或承诺!文档内容仅供研究参考,付费前请自行鉴别。
3、如文档内容存在违规,或者侵犯商业秘密、侵犯著作权等,请点击“违规举报”。

碎片内容

岩棉板外墙保温专项施工方案

您可能关注的文档

确认删除?
VIP
微信客服
  • 扫码咨询
会员Q群
  • 会员专属群点击这里加入QQ群
客服邮箱
回到顶部