电脑桌面
添加小米粒文库到电脑桌面
安装后可以在桌面快捷访问

工程农机商用钢制车轮生产项目节能评估报告表

工程农机商用钢制车轮生产项目节能评估报告表_第1页
1/23
工程农机商用钢制车轮生产项目节能评估报告表_第2页
2/23
工程农机商用钢制车轮生产项目节能评估报告表_第3页
3/23
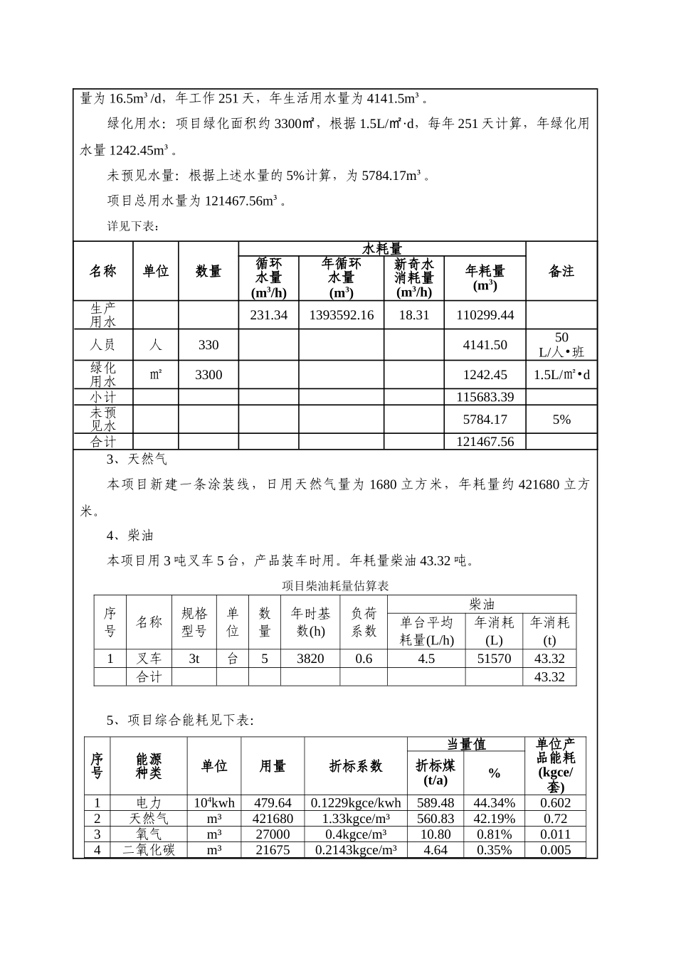
工程农机商用钢制车轮生产项目节能评估报告项目名称年产98万套工程农机商用钢制车轮生产项目建设单位山东xx汽车零部件有限公司法人代表 联系人 通讯地址 联系电话 传真邮政编码 建设地点xx市高新区诗仙路333号项目投资管理类别审批□核准□备案■项目所属行业通用设备制造业建设性质新建■ 改建□ 扩建□项目总投资14500万元工程建设内容及规模本项目建设内容为在xx市高新开发区内山东xx汽车零部件有限公司现有土地内,新建生产联合厂房29383m2。根据本项目产品生产纲领和产品生产所需工艺设备,新增先进生产设备和检测仪器。项目新增主要设备203台(套),涂装线一条。实现年产98万套工程农机商用钢制车轮的生产能力。项目主要耗能品种及耗能量 本项目主要耗能品种为电力、水、天然气、氧气、二氧化碳、乙炔、柴油。其中:1、电力本项目装机容量为 5822.93kW,功率计算见附表 1。本项目计算负荷为 1841.95kW,项目年工作小时数为 3720 小时,有功负荷系数取0.70,项目年用电量约为 479.64 万 kWh。2、新奇水本项目主要用水有主要是涂装线清洗设备消耗水和设备循环冷却补充水。项目循环水和补充水年耗量估算详见下表“项目水消耗量估算表”,项目循环水和补充新水估算年耗量分别为 1393592.16m³ 和 110299.44m³。生产用水量:车间生产主要是涂装线清洗设备消耗水和设备循环冷却补充水,估算其用水量每小时平均为 18.31m³/h,日用水量为 439.44m³/d,根据年工作 251 天计算,年生产用水量为 110299.44m³。生活用水量:车间和办公人员用水量标准为 50L/人·班,劳动定员 330 人,日用水量为 16.5m³/d,年工作 251 天,年生活用水量为 4141.5m³。绿化用水:项目绿化面积约 3300,根据㎡1.5L/㎡·d,每年 251 天计算,年绿化用水量 1242.45m³。未预见水量:根据上述水量的 5%计算,为 5784.17m³。项目总用水量为 121467.56m³。详见下表:名称单位数量水耗量备注循环水量年循环水量新奇水消耗量(m3/h)年耗量(m3)(m3/h)(m3)生产用水231.341393592.1618.31110299.44人员人3304141.5050L/人•班绿化用水㎡33001242.451.5L/㎡•d小计115683.39未预见水5784.175%合计121467.563、天然气本项目新建一条涂装线,日用天然气量为 1680 立方米,年耗量约 421680 立方米。4、柴油本项目用 3 吨叉车 5 台,产品装车时用。年耗量柴油 43.32 吨。项目柴油耗量估算表序号名称规格型号单位数量年时基数(h)负荷...

1、当您付费下载文档后,您只拥有了使用权限,并不意味着购买了版权,文档只能用于自身使用,不得用于其他商业用途(如 [转卖]进行直接盈利或[编辑后售卖]进行间接盈利)。
2、本站所有内容均由合作方或网友上传,本站不对文档的完整性、权威性及其观点立场正确性做任何保证或承诺!文档内容仅供研究参考,付费前请自行鉴别。
3、如文档内容存在违规,或者侵犯商业秘密、侵犯著作权等,请点击“违规举报”。

碎片内容

工程农机商用钢制车轮生产项目节能评估报告表

您可能关注的文档

确认删除?
VIP
微信客服
  • 扫码咨询
会员Q群
  • 会员专属群点击这里加入QQ群
客服邮箱
回到顶部