电脑桌面
添加小米粒文库到电脑桌面
安装后可以在桌面快捷访问

工程安装调试记录

工程安装调试记录_第1页
1/12
工程安装调试记录_第2页
2/12
工程安装调试记录_第3页
3/12
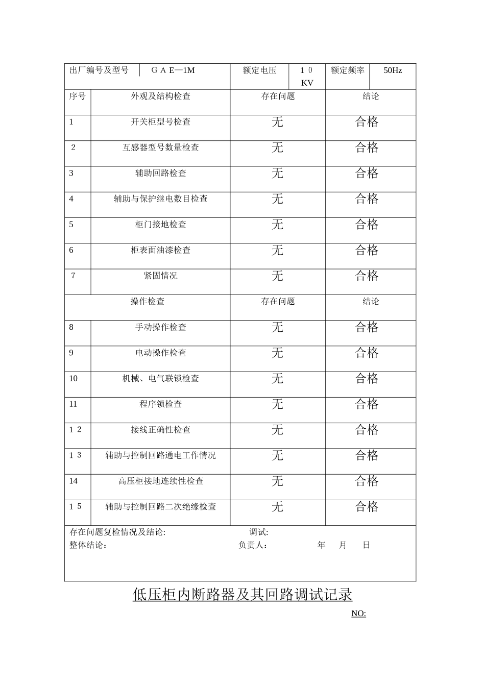
山东中翔实业有限公司工程试验记录 编号:Q/Z X SY-11-1工程名称:烟台建设开发有限公司 施工部门:山东中翔实业有限公司 编 制: 试 验: 审 核: 试验负责人: 日 期: 年 月 日 干式配电变压器安装调试记录序号安装调试项目技术要求结果1核对变压器基础平整、接地可靠合格2本体检查1:表面绝缘良好,无破损:铭牌清楚,型号与图纸相符2:铁芯与本体紧固件齐全,牢固,有防松措施:铁芯无变形,接地良好合格3分接头档位标示清楚、准确:切换片压紧螺丝无断裂、缺失现象合格4变压器引线1:高低压引线根部绝缘良好,无破损。2:高低压引线绝缘子表面无破损且固定牢靠3:高低压引线相间距离、对地距离符合规定要求。合格5温控器1:固定牢靠,安装处便于巡视检查,感温探头齐全、灵敏,三相温度指示与当前温度相符.2:风机接入相应工作电压,模拟变压器温度升高,检验风机启动情况.合格6变压器进出线1:进出线把接不应使高低压绝缘子承受额外压力2:进出线与变压器引线搭接处应涂抹导电膏.3:相序标示清楚准确4:低压中性点接地应可靠,并涂以黄绿相间标志。合格备注合格高压柜安装调试记录高压开关柜序号: 2—04变压器型号SC B 10-1000/10出厂编号1 106B0212额定容量1000 K VA额定电压10/0、4 KV额定电流57、7 4/1443、4变比—--———---———安装位置烟台建设开发公司#3配电室出厂编号及型号 GA E—1M额定电压1 0KV额定频率50Hz序号外观及结构检查存在问题结论1开关柜型号检查无合格2互感器型号数量检查无合格3辅助回路检查无合格4辅助与保护继电数目检查无合格5柜门接地检查无合格6柜表面油漆检查无合格7紧固情况无合格操作检查存在问题结论8手动操作检查无合格9电动操作检查无合格10机械、电气联锁检查无合格11程序锁检查无合格1 2接线正确性检查无合格1 3辅助与控制回路通电工作情况无合格14高压柜接地连续性检查无合格1 5辅助与控制回路二次绝缘检查无合格存在问题复检情况及结论: 调试:整体结论: 负责人: 年 月 日低压柜内断路器及其回路调试记录NO:安装位置D04型号R MM 1—250 H/3 P出厂编号序号检查调试项目技术要求及测试条件存在问题结论1外观1:断路器、回路仪表表面无破损、刻度指示正常 2:各类标签、标识齐全,且与实际相符,3:回路互感器变比与仪表变比相同且与图纸相符无合格2内部结构断 路 器 引下 线 连 接及紧固1:引下线搭接符合规程规定 2:紧固件被复...

1、当您付费下载文档后,您只拥有了使用权限,并不意味着购买了版权,文档只能用于自身使用,不得用于其他商业用途(如 [转卖]进行直接盈利或[编辑后售卖]进行间接盈利)。
2、本站所有内容均由合作方或网友上传,本站不对文档的完整性、权威性及其观点立场正确性做任何保证或承诺!文档内容仅供研究参考,付费前请自行鉴别。
3、如文档内容存在违规,或者侵犯商业秘密、侵犯著作权等,请点击“违规举报”。

碎片内容

工程安装调试记录

确认删除?
VIP
微信客服
  • 扫码咨询
会员Q群
  • 会员专属群点击这里加入QQ群
客服邮箱
回到顶部