电脑桌面
添加小米粒文库到电脑桌面
安装后可以在桌面快捷访问

建筑工程重大危险源辨识方案

建筑工程重大危险源辨识方案_第1页
1/14
建筑工程重大危险源辨识方案_第2页
2/14
建筑工程重大危险源辨识方案_第3页
3/14
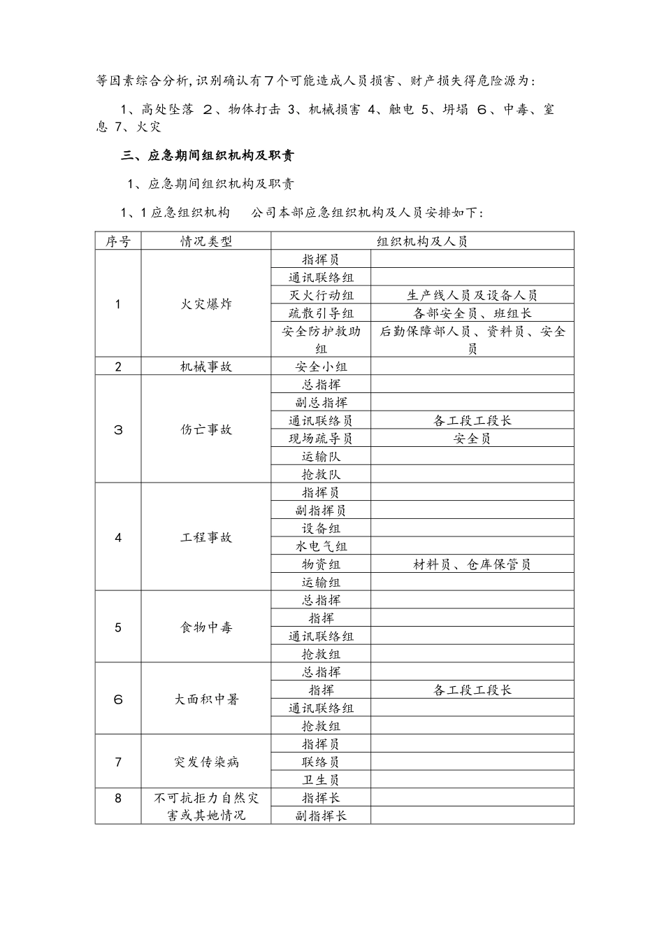
常德市第二福利院工程重大危险源辨识方案湖南省第八工程有限公司二○五年十月目 录一、工程概况……………………………………………………………1二、重大危险源得识别…………………………………………………1三、对重大危险源得评价………………………………………………1四、危险源得综合预防、控制措施……………………………………2五、七个危险源得具体预防措施………………………………………2六、七种危险事故得应急措施…………………………………………7七、辨识名录……………………………………………………………11一、工程概况项目名称:常德市第二福利院。建设地点:常德市柳叶大道北段。建设地点:常德市柳叶大道以西,武陵区河洑乡。设计单位:湖南城市学院规划建筑设计讨论院。本工程为常德市第二福利院,由常德市民政局开发。工程拟建在常德市柳叶大道以西,武陵区河洑乡,工程拟总用地面积 15027、8 8m (约 2 2亩),总建筑面积 21 2 213、2㎡;包含 1#(普通公寓)、2#(老年公寓)、3#(养生食堂/后勤/活动中心)。1#楼建筑面积 110 72、9 2㎡,框剪结构1 1 层,其中地下室面积60 3、85㎡m;2#楼建筑面积8 09 3、0 9㎡,框架结构 5 层;3#楼建筑面积 173 9、1 1㎡,框架结构2层,门卫及连廊3 08、8㎡,框架结构一层。1#楼建筑物檐口高度为 4 0、2 米,总高度为 4 5、1 米,一层至十一层层高均为3、4 米。2#楼建筑物檐口高度为 18、5 米,总高度为 2 1、7米,一层至五层层高均为3、4 米。3#楼建筑物檐口高度为 10、5 米,总高度为12、6 米,一层、二层层高均为4、5 米。门卫及连廊#楼建筑物檐口高度为4、9 米,总高度为5、4 米,一层层高为3、4 米。本工程设计合理使用年限为5 0 年,建筑结构安全等级为二级,地基基础设计等级甲级,建筑抗震设防类别为丙类,建筑抗震设防烈度为 7 度,框剪抗震等级为三级,剪力墙抗震等级为三级。建筑防火分类为一、二类高层,耐火等级为一、二级,屋面防水等级二级,二道防水设防,使用年限为15年。二、重大危险源得识别建筑业属于流动人员从事流动性作业、工序复杂、危险因素较多得行业,为防止安全事故得发生,针对建筑行业特性,结合所承担得建筑工程施工项目得建筑结构、类型、规模、高度、施工环境、施工季节等特点,从人、机、料、法、环等因素综合分析,识别确认有7个可能造成人员损害、财产损失得危险源为:1、高处坠落 2、物体打击 3、...

1、当您付费下载文档后,您只拥有了使用权限,并不意味着购买了版权,文档只能用于自身使用,不得用于其他商业用途(如 [转卖]进行直接盈利或[编辑后售卖]进行间接盈利)。
2、本站所有内容均由合作方或网友上传,本站不对文档的完整性、权威性及其观点立场正确性做任何保证或承诺!文档内容仅供研究参考,付费前请自行鉴别。
3、如文档内容存在违规,或者侵犯商业秘密、侵犯著作权等,请点击“违规举报”。

碎片内容

建筑工程重大危险源辨识方案

您可能关注的文档

确认删除?
VIP
微信客服
  • 扫码咨询
会员Q群
  • 会员专属群点击这里加入QQ群
客服邮箱
回到顶部