电脑桌面
添加小米粒文库到电脑桌面
安装后可以在桌面快捷访问

扶壁式翼墙 稳定及结构计算

扶壁式翼墙 稳定及结构计算_第1页
1/7
扶壁式翼墙 稳定及结构计算_第2页
2/7
扶壁式翼墙 稳定及结构计算_第3页
3/7
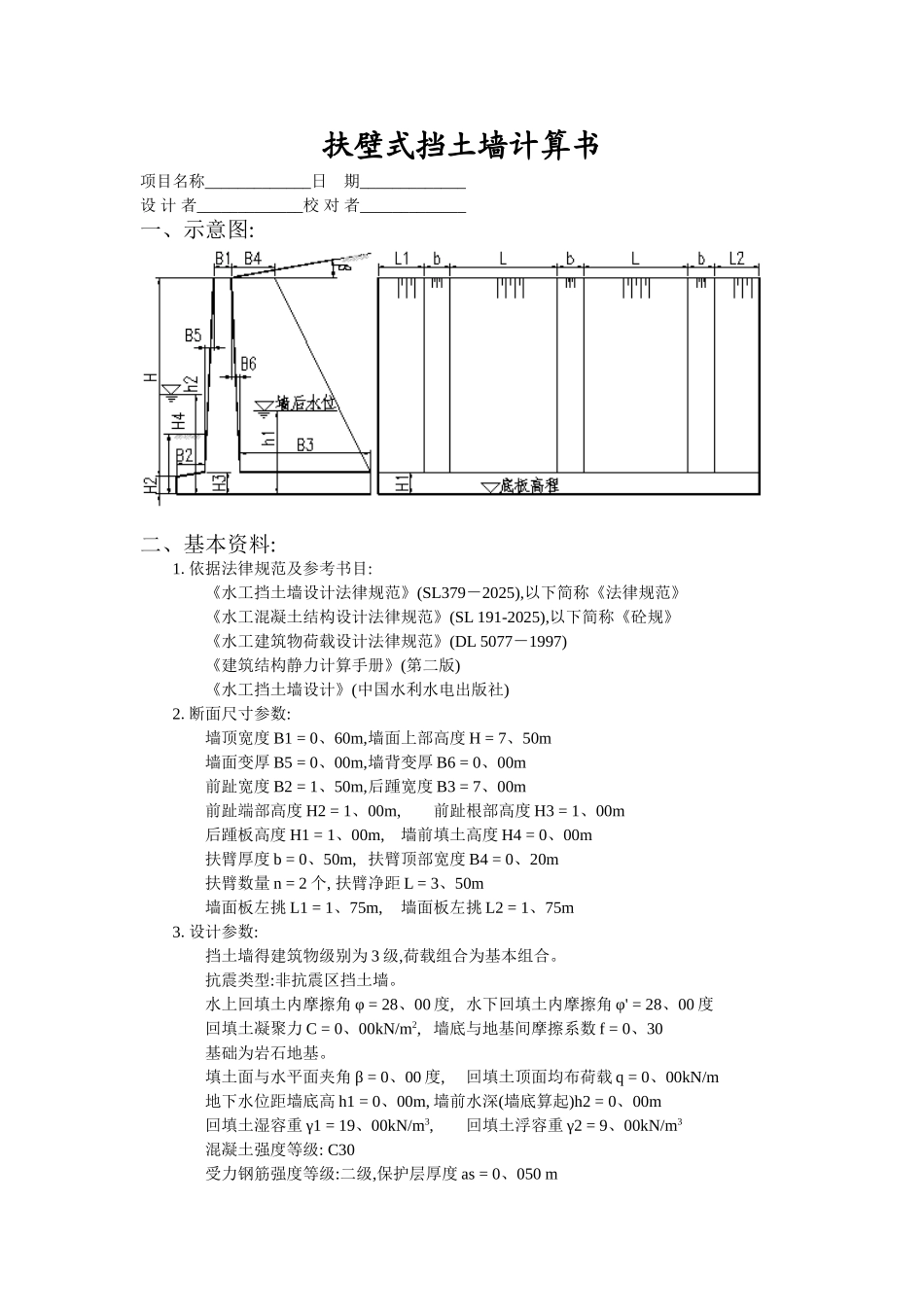
扶壁式挡土墙计算书项目名称_____________日 期_____________设 计 者_____________校 对 者_____________一、示意图:二、基本资料:1.依据法律规范及参考书目:《水工挡土墙设计法律规范》(SL379-2025),以下简称《法律规范》《水工混凝土结构设计法律规范》(SL 191-2025),以下简称《砼规》《水工建筑物荷载设计法律规范》(DL 5077-1997)《建筑结构静力计算手册》(第二版)《水工挡土墙设计》(中国水利水电出版社)2.断面尺寸参数:墙顶宽度 B1 = 0、60m,墙面上部高度 H = 7、50m墙面变厚 B5 = 0、00m,墙背变厚 B6 = 0、00m前趾宽度 B2 = 1、50m,后踵宽度 B3 = 7、00m前趾端部高度 H2 = 1、00m,前趾根部高度 H3 = 1、00m后踵板高度 H1 = 1、00m,墙前填土高度 H4 = 0、00m扶臂厚度 b = 0、50m, 扶臂顶部宽度 B4 = 0、20m扶臂数量 n = 2 个, 扶臂净距 L = 3、50m墙面板左挑 L1 = 1、75m,墙面板左挑 L2 = 1、75m3.设计参数:挡土墙得建筑物级别为 3 级,荷载组合为基本组合。抗震类型:非抗震区挡土墙。水上回填土内摩擦角 φ = 28、00 度, 水下回填土内摩擦角 φ' = 28、00 度回填土凝聚力 C = 0、00kN/m2, 墙底与地基间摩擦系数 f = 0、30基础为岩石地基。填土面与水平面夹角 β = 0、00 度,回填土顶面均布荷载 q = 0、00kN/m地下水位距墙底高 h1 = 0、00m, 墙前水深(墙底算起)h2 = 0、00m回填土湿容重 γ1 = 19、00kN/m3,回填土浮容重 γ2 = 9、00kN/m3混凝土强度等级: C30受力钢筋强度等级:二级,保护层厚度 as = 0、050 m扶臂箍筋强度等级:二级地基允许承载力[σo] = 1000、00 kPa三、计算过程:1.计算公式:郎肯土压力计算公式如下:E = 0、5×γ×H2×KaEx = E×cos(β)Ey = E×sin(β)Ka = tan2(45°-φ/2) (《法律规范》式 A、0、1-4)式中:E 为作用于墙背得土压力,作用点为距墙底 1/3 高处,方向与水平面成 β 夹角Ka为土压力系数程序算得水上得土压力系数 Ka = 0、361程序算得水下得土压力系数 K'a = 0、3982.总水平力、总竖向力及各力对前趾力矩计算:单位:水平力、竖向力为 kN;力臂为 m;弯矩为 kN·m。力水平力竖向力力臂正力矩负力矩水平土压力 E1x247、802、83-702、11墙身自重 G1340、003、641237、63墙后土重 F1997、505、605586、00∑247、801337、506823、62-702、11所有垂直荷载之与∑G=1337、50kN...

1、当您付费下载文档后,您只拥有了使用权限,并不意味着购买了版权,文档只能用于自身使用,不得用于其他商业用途(如 [转卖]进行直接盈利或[编辑后售卖]进行间接盈利)。
2、本站所有内容均由合作方或网友上传,本站不对文档的完整性、权威性及其观点立场正确性做任何保证或承诺!文档内容仅供研究参考,付费前请自行鉴别。
3、如文档内容存在违规,或者侵犯商业秘密、侵犯著作权等,请点击“违规举报”。

碎片内容

扶壁式翼墙 稳定及结构计算

范哲铺+ 关注
实名认证
内容提供者

想你所想,急你所急,你需要的都在店铺里可以找到。

确认删除?
VIP
微信客服
  • 扫码咨询
会员Q群
  • 会员专属群点击这里加入QQ群
客服邮箱
回到顶部