电脑桌面
添加小米粒文库到电脑桌面
安装后可以在桌面快捷访问

挡土墙放线测量记录

挡土墙放线测量记录_第1页
1/7
挡土墙放线测量记录_第2页
2/7
挡土墙放线测量记录_第3页
3/7
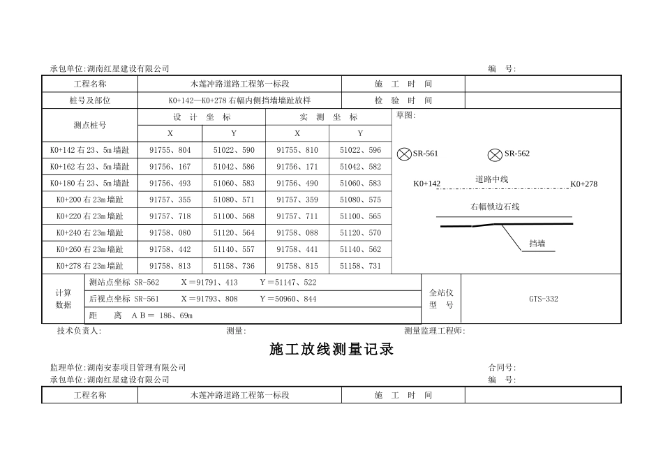
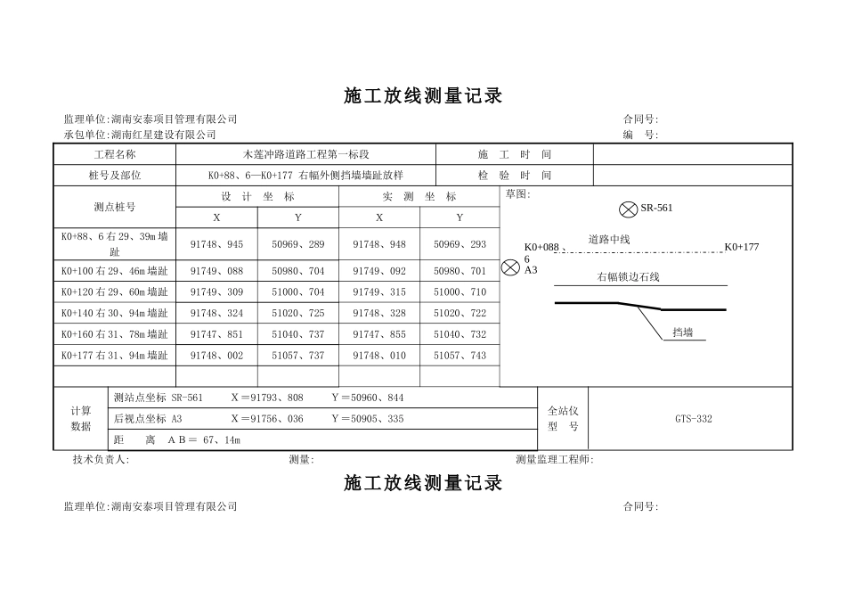
施工放线测量记录监理单位:湖南安泰项目管理有限公司 合同号:承包单位:湖南红星建设有限公司 编 号:工程名称木莲冲路道路工程第一标段施 工 时 间桩号及部位K0+88、6—K0+177 右幅外侧挡墙墙趾放样检 验 时 间测点桩号设 计 坐 标实 测 坐 标草图:XYXYK0+88、6 右 29、39m 墙趾91748、94550969、28991748、94850969、293K0+100 右 29、46m 墙趾91749、08850980、70491749、09250980、701K0+120 右 29、60m 墙趾91749、30951000、70491749、31551000、710K0+140 右 30、94m 墙趾91748、32451020、72591748、32851020、722K0+160 右 31、78m 墙趾91747、85151040、73791747、85551040、732K0+177 右 31、94m 墙趾91748、00251057、73791748、01051057、743计算数据测站点坐标 SR-561 X=91793、808 Y=50960、844 全站仪型 号GTS-332后视点坐标 A3 X=91756、036 Y=50905、335距 离 AB= 67、14m技术负责人: 测量: 测量监理工程师:施工放线测量记录监理单位:湖南安泰项目管理有限公司 合同号:右幅锁边石线K0+088 、6K0+177道路中线 A3SR-561挡墙承包单位:湖南红星建设有限公司 编 号:工程名称木莲冲路道路工程第一标段施 工 时 间桩号及部位K0+142—K0+278 右幅内侧挡墙墙趾放样检 验 时 间测点桩号设 计 坐 标实 测 坐 标草图:XYXYK0+142 右 23、5m 墙趾91755、80451022、59091755、81051022、596K0+162 右 23、5m 墙趾91756、16751042、58691756、17151042、582K0+180 右 23、5m 墙趾91756、49351060、58391756、49051060、583K0+200 右 23m 墙趾91757、35551080、57191757、35951080、575K0+220 右 23m 墙趾91757、71851100、56891757、71151100、565K0+240 右 23m 墙趾91758、08051120、56491758、08851120、570K0+260 右 23m 墙趾91758、44251140、55791758、44151140、562K0+278 右 23m 墙趾91758、81351158、73691758、81551158、731计算数据测站点坐标 SR-562 X=91791、413 Y=51147、522 全站仪型 号GTS-332后视点坐标 SR-561 X=91793、808 Y=50960、844距 离 AB= 186、69m技术负责人: 测量: 测量监理工程师:施工放线测量记录监理单位:湖南安泰项目管理有限公司 合同号:承包单位:湖南红星建设有限公司 编 号:工程名称木莲冲路道路工程第一标段施 工 时 间右幅锁边石线K0+142K0+278道路中线 SR-561...

1、当您付费下载文档后,您只拥有了使用权限,并不意味着购买了版权,文档只能用于自身使用,不得用于其他商业用途(如 [转卖]进行直接盈利或[编辑后售卖]进行间接盈利)。
2、本站所有内容均由合作方或网友上传,本站不对文档的完整性、权威性及其观点立场正确性做任何保证或承诺!文档内容仅供研究参考,付费前请自行鉴别。
3、如文档内容存在违规,或者侵犯商业秘密、侵犯著作权等,请点击“违规举报”。

碎片内容

挡土墙放线测量记录

确认删除?
VIP
微信客服
  • 扫码咨询
会员Q群
  • 会员专属群点击这里加入QQ群
客服邮箱
回到顶部