电脑桌面
添加小米粒文库到电脑桌面
安装后可以在桌面快捷访问

文明施工检查评分表

文明施工检查评分表_第1页
1/3
文明施工检查评分表_第2页
2/3
文明施工检查评分表_第3页
3/3
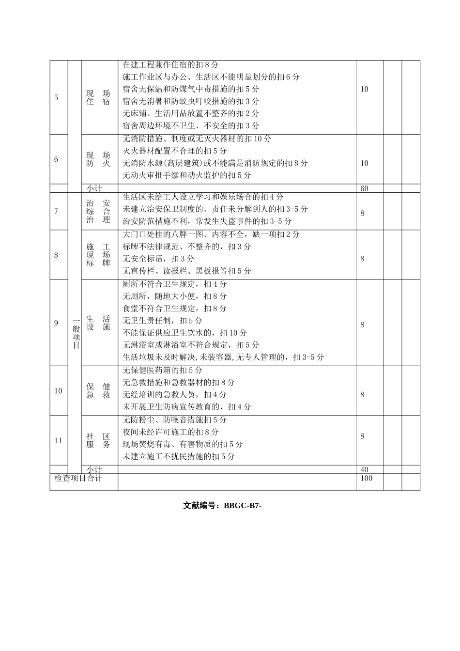
文明施工检查评分表序号 检查项目扣 分 标 准应得分数扣减分数实得分数1保证项目现 场围 挡 在市区重要路段的施工场地周边未设立高于 2.5m 的围挡扣 10 分一般路段的施工场地周边未设立高于 1.8m 的围挡扣 10 分围挡材料不坚固、不稳定、不干净、不美观扣 5-7 分围挡没有沿施工场地四周连续设立的扣 3-5 分 102封 闭管 理 施工现场进出口无大门的扣 3 分无门卫和无门卫制度的扣 3 分进入施工现场不配戴工作卡的扣 3 分门头未设立公司标志的扣 3 分 10 3施 工现 场施工场地地面未做硬地化解决的扣 5 分道路不畅通的扣 5 分无排水设施、排水不畅通的扣 4 分无防止泥浆、污水、废水外流或堵塞下水道和排水河道措施的扣3 分施工场地有积水的扣 2 分施工场地未设立吸烟处、随意吸烟的扣 2 分温暖季节无绿化布置的扣 4 分 104材 料堆 放建筑材料、构件、料具不按总平面布局堆放的扣 4 分料堆未挂名称、品种、规格等标牌的扣 2 分堆放不整齐的扣 3 分未做到工完场地清的扣 3 分建筑垃圾堆放不整齐、未标出名称、品种的扣 3 分易燃易爆物品未分类存放的扣 4 分 10 文献编号:BBGC-B7-5现 场住 宿在建工程兼作住宿的扣 8 分施工作业区与办公、生活区不能明显划分的扣 6 分宿舍无保温和防煤气中毒措施的扣 5 分宿舍无消暑和防蚊虫叮咬措施的扣 3 分无床铺、生活用品放置不整齐的扣 2 分宿舍周边环境不卫生、不安全的扣 3 分106现 场防 火无消防措施、制度或无灭火器材的扣 10 分灭火器材配置不合理的扣 5 分无消防水源(高层建筑)或不能满足消防规定的扣 8 分无动火审批手续和动火监护的扣 5 分 10小计607一般项目治 安综 合治 理生活区未给工人设立学习和娱乐场合的扣 4 分未建立治安保卫制度的、责任未分解到人的扣 3-5 分治安防范措施不利,常发生失盗事件的扣 3-5 分 88施 工现 场标 牌大门口处挂的八牌一图、内容不全,缺一项扣 2 分标牌不法律规范、不整齐的,扣 3 分无安全标语,扣 3 分无宣传栏、读报栏、黑板报等扣 5 分 89生 活设 施厕所不符合卫生规定,扣 4 分无厕所,随地大小便,扣 8 分食堂不符合卫生规定,扣 8 分无卫生责任制,扣 5 分不能保证供应卫生饮水的,扣 10 分无淋浴室或淋浴室不符合规定,扣 5 分生活垃圾未及时解决,未装容器,无专人管理的,扣 3-5 分 810保 健急 救无保健医药箱的扣 5 ...

1、当您付费下载文档后,您只拥有了使用权限,并不意味着购买了版权,文档只能用于自身使用,不得用于其他商业用途(如 [转卖]进行直接盈利或[编辑后售卖]进行间接盈利)。
2、本站所有内容均由合作方或网友上传,本站不对文档的完整性、权威性及其观点立场正确性做任何保证或承诺!文档内容仅供研究参考,付费前请自行鉴别。
3、如文档内容存在违规,或者侵犯商业秘密、侵犯著作权等,请点击“违规举报”。

碎片内容

文明施工检查评分表

您可能关注的文档

确认删除?
VIP
微信客服
  • 扫码咨询
会员Q群
  • 会员专属群点击这里加入QQ群
客服邮箱
回到顶部