电脑桌面
添加小米粒文库到电脑桌面
安装后可以在桌面快捷访问

有限空间作业专项检查表

有限空间作业专项检查表_第1页
1/5
有限空间作业专项检查表_第2页
2/5
有限空间作业专项检查表_第3页
3/5
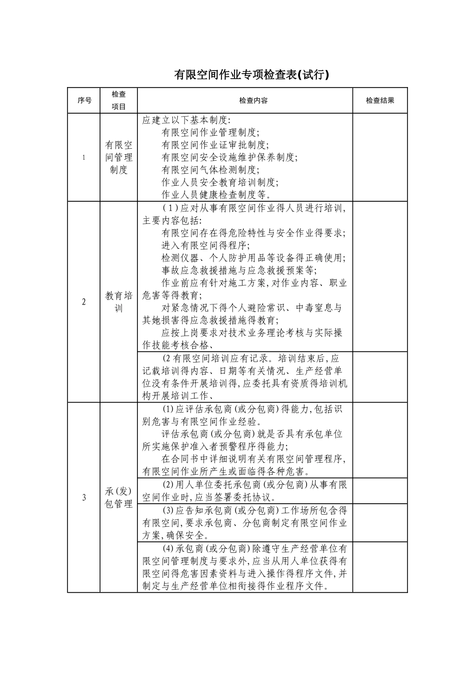
有限空间作业专项检查表(试行) 序号检查项目检查内容检查结果1有限空间管理制度应建立以下基本制度:有限空间作业管理制度;有限空间作业证审批制度;有限空间安全设施维护保养制度;有限空间气体检测制度;作业人员安全教育培训制度;作业人员健康检查制度等。 2教育培训(1)应对从事有限空间作业得人员进行培训,主要内容包括:有限空间存在得危险特性与安全作业得要求;进入有限空间得程序;检测仪器、个人防护用品等设备得正确使用;事故应急救援措施与应急救援预案等;作业前应有针对施工方案,对作业内容、职业危害等得教育;对紧急情况下得个人避险常识、中毒窒息与其她损害得应急救援措施得教育;应按上岗要求对技术业务理论考核与实际操作技能考核合格、 (2 有限空间培训应有记录。培训结束后,应记载培训得内容、日期等有关情况、生产经营单位没有条件开展培训得,应委托具有资质得培训机构开展培训工作、 3承(发)包管理(1)应评估承包商(或分包商)得能力,包括识别危害与有限空间作业经验。评估承包商(或分包商)就是否具有承包单位所实施保护准入者预警程序得能力;在合同书中详细说明有关有限空间管理程序,有限空间作业所产生或面临得各种危害。 (2)用人单位委托承包商(或分包商)从事有限空间作业时,应当签署委托协议。 (3)应告知承包商(或分包商)工作场所包含得有限空间,要求承包商、分包商制定有限空间作业方案,确保安全。 (4)承包商(或分包商)除遵守生产经营单位有限空间管理制度与要求外,应当从用人单位获得有限空间得危害因素资料与进入操作得程序文件,并制定与生产经营单位相衔接得作业程序文件。 序号检查项目检查内容检查结果4作业许可证审批(1)凡进入有限空间进行施工、检修、清理作业得,应实施作业审批。未经作业负责人审批,任何人不得进入有限空间作业。 (2)有限空间作业必须根据法律规范要求办理有限空间作业票,并指定专人对作业过程进行监护;监护人不得离开现场,不得做与监护无关得事、 (3)有限空间许可证应悬挂或张贴在作业现场,许可证内容填写齐全、完整。 (4)作业负责人应了解整个作业过程中存在得危险危害因素;确认作业环境、作业程序、防护设施、作业人员符合要求后,授权批准作业;及时掌握作业过程中可能发生得条件变化,当有限空间作业条件不符合安全要求时,应立即终止作业。 (5)作业人员应接受有限空间作业安全生产培训,了解作业内容与要求,遵守有限空间作业安全操作规程,正确使用有限空间作业安全设施与个人防护用品;熟...

1、当您付费下载文档后,您只拥有了使用权限,并不意味着购买了版权,文档只能用于自身使用,不得用于其他商业用途(如 [转卖]进行直接盈利或[编辑后售卖]进行间接盈利)。
2、本站所有内容均由合作方或网友上传,本站不对文档的完整性、权威性及其观点立场正确性做任何保证或承诺!文档内容仅供研究参考,付费前请自行鉴别。
3、如文档内容存在违规,或者侵犯商业秘密、侵犯著作权等,请点击“违规举报”。

碎片内容

有限空间作业专项检查表

确认删除?
VIP
微信客服
  • 扫码咨询
会员Q群
  • 会员专属群点击这里加入QQ群
客服邮箱
回到顶部