电脑桌面
添加小米粒文库到电脑桌面
安装后可以在桌面快捷访问

机械设计课程设计设计一用于带式运输机上同轴式二级圆柱齿轮减速器大学论文

机械设计课程设计设计一用于带式运输机上同轴式二级圆柱齿轮减速器大学论文_第1页
1/36
机械设计课程设计设计一用于带式运输机上同轴式二级圆柱齿轮减速器大学论文_第2页
2/36
机械设计课程设计设计一用于带式运输机上同轴式二级圆柱齿轮减速器大学论文_第3页
3/36
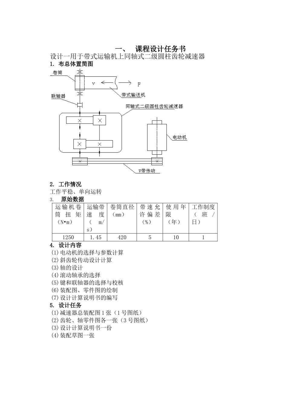
机械基础综合课程设计说明书设计题目:学 院: 机械工程学院 专业年级: 姓 名: 班级学号: 指导老师: 二O 年 月 日目 录一、 课程设计任务书------------------------------------------------------1二、 传动方案的拟定与分析---------------------------------------------2三、 电动机的选择---------------------------------------------------------3四、 计算总传动比及分配各级传动比---------------------------------4五、 动力学参数计算------------------------------------------------------ 5六、 传动零件的设计计算-------------------------------------------------6七、 轴的设计计算----------------------------------------------------------9八、 滚动轴承的选择及校核计算---------------------------------------12九、 键连接的选择及校核计算------------------------------------------14十、 联轴器的选择及校核计算------------------------------------------15十一、减速器的润滑与密封-----------------------------------------------16十二、箱体及附件的结构设计--------------------------------------------17设计小结-----------------------------------------------------------------------18参考文献-----------------------------------------------------------------------19一、 课程设计任务书设计一用于带式运输机上同轴式二级圆柱齿轮减速器1. 布总体置简图2. 工作情况工作平稳、单向运转3. 原始数据运 输 机 卷筒 扭 矩(N•m)运输带速度(m/s)卷筒直径(mm)带 速 允许 偏 差(%)使 用 年限(年)工作制度( 班 /日)12501.4542051014. 设计内容(1)电动机的选择与参数计算(2)斜齿轮传动设计计算(3)轴的设计(4)滚动轴承的选择(5)键和联轴器的选择与校核(6)装配图、零件图的绘制(7)设计计算说明书的编写5. 设计任务(1)减速器总装配图 1 张(1 号图纸)(2)齿轮、轴零件图各一张(3 号图纸)(3)设计计算说明书一份(4)装配草图一张三、电动机的选择1.1 电动机类型的选择电动机的类型根据动力源和工作条件,选用 Y 系列三相异步电动机。1.1 电动机功率的选择根据已知条件计算出工作机滚筒的转速为:0/(220X3.14159)=86.8112 r/min工作机所需要的有效功率为:为了计算电动机的所需功率,先要确定从电动机到工作机之间的总效率。设为弹...

1、当您付费下载文档后,您只拥有了使用权限,并不意味着购买了版权,文档只能用于自身使用,不得用于其他商业用途(如 [转卖]进行直接盈利或[编辑后售卖]进行间接盈利)。
2、本站所有内容均由合作方或网友上传,本站不对文档的完整性、权威性及其观点立场正确性做任何保证或承诺!文档内容仅供研究参考,付费前请自行鉴别。
3、如文档内容存在违规,或者侵犯商业秘密、侵犯著作权等,请点击“违规举报”。

碎片内容

机械设计课程设计设计一用于带式运输机上同轴式二级圆柱齿轮减速器大学论文

文旅传媒+ 关注
实名认证
内容提供者

传播文化,成就未来

确认删除?
VIP
微信客服
  • 扫码咨询
会员Q群
  • 会员专属群点击这里加入QQ群
客服邮箱
回到顶部