电脑桌面
添加小米粒文库到电脑桌面
安装后可以在桌面快捷访问

某公司梯形齿、弧齿背型双金属带锯条系列产品开发项目资金可行性研究报告

某公司梯形齿、弧齿背型双金属带锯条系列产品开发项目资金可行性研究报告_第1页
1/17
某公司梯形齿、弧齿背型双金属带锯条系列产品开发项目资金可行性研究报告_第2页
2/17
某公司梯形齿、弧齿背型双金属带锯条系列产品开发项目资金可行性研究报告_第3页
3/17
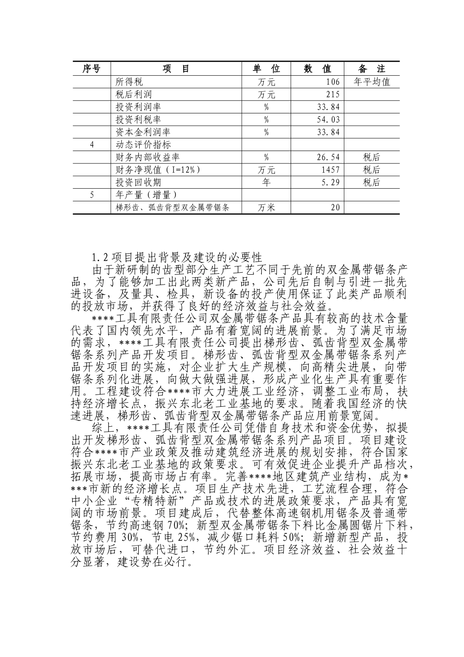
1、总论1.1 概述1.1.1 项目名称及承办单位项目名称: 梯形齿、弧齿背型双金属带锯条系列产品开发项目申请单位: ****工具有限责任公司法定代表人:****(董事长)项目负责人:****所有制形式:股份制企业项目类别: “专精特新”产品进展项目建设地点: ****市经济开发区****镇平台村(1)项目建设内容梯形齿、弧齿背型双金属带锯条系列产品开发,项目投产后:2025 年新增产量 60 万米,新增产值 2500 万,新增利税 660 万元;2025 年新增产量 20 万米,新增产值 1100 万,新增利税 270 万元;估计 2025 年新增产量 20 万米,新增产值 1200 万,新增利税 300万元。(2)项目建设期项目建设工期为 36 个月,即 2025 年 1 月至 2025 年 12 月。(3)项目投资及资金筹措 项目总投资 950 万元。资金筹措:(1) 企业自筹: 900 万元;(2) 申请专项资金补助: 50 万元;(4)项目主要经济指标主要经济技术指标详见表 1-1。主要经济技术指标表表 1-1 序号项 目单 位数 值备 注1总投资万元9502资金筹措万元950企业自筹万元900申请专项资金万元503经济效益及静态指标销售收入万元1200年平均值销售税金万元192年平均值总成本万元687年平均值利润总额万元322年平均值序号项 目单 位数 值备 注所得税万元106年平均值税后利润万元215投资利润率%33.84投资利税率%54.03资本金利润率%33.844动态评价指标财务内部收益率%26.54税后财务净现值(I=12%)万元1457税后投资回收期年5.29税后5年产量(增量)梯形齿、弧齿背型双金属带锯条万米201.2 项目提出背景及建设的必要性由于新研制的齿型部分生产工艺不同于先前的双金属带锯条产品,为了能够加工出此两类新产品,公司先后自制与引进一批先进设备,及量具、检具,新设备的投产使用保证了此类产品顺利的投放市场,并获得了良好的经济效益与社会效益。****工具有限责任公司双金属带锯条产品具有较高的技术含量代表了国内领先水平,产品有着宽阔的进展前景。为了满足市场的需求,****工具有限责任公司提出梯形齿、弧齿背型双金属带锯条系列产品开发项目。梯形齿、弧齿背型双金属带锯条系列产品开发项目的实施,对企业扩大生产规模,向高精尖进展,向带锯条系列化进展,向做大做强进展,形成产业化生产具有重要作用。工程建设符合****市大力进展工业经济,调整工业布局,扶持经济增长点,振兴东北老工业基地的要求。随着我国经济的快速进展,梯形齿、弧...

1、当您付费下载文档后,您只拥有了使用权限,并不意味着购买了版权,文档只能用于自身使用,不得用于其他商业用途(如 [转卖]进行直接盈利或[编辑后售卖]进行间接盈利)。
2、本站所有内容均由合作方或网友上传,本站不对文档的完整性、权威性及其观点立场正确性做任何保证或承诺!文档内容仅供研究参考,付费前请自行鉴别。
3、如文档内容存在违规,或者侵犯商业秘密、侵犯著作权等,请点击“违规举报”。

碎片内容

某公司梯形齿、弧齿背型双金属带锯条系列产品开发项目资金可行性研究报告

确认删除?
VIP
微信客服
  • 扫码咨询
会员Q群
  • 会员专属群点击这里加入QQ群
客服邮箱
回到顶部