电脑桌面
添加小米粒文库到电脑桌面
安装后可以在桌面快捷访问

楼层平面放线记录

楼层平面放线记录_第1页
1/20
楼层平面放线记录_第2页
2/20
楼层平面放线记录_第3页
3/20
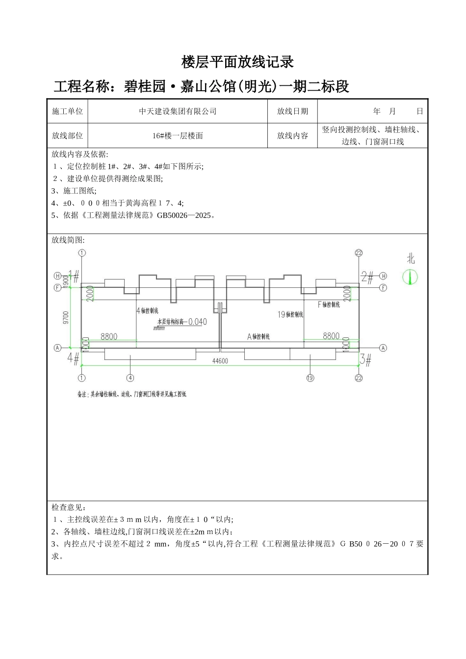
楼层平面放线记录工程名称:碧桂园·嘉山公馆(明光)一期二标段施工单位中天建设集团有限公司放线日期年 月 日放线部位16#楼一层楼面放线内容竖向投测控制线、墙柱轴线、边线、门窗洞口线放线内容及依据:1、定位控制桩 1#、2#、3#、4#如下图所示;2、建设单位提供得测绘成果图;3、施工图纸;4、±0、0 0 0相当于黄海高程1 7、4;5、依据《工程测量法律规范》GB50026—2025。放线简图:检查意见:1、主控线误差在±3m m 以内,角度在±1 0“以内;2、各轴线、墙柱边线,门窗洞口线误差在±2m m以内;3、内控点尺寸误差不超过2 mm,角度±5“以内,符合工程《工程测量法律规范》G B50 0 26-20 07要求。测量员:年 月 日项目专业质检员:年 月 日项目技术负责人:年 月 日专业监理工程师:年 月 日本表由施工单位填写保存。楼层平面放线记录工程名称:碧桂园·嘉山公馆(明光)一期二标段施工单位中天建设集团有限公司放线日期年 月 日放线部位16#楼二层楼面放线内容竖向投测控制线、墙柱轴线、边线、门窗洞口线放线内容及依据:1、定位控制桩1#、2#、3#、4#如下图所示;2、建设单位提供得测绘成果图;3、施工图纸;4、±0、000 相当于黄海高程 1 7、4;5、依据《工程测量法律规范》G B 500 2 6—2 007。放线简图:检查意见:1、主控线误差在±3mm 以内,角度在±10“以内;2、各轴线、墙柱边线,门窗洞口线误差在±2 m m 以内;3、内控点尺寸误差不超过 2mm,角度±5“以内,符合工程《工程测量法律规范》GB 50026-2 0 07 要求.测量员:年 月 日项目专业质检员:年 月 日项目技术负责人:年 月 日专业监理工程师:年 月 日本表由施工单位填写保存。楼层平面放线记录工程名称:碧桂园·嘉山公馆(明光)一期二标段施工单位中天建设集团有限公司放线日期年 月 日放线部位16#楼三层楼面放线内容竖向投测控制线、墙柱轴线、边线、门窗洞口线放线内容及依据:1、定位控制桩 1#、2#、3#、4#如下图所示;2、建设单位提供得测绘成果图;3、施工图纸;4、±0、000 相当于黄海高程 17、4;5、依据《工程测量法律规范》G B 5 0 026—200 7。放线简图:检查意见:1、主控线误差在±3 mm 以内,角度在±1 0“以内;2、各轴线、墙柱边线,门窗洞口线误差在±2mm 以内;3、内控点尺寸误差不超过 2mm,角度±5“以内,符合工程《工程测量法律规范》GB5 002 6-2 007 要求。测量员:年 月 ...

1、当您付费下载文档后,您只拥有了使用权限,并不意味着购买了版权,文档只能用于自身使用,不得用于其他商业用途(如 [转卖]进行直接盈利或[编辑后售卖]进行间接盈利)。
2、本站所有内容均由合作方或网友上传,本站不对文档的完整性、权威性及其观点立场正确性做任何保证或承诺!文档内容仅供研究参考,付费前请自行鉴别。
3、如文档内容存在违规,或者侵犯商业秘密、侵犯著作权等,请点击“违规举报”。

碎片内容

楼层平面放线记录

一二三四传媒+ 关注
实名认证
内容提供者

大量资料供您选择,没有合适的可以联系小二。

确认删除?
VIP
微信客服
  • 扫码咨询
会员Q群
  • 会员专属群点击这里加入QQ群
客服邮箱
回到顶部