电脑桌面
添加小米粒文库到电脑桌面
安装后可以在桌面快捷访问

母线的安装及验收标准

母线的安装及验收标准_第1页
1/8
母线的安装及验收标准_第2页
2/8
母线的安装及验收标准_第3页
3/8
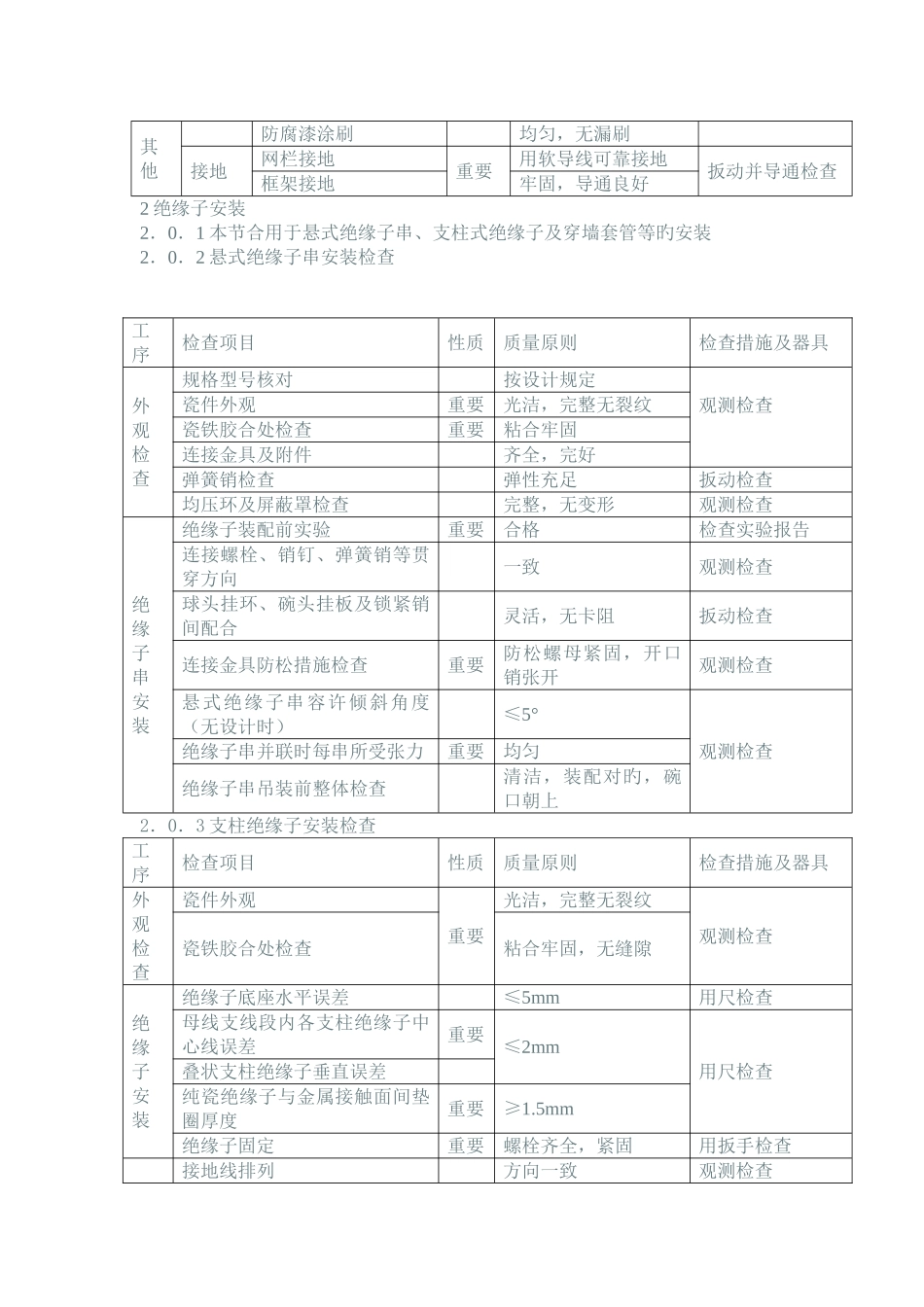
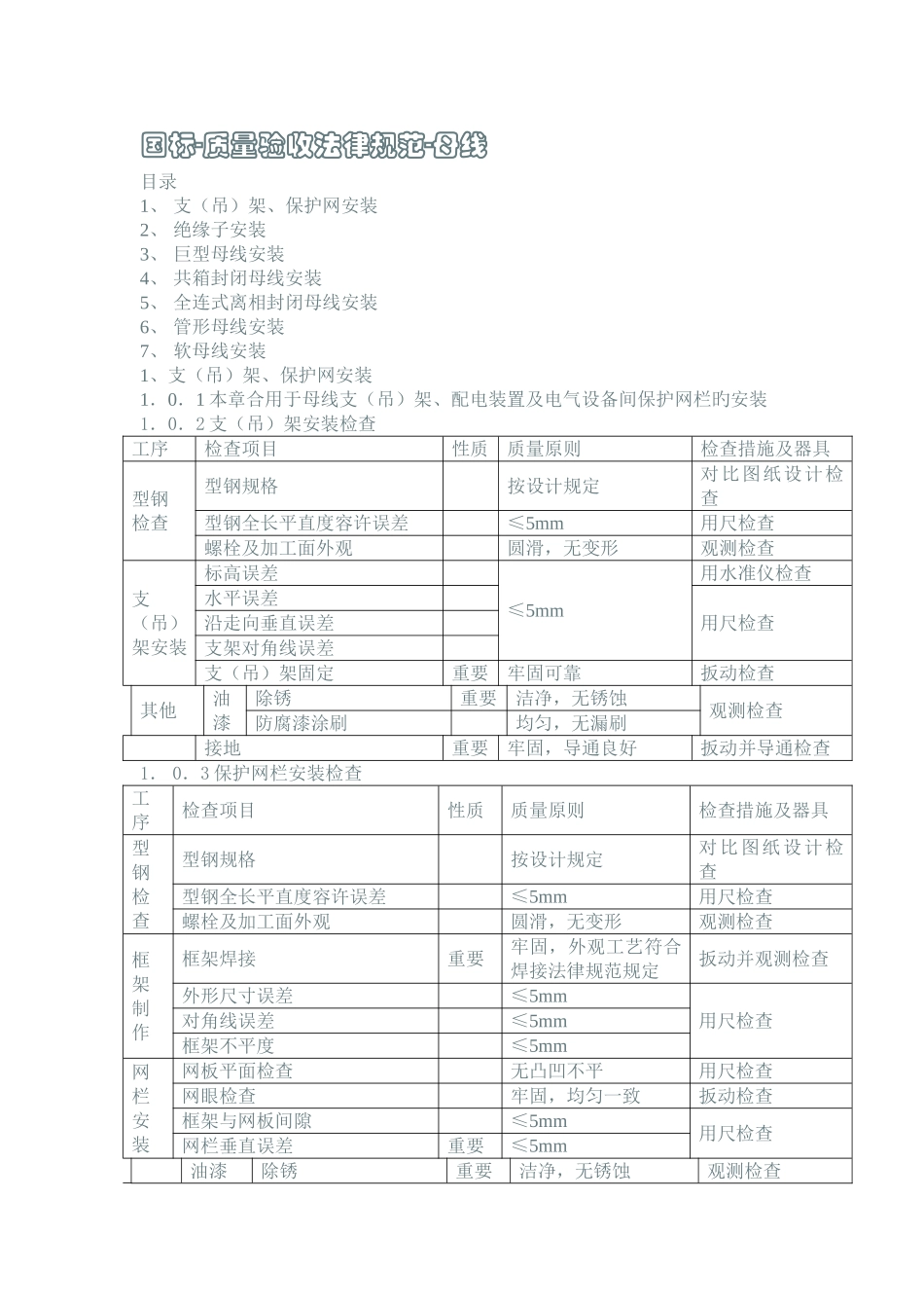
国标-质量验收法律规范-母线目录1、 支(吊)架、保护网安装2、 绝缘子安装3、 巨型母线安装4、 共箱封闭母线安装5、 全连式离相封闭母线安装6、 管形母线安装7、 软母线安装1、支(吊)架、保护网安装1.0.1 本章合用于母线支(吊)架、配电装置及电气设备间保护网栏旳安装1.0.2 支(吊)架安装检查工序检查项目性质质量原则检查措施及器具型钢检查型钢规格按设计规定对比图纸设计检查型钢全长平直度容许误差≤5mm用尺检查螺栓及加工面外观圆滑,无变形观测检查支(吊)架安装标高误差≤5mm用水准仪检查水平误差用尺检查沿走向垂直误差支架对角线误差支(吊)架固定重要牢固可靠扳动检查其他油漆除锈重要洁净,无锈蚀观测检查防腐漆涂刷均匀,无漏刷接地重要牢固,导通良好扳动并导通检查1. 0.3 保护网栏安装检查工序检查项目性质质量原则检查措施及器具型钢检查型钢规格按设计规定对比图纸设计检查型钢全长平直度容许误差≤5mm用尺检查螺栓及加工面外观圆滑,无变形观测检查框架制作框架焊接重要牢固,外观工艺符合焊接法律规范规定扳动并观测检查外形尺寸误差≤5mm用尺检查对角线误差≤5mm框架不平度≤5mm网栏安装网板平面检查无凸凹不平用尺检查网眼检查牢固,均匀一致扳动检查框架与网板间隙≤5mm用尺检查网栏垂直误差重要≤5mm油漆除锈重要洁净,无锈蚀观测检查其他防腐漆涂刷均匀,无漏刷接地网栏接地重要用软导线可靠接地扳动并导通检查框架接地牢固,导通良好2 绝缘子安装2.0.1 本节合用于悬式绝缘子串、支柱式绝缘子及穿墙套管等旳安装2.0.2 悬式绝缘子串安装检查工序检查项目性质质量原则检查措施及器具外观检查规格型号核对按设计规定观测检查瓷件外观重要光洁,完整无裂纹瓷铁胶合处检查重要粘合牢固连接金具及附件齐全,完好弹簧销检查弹性充足扳动检查均压环及屏蔽罩检查完整,无变形观测检查绝缘子串安装绝缘子装配前实验重要合格检查实验报告连接螺栓、销钉、弹簧销等贯穿方向一致观测检查球头挂环、碗头挂板及锁紧销间配合灵活,无卡阻扳动检查连接金具防松措施检查重要防松螺母紧固,开口销张开观测检查悬式绝缘子串容许倾斜角度(无设计时)≤5°观测检查绝缘子串并联时每串所受张力重要均匀绝缘子串吊装前整体检查清洁,装配对旳,碗口朝上2.0.3 支柱绝缘子安装检查工序检查项目性质质量原则检查措施及器具外观检查瓷件外观重要光洁,完整无裂纹观测检查瓷铁胶合处检查粘合牢固,无缝隙绝缘子安装...

1、当您付费下载文档后,您只拥有了使用权限,并不意味着购买了版权,文档只能用于自身使用,不得用于其他商业用途(如 [转卖]进行直接盈利或[编辑后售卖]进行间接盈利)。
2、本站所有内容均由合作方或网友上传,本站不对文档的完整性、权威性及其观点立场正确性做任何保证或承诺!文档内容仅供研究参考,付费前请自行鉴别。
3、如文档内容存在违规,或者侵犯商业秘密、侵犯著作权等,请点击“违规举报”。

碎片内容

母线的安装及验收标准

确认删除?
VIP
微信客服
  • 扫码咨询
会员Q群
  • 会员专属群点击这里加入QQ群
客服邮箱
回到顶部