电脑桌面
添加小米粒文库到电脑桌面
安装后可以在桌面快捷访问

气溶胶灭火系统操作说明

气溶胶灭火系统操作说明_第1页
1/7
气溶胶灭火系统操作说明_第2页
2/7
气溶胶灭火系统操作说明_第3页
3/7
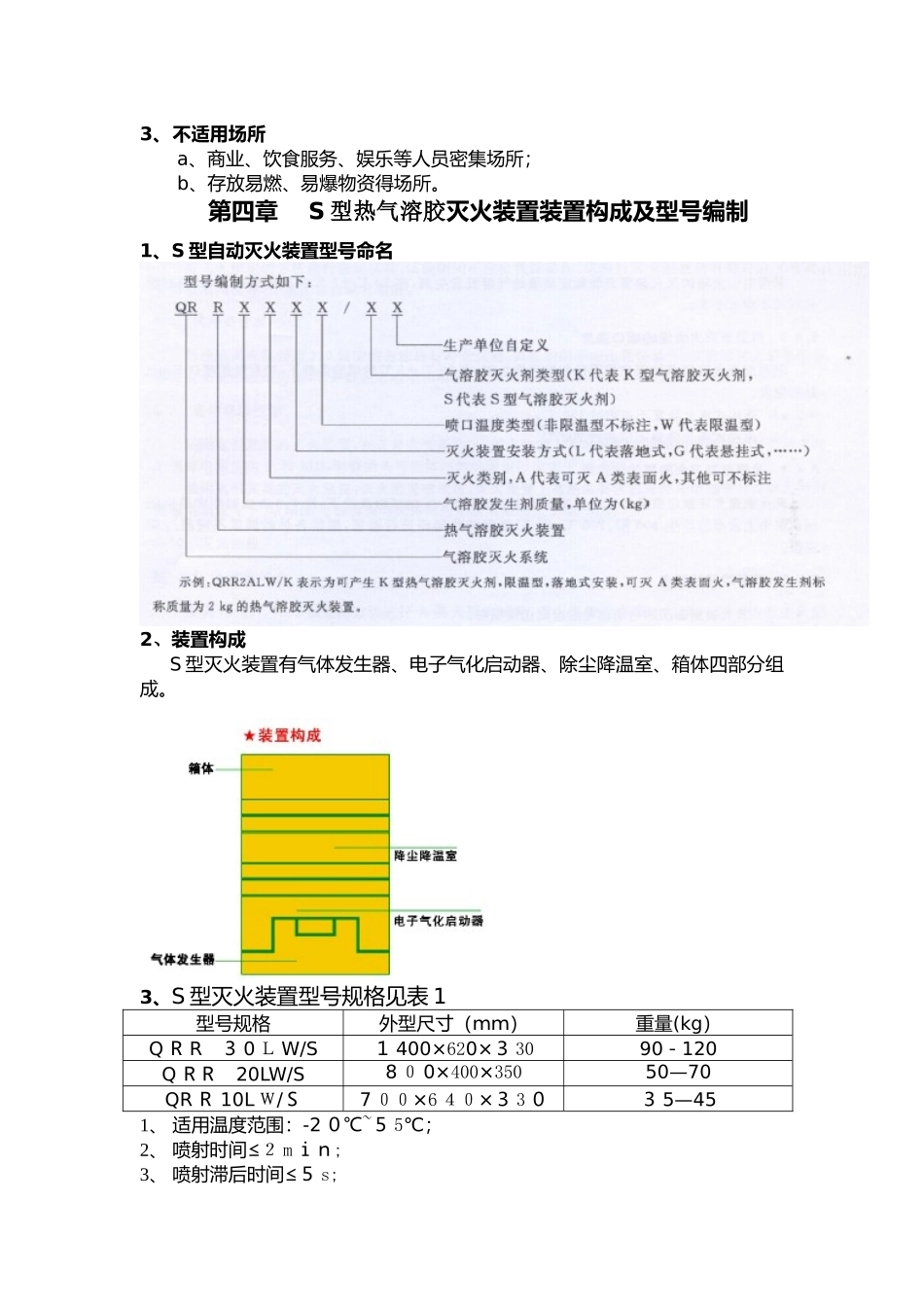
热气溶胶灭火装置使 用 说 明书目 录第一章概述 ………………………………………………………………(2)第二章S型热气溶胶灭火装置得灭火原理 ……………………………(2)第三章S 型热气溶胶灭火装置适用范围与不适用范围 …………………(2)第四章S 型热气溶胶灭火装置构成及型号编制 …………………………(3)第五章S型热气溶胶灭火装置得主要技术参数 …………………………(4)第六章S型热气溶胶灭火装置简明设计指南 ………………………………(4)第七章S 型热气溶胶灭火装置系统控制模式 ……………………………(5)第八章S 型热气溶胶灭火装置得安装、日常维护与使用 ………………(6)第一章概述环保洁净型自动灭火装置(以下简称 S 型自动灭火装置)就是利用现代化工技术自行研制与生产得环保型混合气体灭火产品。本产品无毒、无污染、无公害,灭火效率高、压力低、无残留物、对被保护物无腐蚀、安全性强、不存在 F、Cl、B r、C O等有害物质,ODP=0、G WP≤0、35、不破坏大气臭氧层.就是目前消防领域代替哈龙产品得理想产品.第二章 S 型热气溶胶灭火装置得灭火原理1、S 型灭火剂得特性 S 型灭火剂就是一种固体含能化学物质,属于烟火药剂。利用电子气化启动器激活 S 型灭火剂,使其发生化学反应,能产生大量惰性气体、水汽与微量固体颗粒,形成混合气体,混合气体从 S 型自动灭火装置得喷口向外释放喷射,扑灭火灾。2、S型自动灭火装置得灭火原理S 型自动灭火装置得灭火机理就是以物理、化学、水汽降温三种灭火方式同时进行得全淹没灭火形势:a、以物理性稀释空气中氧气“窒息灭火”为主要方式,切断火焰反应链进行链式反应破坏火灾现场得燃烧条件,迅速降低自由基得浓度;b、存在抑制链式燃烧反应进行得化学灭火方式;c、 水蒸汽冷凝与气化降低燃烧物温度。第三章 S 型热气溶胶灭火装置适用范围与不适用范围1、适用范围S 型灭火系统为全淹没系统,适用于扑灭相对封闭空间得 A、B 类火灾以及电气电缆初起火灾。a、扑灭 A 类火灾: 如木材、纸张等固体物质初起火灾,适用于木制品库、档案库、博物馆、图书馆、资料室等场所;b、扑灭 B 类火灾: 适用于生产、使用或贮存柴油(—3 5 号柴油除外)、重油、变压器油、动物油、植物油等各种丙类可燃液体场所得火灾;c、扑灭电气电缆火灾: 适用于变(配)电间、发电机房、电缆夹层、电缆井、电缆沟、电子计算机房、通讯房等场所得火灾。2、不适...

1、当您付费下载文档后,您只拥有了使用权限,并不意味着购买了版权,文档只能用于自身使用,不得用于其他商业用途(如 [转卖]进行直接盈利或[编辑后售卖]进行间接盈利)。
2、本站所有内容均由合作方或网友上传,本站不对文档的完整性、权威性及其观点立场正确性做任何保证或承诺!文档内容仅供研究参考,付费前请自行鉴别。
3、如文档内容存在违规,或者侵犯商业秘密、侵犯著作权等,请点击“违规举报”。

碎片内容

气溶胶灭火系统操作说明

您可能关注的文档

确认删除?
VIP
微信客服
  • 扫码咨询
会员Q群
  • 会员专属群点击这里加入QQ群
客服邮箱
回到顶部