电脑桌面
添加小米粒文库到电脑桌面
安装后可以在桌面快捷访问

江苏消防工程施工验收资料实例

江苏消防工程施工验收资料实例_第1页
1/136
江苏消防工程施工验收资料实例_第2页
2/136
江苏消防工程施工验收资料实例_第3页
3/136
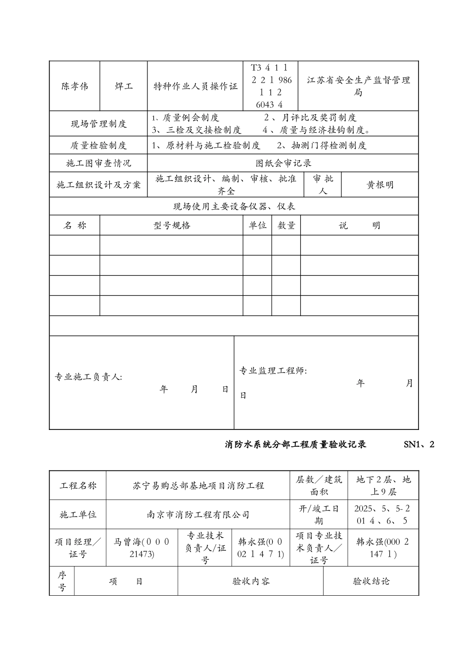
消 防 水 系 统 目 录序 号编 号名 称页 码备 注SN、1工程验收资料1SN1、1 消防水系统工程施工现场质量管理记录2SN 1、2消防水系统分部工程质量验收记录3SN1、3消防水系统分部工程质量验收记录(统表1)4S N 1、4消防水系统分项工程质量验收记录(统表2)5SN1、5消防水系统质量控制资料检查表6S N1、6消防水系统安全和功能检验资料核查及主要功能抽查记录7SN1、7消防水系统观感质量检查记录工程前期资料1开工报告2资质证书及人员证件3组织设计SN、2质量控制资料1S N2、1材料(设备)合格证明文件汇总表2S M2、3管道隐蔽记录3SN 2、4管道支、吊架安装记录4SN2、10管道保温验收记录5S N2、14阀门、散热器安装前水压验收记录6SN2、15消防水系统管道强度和严密性水压试验记录7S N 2 、 17消防水系统管道冲洗记录8S N 2、23消火栓系统试射试验记录S N 3工程质量验收记录1统表2给水管道及配件安装分项工程质量验收记录2SN3 、 1 、1给水管道及配件安装工程检验批质量验收记录3统表2室内消火栓系统安装分项工程质量验收记录4SN3、1、2室内消火栓系统安装工程检验批质量验收记录5统表 2消防给水设备安装分项工程质量验收记录6SN3、1、3消防给水设备安装工程检验批质量验收记录7统表 2消防水泵接合器安装分项工程质量验收记录8SN3、6、2 消防水泵接合器安装工程检验批质量验收记录工程竣工验收记录1B-26喷淋系统调试报告2C-1 9消火栓系统调试报告3B-2 7喷淋系统自检报告4C-20消火栓系统自检报告51 2喷淋系统竣工报告612消火栓系统竣工报告 消防水系统工程施工现场质量管理记录 SN1、1工程名称苏宁易购总部基地项目消防工程施工许可证号/建设单位江苏昌祺贸易有限公司项目负责人孔卫东设计单位南京长江都市建筑设计股份有限公司项目负责人陈元俊监理单位南京普兰宁建设工程咨询有限公司施工单位南京市消防工程有限公司主 要 工 种姓 名工 种持证名称证 号发证部门马曾海项目经理一级建造师证中华人民共和国建设部汤登元质检员质量检查员(安装)证1江苏省住房和城乡建设厅王志勇材料员材料检查员78731 6江苏省建设厅薄荣光电工特种作业人员操作证T 3 70836江苏省安全生产监督管理局陈孝伟焊工特种作业人员操作证T3 4 1 12 2 1 9861 1 26043 4江苏省安全生产监督管理局现场管理制度1、质量例会制度 2、月评比及奖罚制度3、三检及交接检制度 4...

1、当您付费下载文档后,您只拥有了使用权限,并不意味着购买了版权,文档只能用于自身使用,不得用于其他商业用途(如 [转卖]进行直接盈利或[编辑后售卖]进行间接盈利)。
2、本站所有内容均由合作方或网友上传,本站不对文档的完整性、权威性及其观点立场正确性做任何保证或承诺!文档内容仅供研究参考,付费前请自行鉴别。
3、如文档内容存在违规,或者侵犯商业秘密、侵犯著作权等,请点击“违规举报”。

碎片内容

江苏消防工程施工验收资料实例

您可能关注的文档

确认删除?
VIP
微信客服
  • 扫码咨询
会员Q群
  • 会员专属群点击这里加入QQ群
客服邮箱
回到顶部