电脑桌面
添加小米粒文库到电脑桌面
安装后可以在桌面快捷访问

沟槽开挖分项工程施工报验表

沟槽开挖分项工程施工报验表_第1页
1/5
沟槽开挖分项工程施工报验表_第2页
2/5
沟槽开挖分项工程施工报验表_第3页
3/5
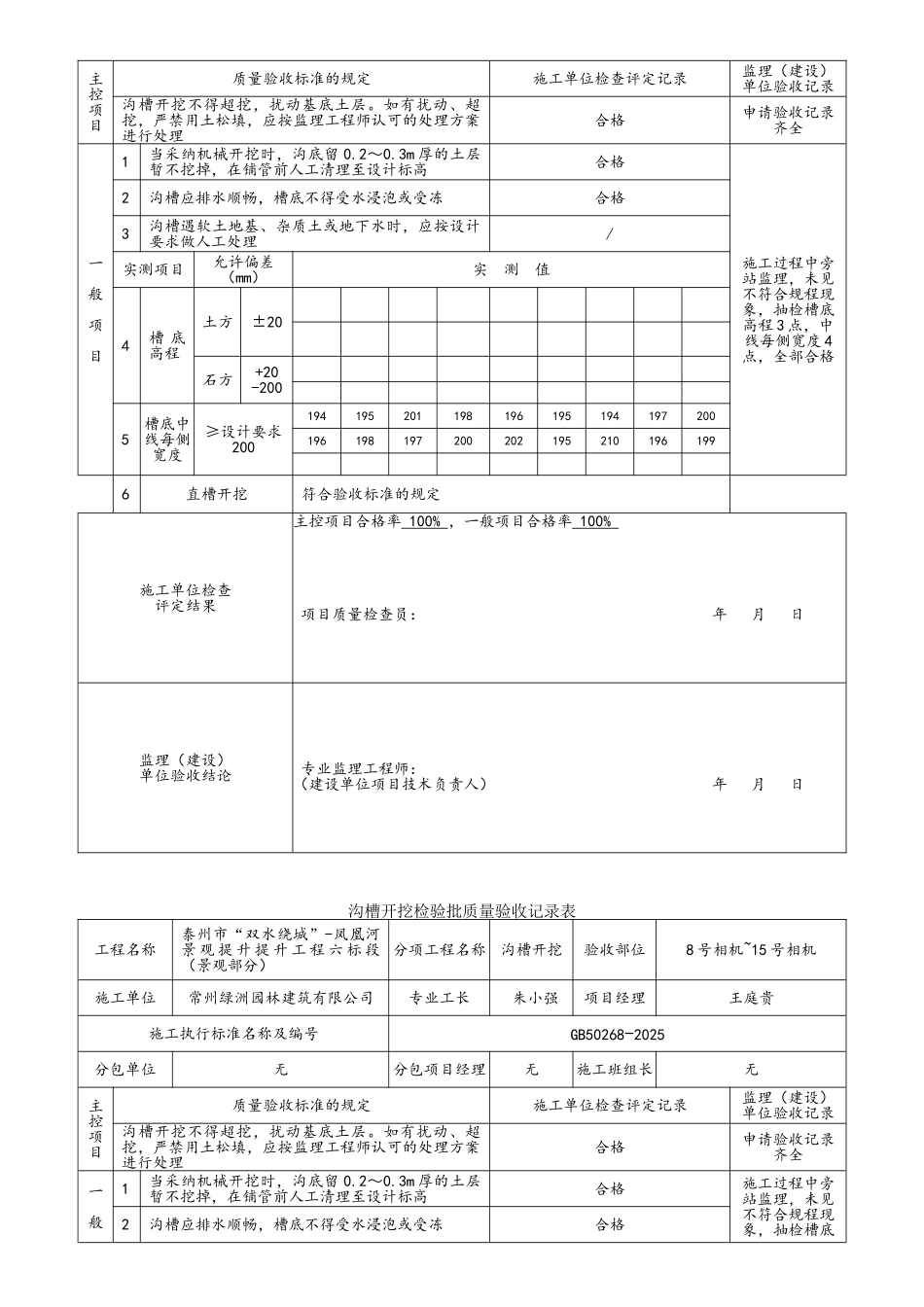
B.1.4B.1.4工程质量报验表工程质量报验表工程名称: 泰州市“双水绕城” - 凤凰河景观提升工程 六 标段(景观部分) 编号: B.1. CSSL2025/FHHJGTS05 - JG0901 3HNFs。我方已完成 沟槽开挖 工作,经自检合格,请予以验收。附件:□ 1、检验批质量检验资料□ 2、分项工程质量检验资料 施工项目经理部(章): 项目经理或项目技术负责人(签字): 年 月 日项目监理机构签收人姓名及时间施工项目经理部签收人姓名及时间监理验收及平行检验情况:1、收到施工单位自检资料和验收记录表共 页,该项报验内容系第 次报验。 检查人(签字): 年 月 日监理验收意见:□ 验收合格,可进行后续施工。□ 验收不合格,不得进入下道工序施工,应于 月 日前整改完 毕自检合格后重新报验。 项目监理机构(章): 专业监理工程师(签字): 年 月 日 江苏省住房和城乡建设厅监制沟槽开挖检验批质量验收记录表工程名称泰州市“双水绕城”-凤凰河景 观 提 升 提 升 工 程 六 标 段(景观部分)分项工程名称沟槽开挖验收部位1 号相机~7 号相机施工单位常州绿洲园林建筑有限公司专业工长朱小强 项目经理王庭贵 施工执行标准名称及编号GB50268-2025分包单位无分包项目经理无施工班组长无主控项目质量验收标准的规定施工单位检查评定记录监理(建设)单位验收记录沟槽开挖不得超挖,扰动基底土层。如有扰动、超挖,严禁用土松填,应按监理工程师认可的处理方案进行处理合格申请验收记录齐全一 般项目1当采纳机械开挖时,沟底留 0.2~0.3m 厚的土层暂不挖掉,在铺管前人工清理至设计标高合格施工过程中旁站监理,未见不符合规程现象,抽检槽底高程 3 点,中线每侧宽度 4点,全部合格2沟槽应排水顺畅,槽底不得受水浸泡或受冻合格3沟槽遇软土地基、杂质土或地下水时,应按设计要求做人工处理/实测项目允许偏差(mm)实 测 值4槽 底高程土方±20石方+20-2005槽底中线每侧宽度≥设计要求2001941952011981961951941972001961981972002021952101961996直槽开挖符合验收标准的规定施工单位检查评定结果主控项目合格率 100% ,一般项目合格率 100 % 项目质量检查员: 年 月 日监理(建设)单位验收结论专业监理工程师:(建设单位项目技术负责人) 年 月 日沟槽开挖检验批质量验收记录表工程名称泰州市“双水绕城”-凤凰河景 观 提 升 提 升 工 程 六 标 段(景观部分)分项工程名称沟槽开挖...

1、当您付费下载文档后,您只拥有了使用权限,并不意味着购买了版权,文档只能用于自身使用,不得用于其他商业用途(如 [转卖]进行直接盈利或[编辑后售卖]进行间接盈利)。
2、本站所有内容均由合作方或网友上传,本站不对文档的完整性、权威性及其观点立场正确性做任何保证或承诺!文档内容仅供研究参考,付费前请自行鉴别。
3、如文档内容存在违规,或者侵犯商业秘密、侵犯著作权等,请点击“违规举报”。

碎片内容

沟槽开挖分项工程施工报验表

您可能关注的文档

确认删除?
VIP
微信客服
  • 扫码咨询
会员Q群
  • 会员专属群点击这里加入QQ群
客服邮箱
回到顶部