电脑桌面
添加小米粒文库到电脑桌面
安装后可以在桌面快捷访问

电动葫芦门式起重机安装专项施工方案

电动葫芦门式起重机安装专项施工方案_第1页
1/5
电动葫芦门式起重机安装专项施工方案_第2页
2/5
电动葫芦门式起重机安装专项施工方案_第3页
3/5
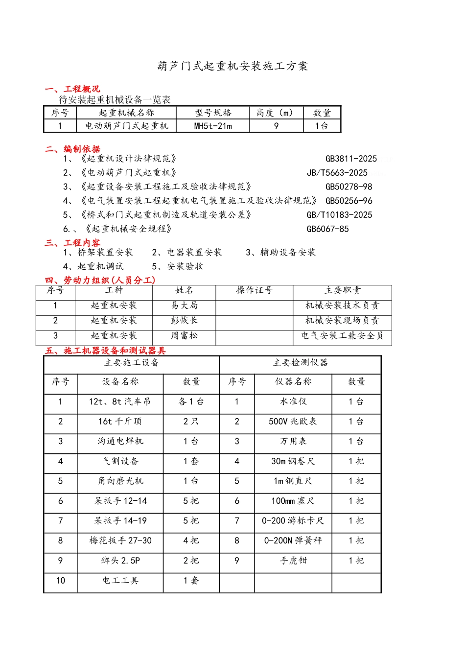
目 录一、工程概况...........................................................1三、工程内容......................................................1ogfXo。四、劳动力组织(人员分工)..........................................1SFQnJ。五、施工机器设备和测试器具........................................1tbDmz。六、工艺流程......................................................2ICnsv。七、工艺步骤......................................................3J9E74。1、设备检查...................................................3gNsB5。2、轨道部分的检查(调校).....................................3N3coB。八、吊装方案......................................................3Z5v4x。1、吊装.......................................................32w3bp。2、辅助设备安装...............................................4RaUwu。3、电气设备安装...............................................4tvtLj。九、技术交底及安全措施............................................4gZbOZ。十、试运转........................................................55qMM1。十一、交工验收....................................................57M3Ai。葫芦门式起重机安装施工方案一、工程概况待安装起重机械设备一览表序号起重机械名称型号规格高度(m)数量1电动葫芦门式起重机MH5t-21m91台二、编制依据 1、《起重机设计法律规范》 GB3811-2025K7ULP。2、《电动葫芦门式起重机》 JB/T5663-20257wNIn。3、《起重设备安装工程施工及验收法律规范》 GB50278-98 4、《电气装置安装工程起重机电气装置施工及验收法律规范》 GB50256-965、《桥式和门式起重机制造及轨道安装公差》 GB/T10183-20256.、《起重机械安全规程》 GB6067-85三、工程内容1、桥架装置安装 2、电器装置安装 3、辅助设备安装4、起重机调试 5、安装验收四、劳动力组织(人员分工)序号工种姓名操作证号主要职责1起重机安装易大局机械安装技术负责2起重机安装彭恢长机械安装现场负责3起重机安装周富松电气安装工兼安全员五、施工机器设备和测试器具主要施工设备主要检测仪器序号设备名称数量序号仪器名称数量112t、8t 汽车吊各 1 台1水准仪1 台216t 千斤顶2 只2500V 兆欧表1 台3沟通电焊机1 台3万用表1 台4气割设备1 套430m 钢卷尺1 把...

1、当您付费下载文档后,您只拥有了使用权限,并不意味着购买了版权,文档只能用于自身使用,不得用于其他商业用途(如 [转卖]进行直接盈利或[编辑后售卖]进行间接盈利)。
2、本站所有内容均由合作方或网友上传,本站不对文档的完整性、权威性及其观点立场正确性做任何保证或承诺!文档内容仅供研究参考,付费前请自行鉴别。
3、如文档内容存在违规,或者侵犯商业秘密、侵犯著作权等,请点击“违规举报”。

碎片内容

电动葫芦门式起重机安装专项施工方案

一二三四传媒+ 关注
实名认证
内容提供者

大量资料供您选择,没有合适的可以联系小二。

确认删除?
VIP
微信客服
  • 扫码咨询
会员Q群
  • 会员专属群点击这里加入QQ群
客服邮箱
回到顶部